9014制作闪灯电路图(一)
电路主要由捡音器(驻极体电容器话筒),晶体管放大器和发光二极管等构成。
电路原理:
静态时,VT1处于临界饱和状态,使VT2截止,LED1和LED2皆不发光,R1给电容话筒MIC提供偏置电流,话筒捡取室内环境中的声波信号后即转为相应的电信号,经电容C1送到VT1的基极进行放大,VT1、VT2组成两级直接耦合放大电路,只要选取合适的R2、R3使无声波信号。VT1处于临界饱和状态,而以使VT处于截止状态,两只LED中无电流流过而不发光,当MIC捡取声波信号后,就有音频信号注入VT1的基极,其信号的负半周使VT1退出饱和状态,VT1的集电极电压上升。VT2导通,LED1和LED2点亮发光,当输入音频信号较弱时,不足以使VT1退出饱和状态,LED1和LED2仍保持熄灭状态,只有较强信号输入时,以光二极管才点亮发光,所以,LED1和LED2能随着环境声音(如音乐、说话)信号的强弱起伏而闪烁发光。

9014制作闪灯电路图(二)
电路的工作原理:
声光控延时开关的电路原理图见图1所示。电路中的主要元器件是使用了数字集成电路cd4011,其内部含有4个独立的与非门vd1~vd4,使电路结构简单,工作可靠性高。

顾名思义,声光控延时开关就是用声音来控制开关的“开启“,若干分钟后延时开关“自动关闭”。因此,整个电路的功能就是将声音信号处理后,变为电子开关的开动作。明确了电路的信号流程方向后,即可依据主要元器件将电路划分为若干个单元,由此可画出图2所示的方框图。
结合图2来分析图1。声音信号(脚步声、掌声等)由驻极体话筒bm接收并转换成电信号,经c1耦合到vt的基极进行电压放大,放大的信号送到与非门(vd1)的2脚,r4、r7是vt偏置电阻,c2是电源滤波电容。

为了使声光控开关在白天开关断开,即灯不亮,由光敏电阻rg等元件组成光控电路,r5和rg组成串联分压电路,夜晚环境无光时,光敏电阻的阻值很大,rg两端的电压高,即为高电平间t=2πr8c3,改变r8或c3的值,可改变延时时间,满足不同目的。vd3和vd4构成两级整形电路,将方波信号进行整形。当c3充电到一定电平时,信号经与非门vd3、vd4后输出为高电平,使单向可控硅导通,电子开关闭合;c3充满电后只向r8放电,当放电到一定电平时,经与非门vd3、vd4输出为低电平,使单向可控硅截止,电子开关断开,完成一次完整的电子开关由开到关的过程。
二极管vd1~vd4将交流220v进行桥式整流,变成脉动直流电,又经r1降压,c2滤波后即为电路的直流电源,为bm、vt、ic等供电。
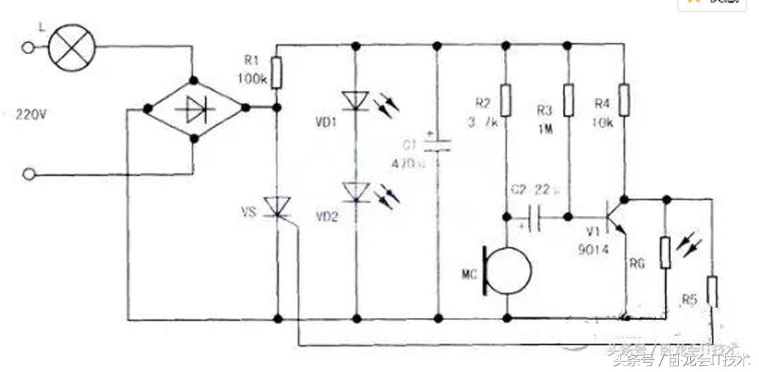
9014制作闪灯电路图(三)
该电路如下图所示,它由电源电路、声控电路、光控电路和延时电路四部分组成。
工作原理:
被控制的对象是普通灯泡(适合100W以下的灯泡),220V交流电与灯泡串联后接整流全桥,经整流全桥后得到脉动直流电,提供给晶闸管vs和控制电路使用。由于脉动直流电压在200V左右则通过R1(150k)降压后提供给控制电路使用,VD1在此具有双重作用,利用它的正向特性稳压,同时利用工作时发光作电源指示灯。C1为滤波电容与VD1配合,为控制电路提供稳定的直流电(约1.5—2V之间)。

控制电路由R2、MC驻极体话筒、C2、R3、R4、VT1(9014三极管)组成。白天或周围环境光线较强时,光敏电阻的阻值约1kΩ左右,由电路可知,光敏电阻与VT1的c、e两极并联,因此VT1的集电极电压始终处于低电位,此时即便有声响,电路也无反应,正好符合了白天不工作的要求。而到了夜晚,光敏电阻的阻值上升到1MΩ左右,对VT1解除了钳位作用,此时VT1处于放大状态,如果无声响,VT1的集电极仍为低电位,晶闸管因无触发电压而关断。当拍手时声音信号被MC接受,驻极体话筒两端电压变小,通过C2影响VT1基极电位下降,使集电极电位上升,触发晶闸管导通(灯亮)。
因为VT1基极电位的下降,导致C2通过R3缓慢的充电,使VT1的基极电位回到原来使VT1正常放大的状态,晶闸管关断,电灯熄灭。
对元器件的要求:整流全桥采用1A600V(或4只1N4007);VS单向晶闸管1A600V;VT1(9013或9014均可);VD1发光二极管(型号不限);RG光敏电阻:亮阻1kΩ左右、暗阻1MΩ左右。
注意:当电路第一次接通电源时,会自动点亮,属正常现象,这是电源接通瞬间产生脉冲电压造成的误触发。另外需要说明的是R4的阻值越小灵敏度越高,如果灯泡无法延时熄灭,一般是由于R4阻值选取过小所至,经实验取10kΩ可以满足一般环境的要求。