1. 聚乙烯和聚氯乙稀绝缘
电线电缆的塑料绝缘一般采用直接挤包或抽真空挤包两种。挤包的绝缘层应紧密均匀的连续包在各种导电线芯上,其挤包厚度应保证工艺规定的塑料厚度。绝缘层的工艺厚度应符合并满足各种电线电缆相应的国家标准(或IEC 标准)中对绝缘层标称厚度的要求。对有导体屏蔽要求的,其挤包的内导电层的厚度应不包括在绝缘层厚度内;测量绝缘层厚度六点的平均值应不小于标称值,而测出绝缘层最薄点值可以低于标称值,但不应小于工艺规定厚度标称值的90%-0.1mm。
2. 绝缘线芯质量要求
绝缘线芯挤包层经水槽冷却后,应经直流火花试验,检验绝缘层是否有质量缺陷,若线芯被击穿则应进行修复。绝缘不得有连续的竹节、波浪及偏芯;绝缘表面应平滑、平整,无疙瘩或塌坑;绝缘层横断面上应没有肉眼可见的气泡、气孔、夹杂和砂眼;塑料绝缘不应有塑化不均匀和焦烧等现象,绝缘线芯内挤制时不得进水,以免影响电气性能,绝缘线芯的识别标志应首尾一致。
3. 护套
(1) 塑料挤出的护套表面应光洁圆整,护套横断面无肉眼可见的气泡、夹杂及砂眼等缺陷,护套挤包层应连续完整,挤包的护套厚度应满足工艺规定的标称厚度。其护套的标称厚度尺寸应符合各种电线电缆相应的国家标准的要求。
(2) 直接挤包在光滑表面的塑料护套,如单芯电缆,不加塑料薄膜绕包带者,其护套的平均厚度应不小于标称值,测出任一点的最小厚度应不小于标称值的85%-0.1mm 。
(3) 直接挤包在非正规圆柱形表面的塑料护套,如在缆芯有绕包带、金属铠装、皱纹金属套上挤包外护套,测出任一点的最小厚度应不小于标称值的80%-0.2mm
(4) 塑料电线电缆的外护套表面,在挤塑过程中,必须进行打印厂名、型号、规格、制造长度、制造年份等永久性的识别标志。。其识别标志的打印方法可采用字轮字块凸字压印在护套上,或采用色带字块热印在护套表面上,或采用油墨喷印,印字要清晰完整连续。
(5) 塑料护套出现缺陷时允许进行修补。
模具是产品定型的装置,是塑料挤出全过程中最后的热压作用装置,其几何形状、结构型式和尺寸,温度高低、压力大小等直接决定制品加工的成败,因此任何挤塑产品模具的设计、选配及其保温措施向来都受到高度重视。在用塑料挤出机挤制电线电缆的绝缘层和护套层时,模具是控制绝缘挤包层厚度的关键。为了使塑料塑化的更好,选配合适的模具非常重要,因此要按挤塑工艺参数及配模公式选择模具。一般电线电缆在选模时,绝缘线芯要选小一些,铠装护套要选大些,这样才能对塑料层表面起到良好的塑化作用,达到工艺规定的要求。

电缆挤出用半挤管式模具的设计
半挤管式模具的设计与挤管式模具的设计基本是一样的,所不同的是:模芯——模嘴部分的长度没有挤管式长,且模嘴应在模套定径区的1/2处;模套——定径区的长度较挤管式模套的定径区稍短。其他参数的设计与挤管式模具的设计是一样的。
总之,设计模具时,除考虑材料、加工、使用寿命外,还应满足下列条件:
①增加模具的压力,使塑料从机筒进入模具后的压力均匀稳定增加,增加塑料的致密性;
②增长模具配合部分的塑料流动通道,使流动中的塑料进一步塑化,从而提高塑料塑化的程度;
③消除模具配合中产生的流动死角,防止塑料在死角中发生老化、产生老胶。

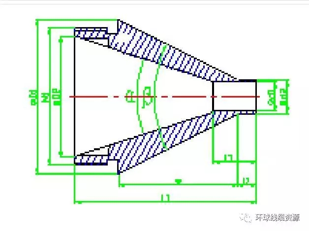
1.挤管式模芯
其结构设计除定径区部分外,其余外形尺寸与挤压式模芯基本相同,现对挤管式模芯定径部分的尺寸设计进行说明。
1)模芯定径区内径Φd1:又叫模芯孔径。
该尺寸根据选用材料的耐磨性、半制品(线芯或缆芯)尺寸的大小及其材质与外径规整程度等进行设计,一般设计为:绝缘时, d1=d线芯+(2~3)mm ;护套时, d1=d线芯+(3~7)mm 。通常,在设计模具规格时,应考虑系列化,将模具尺寸调整成整数。
2)模芯定径区外圆柱直径Φd2:从图8中,我们可以看出d2决定于d1及其壁厚δ,即d2=d1+2δ ,这个壁厚的设计既要考虑到模芯的寿命,又要考虑塑料的拉伸特性及挤包紧密程度等因素,一般都设计为d2=d1+2(0.5~1.5)mm ,即模芯壁厚为0.5~1.5mm 。
3)模芯定径区外圆柱长度l1:该尺寸依照尺寸d1考虑挤出塑料成型特性设计,一般设计为l1=(0.5~1)d1+(1~2)mm 。
4)定径区内圆柱长度l2:该尺寸由加工条件及半制品结构特性所决定。无论如何l2都必须比l1长2~4mm ,主要是保证模芯模嘴部分的强度。

2.挤管式模套
挤管式模套的结构型式与挤压式模套基本相同,如图7所示。所不同之处是其结构尺寸中的模套定径区的直径d3及其长度l3,必须按与其配合的挤管式模芯来设计
1)模套定径区直径d3:该尺寸按挤管式模芯模嘴外圆直径d2、线芯或缆芯外径、挤包塑料厚度等因素来设计。一般设计为d3=d2+2δ厚度+拉伸余量。挤管式模具应用理论基础是塑料的可拉伸性,我们在设计模具时要了解塑料的拉伸特性,利用并控制它。
拉伸比的定义:塑料模口的圆环面积S1与包覆于电缆的圆环面积S2之比。(实际上,拉伸比就是面积转换)
S1=π/4(d 32-d 22)
S2=π/4(d 挤包后2-d 线芯2)
拉伸比K=S1/S2=(d 32-d 22)/(d 挤包后2-d 线芯2)
一般设计时,聚氯乙烯(PVC )的拉伸比取1.2~1.8,聚乙烯(PE )及交联聚乙烯(XLPE )的拉伸比取1.3~2.0。则,模套定径区直径d3=d2+(2+K)δ厚度,K 值根据绝缘和护套的不同,适当调整。由此,可以看出,挤管式模具的适用范围较广。
2)模套定径区长度l3:该尺寸往往根据塑料的成型特性和模芯定径区外圆柱的长度l2而定。一般设计为l3= l2-(1~6)mm ,同时应满足l3=(0.5~1)d3 mm,而且厚度小时取下限,否则,反之。