自动巡检柜是一种数字巡检装置。作用是可以起到防止消防水泵锈蚀、受潮、水泵动作不正常等故障的作用,做到“养兵千日,用兵一时”的目的。
根据公安部消防安全行业标准GA30.2《固定消防给水设备的性能要求和试验方法》之规定,为防止消防水泵锈蚀、受潮、水泵动作不正常等故障,确实做到“养兵千日,用兵一时”的目的,消防水泵必须加装自动巡检装置。

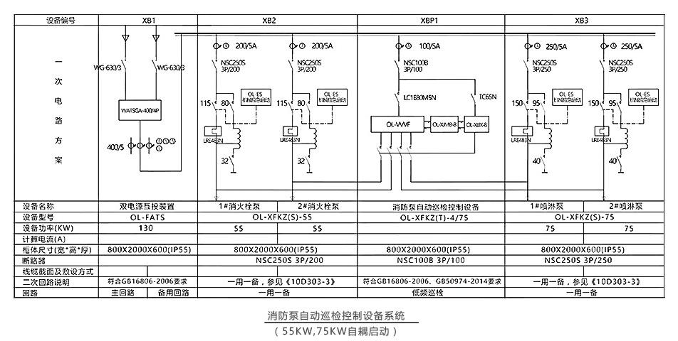
消防泵巡检柜

巡检柜工作原理图
巡检为低频巡检,巡检时电机转速为300转/分,水系统不增压、无启动电流,极大的延长了设备的使用寿命。此巡检方式安全性高、低电流、低功耗,是唯一符合标准要求的公安部行业标准的巡检方式。
如今各类消防给水设备普遍存在一个问题:在建筑物发生火灾时有相当多的消防水泵在接到启动信号后不能启动延误了灭火时机,给国家财产和人民的生命安全造成极大的损失,造成上述现象的主要原因就是消防水泵在平时无灾情是不启动的,大部分企业采买的消防水泵又不是不锈钢材质的,随着时间的推移,在泵房潮湿的环境下,消防泵内部泵轴与叶轮及轴套出现锈死现象。针对上述情况,有必要对消防泵与控制柜进行周期性的巡检,以保持消防泵的机械性能和电气控制柜性能,始终处于良好状态,这种巡检手段可以从根本上解决消防泵锈死的问题,使消防设备养兵千日用兵一时成为真正的现实。
作用:
1:巡检时发生消防会立即停止巡检,瞬时启动消防泵。
2:功能齐全可完成消防主回路及消防水泵的低速无压巡检。
3:具有过电压、过电流、短路、缺相等保护。。
4:巡检时发生故障自动巡检装置会发生声光报警,具有数据记忆功能完成对故障时的瞬态参数记忆,便于维修、分析。
5:可通过界面显示巡检运行参数。
6:具有上位电话报警功能。
7:设备预留RS485通信接口,可完成对楼宇自控的运行状态远传。
8:具有巡检时故障参数打印功能。