直流电机调速大多使用PWM(脉冲宽度调制)方式实现。
PWM调速实际就是改变通断电的时间比例,即:占空比(脉冲宽度)可调的脉冲,从时间上积分以后实现控制电流的大小改变电机的转速。
NE555可以简便的构成直流电机PWM调速器。下面‘机电匠’将向您介绍它的实现原理。

NE555简介
NE555是8脚时基IC,大约在1971年由Signetics Corporation发布,是当时唯一非常快速且商业化的时基IC,之后的40年间被非常普遍地使用,并且被大众延伸出许多的应用电路。
NE555性能特点:
-
仅需简单的电阻、电容便可完成特定的振荡延时功能。延时范围很广从几微秒到几小时都可以实现。
-
它的工作电源范围很大,能方便的与TTL,CMOS等逻辑电路配合,即:它的输入输出电平均能与这些逻辑电路的高低电平匹配。
-
它的输出电流较大,可直接驱动多种自动控制的负载。
-
它的计时精确度高、温度稳定性好,而且价格便宜。

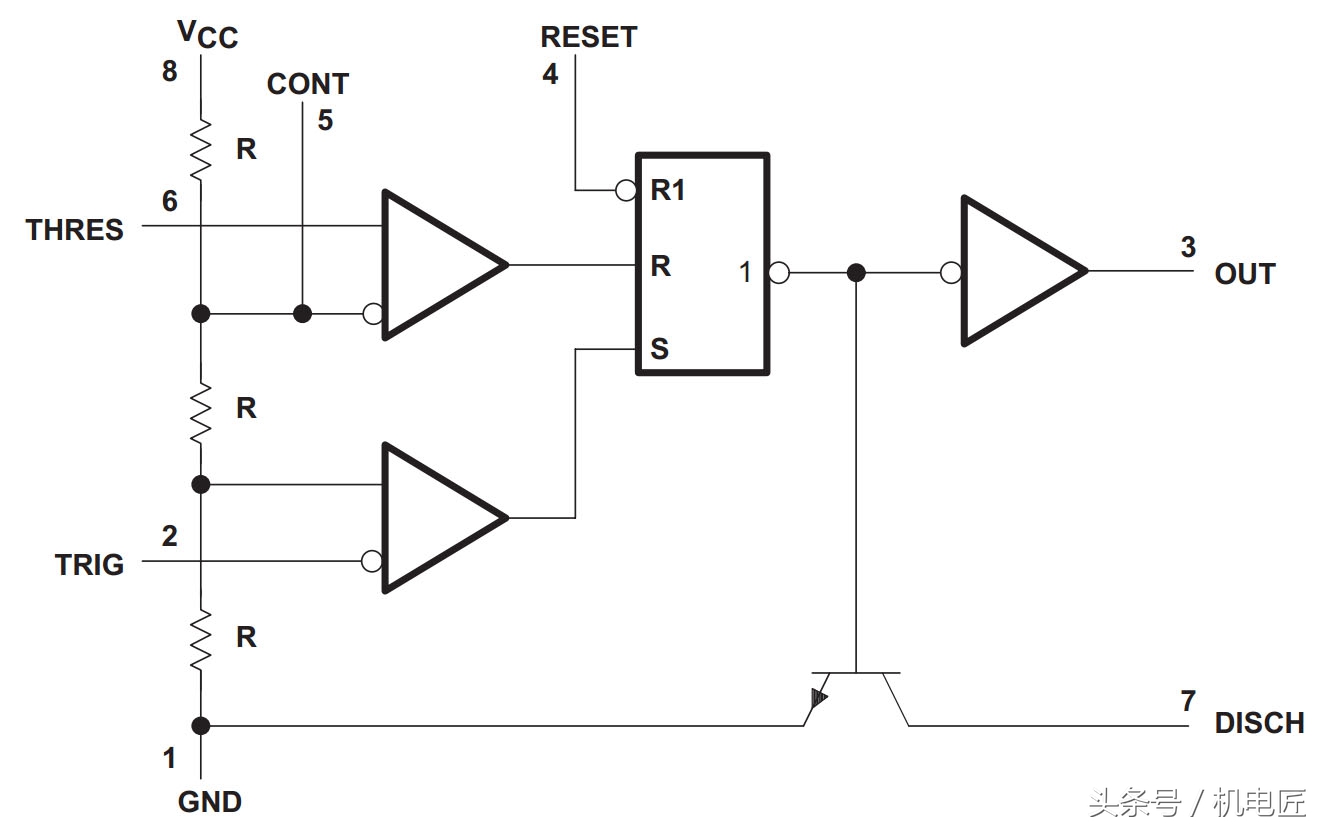
NE555 内部逻辑功能框图
下面将向您介绍NE555构成的直流电机PWM调速器实现原理。
步骤1:间接反馈型无稳态震荡器

NE555 构成的间接反馈型无稳态震荡器
震荡过程:
-
VCC经过RA和RB给C充电,C电压上升到触发电平后触发翻转。
-
触发翻转后7脚放电端对地导通,C通过RB对地放电,C电压下降到复位电平后触发翻转。
-
触发翻转后7脚放电端对地阻断,C通过RA和RB再次充电,回到第1步的动作,周而复始。
电容C充放电时间和频率计算:
-
T1(充电时间)=0.693*(RA+RB)*C
-
T2(放电时间)=0.693*RB*C
-
F(震荡频率)=1.443/(RA+2RB)*C
震荡器用途:
脉冲输出、音响报警、家电控制、电子玩具、检测仪器、电源变换、定时器等。
步骤2:占空比可调的脉冲震荡器

NE555 构成的占空比可调的脉冲震荡器
震荡过程:
-
VCC经过R1和RA'和VD1给C充电,C电压上升到触发电平后触发翻转。
-
触发翻转后7脚放电端对地导通,C通过RB'和VD2和R2对地放电,C电压下降到复位电平后触发翻转。
-
触发翻转后7脚放电端对地阻断,C通过R1和RA'和VD1再次充电,回到第1步的动作,周而复始。
电容C充放电时间和频率计算:
其中RA=R1+RA'、RB=R2+RB’
-
T1(充电时间)=0.693*RA*C
-
T2(放电时间)=0.693*RB*C
-
F(震荡频率)=1.443/(RA+RB)*C
震荡器用途:
同上(步骤1)。
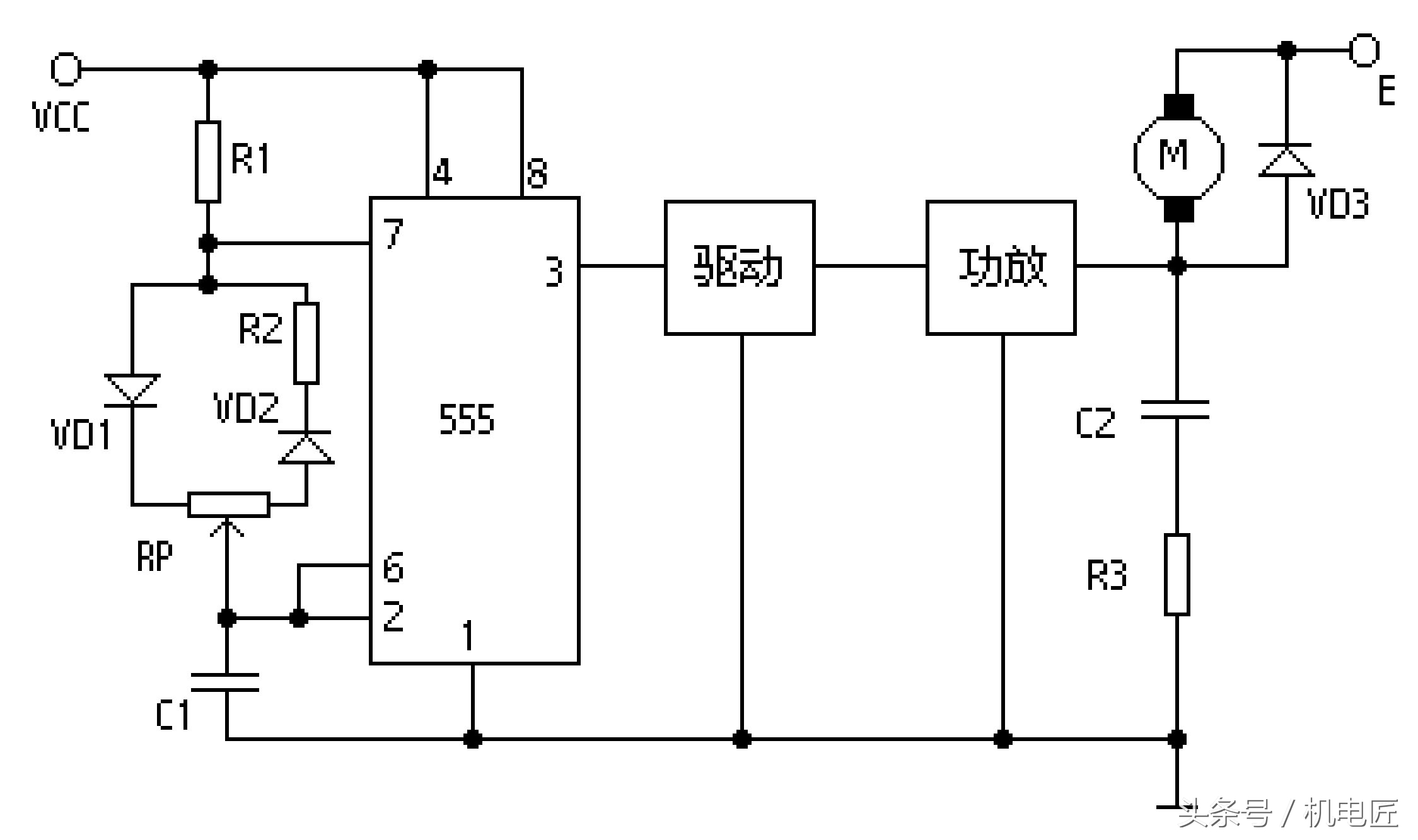
步骤3:直流电机PWM调速器

NE555 构成的直流电机PWM调速器
工作原理:
它是一个占空比可调的脉冲震荡器。电机M是用它的输出脉冲驱动的。
脉冲的占空比越大(导通时间越长),则电机的驱动电流越大,转速快;
脉冲的占空比越小(导通时间越短),则点击的驱动电流越小,转速慢。
因此可以条件RP控制占空比,从而调节电机的转速。
如果电机的工作电流小于200mA,则可以用NE555第3引脚直接驱动;如果电机需要更大的驱动电流,应增加驱动和功放级,以便匹配电机的输出功率。
图中VD3是续流二极管,在功放管截止(关断)期间为电机驱动电流提供通路,既保证驱动电流的连续性,又可以防止电机线圈的自感反向电动势损坏功放管。
图中C2和电阻R3是补偿网络,它可以使负载呈现出电阻性质。
整个电路的脉冲频率在3~5KHz之间;频率太低电机会抖动,太高会因占空比范围太小使得电机调速范围减小。
通过这三个步骤的原理实践,便可构成一个PWM直流电机调速器,有兴趣的您,可以亲自动手试试。
欢迎关注,机电匠,更多机电干货等着你!
作者:小点
素材来源:互联网收集、机电匠汇编整理
------