在进行单片机应用系统开发时,一般先进行硬件开发,再进行软件开发。单片机的硬件开发一般可按下面几个步骤进行。
明确单片机应用系统要实现的功能
在进行单片机开发时,一定要明确开发出来的单片机应用系统需要实现什么样的功能,之后的硬件、软件设计都要围绕着单片机要实现的功能进行。
例如,要开发一个控制发光二极管亮灭的单片机应用系统,具体功能要求如下。
① 采用4个开关控制4只发光二极管。
② 按下某个开关,相应的发光二极管会发光;松开开关,发光二极管会熄灭。
③ 同时按下4个开关,4只发光二极管都亮。
选择单片机型号
明确单片机应用系统要实现的功能后,再选择单片机的种类和型号。单片机的种类很多,如PIC系列单片机、MCS-51系列单片机等,这些单片机又有很多型号,不同型号的单片机结构和功能有所不同,编程时软件指令也有所不同。
在选择单片机型号时,一般应注意以下两点。
① 在功能够用的情况下,考虑性能价格比。有些型号的单片机功能强大,但相应的价格也较高,而选择单片机型号时功能足够即可,不要盲目选用功能强大的单片机。
② 选择自己熟悉的单片机。不同系列的单片机内部硬件结构和软件指令或多或少有些不同,而选择自己熟悉的单片机可以提高开发效率,缩短开发时间。
这里选择Atmel公司的AT89S51型号的单片机,选择的理由除了AT89S51单片机与8051单片机完全兼容(引脚数及功能相同,软件指令也相同,内部结构基本相同)外,AT89S51单片机在市场上也比较容易获得(8051已不生产),另外AT89S51单片机内部的程序存储器采用可反复擦写的EEPROM,这样有利于反复修改程序,而8051单片机内部的程序存储器只能写一次。
设计单片机外围电路
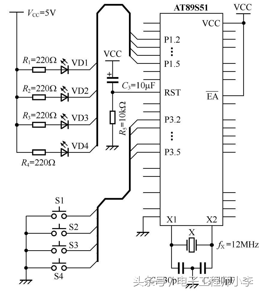
单片机的外围电路主要有基本工作条件电路、输入电路和输出电路。根据单片机要实现的功能设计出来的单片机外围电路如图3-2所示。

图3-2 单片机外围电路
(1)基本工作条件电路
单片机的VCC电源引脚接+5V电源,C3、R5构成复位电路,晶振X和电容C1、C2与内部电路构成时钟电路,这些电路分别为单片机提供电源、复位信号和时钟信号,单片机即开始工作。
(2)输入电路
按键S1~S4构成输入电路。当按下某按键时,单片机相应的输入引脚为低电平;当按键弹起时,相应的输入引脚为高电平。
(3)输出电路
发光二极管VD1~VD4和电阻R1~R4构成单片机的输出电路,其中R1~R4为限流电阻,用于防止流过发光二极管的电流过大而损坏发光二极管。当单片机的某个输出引脚为低电平或高电平时,该引脚外接的发光二极管就会亮或灭。
单片机外围电路设计好后,可以将这些电路做在一块电路板上,为了方便之后的单片机软件开发,可在安装单片机的位置处安装一个40引脚的插座,这样在仿真、编程时可使单片机容易插入和取出。这样制作出来的电路板常称作实验板。