一、说明
1、系统概述
准确了解变压器的运行状态是维护电力系统安全运行的关键。
变压器如存在局部过热或局部放电,故障部位的绝缘油或固体绝缘物将会分解出小分子烃类气体(如CH4、C2H6、C2H4、C2H2等)和其他气体(如H2、CO、CO2等)。上述每种气体在绝缘油中的浓度和油中可燃气体的总浓度(TCG)均可作为变压器内部故障诊断的指标。
GS101H变压器油色谱在线监测系统是上海菲柯特电气科技有限公司严格以国际电工委员会(IEC)标准及中国电力行业变压器油监测国家标准(GB)为试验研发依据,引进国外先进检测技术和高精度检测元器件,并吸收国内外变压器油色谱在线监测系统的现场运行经验,研究开发的新一代变压器油色谱在线监测产品。
GS101H变压器油色谱在线监测系统采用真空与超声波相结合的的油气脱气技术,使用当今国际最新高效复合色谱柱及高精度传感器,可对氢气(H2)、一氧化碳(CO)、甲烷(CH4)、乙烷(C2H6)、乙烯(C2H4)、乙炔(C2H2)或二氧化碳(CO2)七种故障特性气体做出准确分析,并能辅助实现油中微水的在线分析。
使用GS101H变压器油色谱在线监测系统,能及时捕捉到变压器故障信息,科学指导设备运行检修。
2、系统构成:
GS101H型变压器油色谱在线监测系统主要由油气分离器、冷阱、载气调节与控制系统、空气清洁与干燥系统、温度控制系统、油*特中**性故障气体色谱检测单元、故障诊断与数据管理软件(由工控机及操作系统构成)、通讯网络及数据远程控制与访问软件构成。
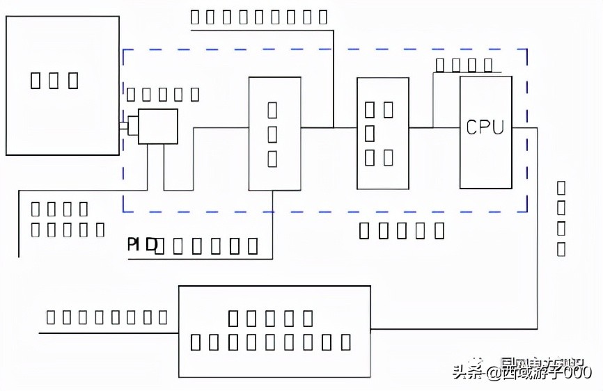
系统工艺流程图:

3、结构与原理:
BSP-2系统数据采集器采用广谱型气相色谱分析基本原理实现变压器油中溶解气体的在线监测。
变压器油经油气分离器,在真空及超声波的激振作用下实现油气分离,冷阱除杂后,故障特性气体被导入定量室。定量室中的混合故障气体在载气的作用下经过色谱柱,色谱柱对不同气体具备不同的亲和作用,故障特性气体被依此分离。气敏传感器按出峰顺序对故障特性气体逐一进行检测,并将故障气体的浓度特性转换成电信号。数据采集器中心CPU对电信号进行转换处理、存储。数据采集器嵌入式工控机经RS485通讯获取本机日常监测原始数据。嵌入式数据分析软件对数据进行分析处理,分别计算出故障气体各组份及总烃含量。后台主控计算机故障诊断专家系统对变压器油色谱数据进行综合分析诊断,实现变压器故障的在线监测分析。数据采集器可就地多路输出无源触点式报警信号直接进入用户自控系统。
单台数据采集器采集分析获得的变压器油运行状态数据经局域网交换机上传至系统后台主控计算机。数据经系统专用综合分析与故障诊断软件处理,实现报表、数据趋势分析、故障诊断与报警、TCP/IP方式数据远程传输与控制等系统功能,并形成由后台主控计算机统一控制的变压站网络式变压器油色谱在线监测系统。
油中微水检测通过专业的外置微水在线检测装置实现,并将检测数据导入油色谱在线监测数据库,实现变压器运行状态的综合诊断。
注:微水检测属于系统选配功能,应用户要求方可配置。
3.1油气分离器:
油气分离器是构成变压器油色谱在线监测系统的重要部件。在真空及超声波的激振作用下,实现油中故障特性气体与油的彻底分离。
3.2 冷阱:
真空脱气分离出来的故障气体中混合有油气挥发份,是油*特中**性故障气体色谱检测单元的主要污染源。为保证色谱检测单元的性能,本系统专门设计的冷阱除油装置(专利技术),彻底将C3以上碳氢化合物冷凝,实现系统的全寿命免维护。
3.3 数据处理器:
数据处理器是监测系统的关键部件,承担数据采集器监测的全过程控制任务。它由油*特中**性故障气体色谱检测单元、载气稳压稳流控制系统、数字恒温系统及中心控制CPU等共同组成。
油*特中**性故障气体色谱检测单元由单一气相色谱柱、气敏与红外传感器,通过载气线路相连而形成,是实现系统数据检测的一次主器件。
载气恒压稳流控制系统确保系统运行过程中的压力和流量稳定,是实现系统稳定检测的前提。
数字恒温系统由油温控制、色谱柱柱温控制、冷阱温度控制等共同组成。恒温系统通过复数备份式温度传感器,将采集到的温度信号传送至中心CPU模块,由中心CPU单片机控制程序实现系统温度的恒温控制。
中心控制CPU实现数据的自动检测、数据储存与转换。数据采集器色谱检测单元通过I/O模块与CPU模块相连,CPU微处理机内置在线监测程序,自动控制数据采集器运行。CPU模块对内置存储器定时自动刷新,保存近期监测气体数据,实现系统定期自检。
在结构上,数据采集器主面板由运行面板和电源面板两部分组成;运行面板包括:运行状态指示、压力指示和温度控制。请参看运行面板图、电源面板图及说明。
另外,数据采集器的油循环进出连接口、载气进口与载气排空口、通讯与主电源接口,都嵌接在数据采集器的箱体内。

数据采集器运行面板图
运行面板说明:
运行灯(Running):表示AC220V主电源对电路主板供电正常。日常运行保持常开状态。
控制灯(Contolling):DC24V控制电源供电正常。日常运行保持常开状态。
监测灯(Monitoring):DC5V采样供电电源正常。日常运行保持常开状态。
采样指示(Sample):数据采集过程中启动,闪烁。时间约20分钟,其它时间处于常闭状态。
吹扫指示(Purging):周期采样启动后保持常开,整个采样结束则关闭。
通讯指示(Comm):系统通讯进程指示。系统数据上传过程中闪烁,日常保持常闭状态。
恒温A指示(Heat A):柱温恒定指示。日常交替闪烁。
恒温B指示(Heat B):油温恒定指示。日常交替闪烁。
压力(Pressure):氮气瓶压力大于5KG/cm2保持常开。
柱温控制器(COLUMN TEMP):控制并恒定色谱柱的气体分离温度,温度漂移小于0.5℃。主显示为:绿色显示为实时温度值;红色显示为设定温度值。
油温控制器(OIL TEMP):控制并恒定油室中变压器油的温度,温度漂移小于0.5℃。主显示为:绿色显示为实时温度值;红色显示为设定温度值。

数据采集器电源面板图
电源面板说明:
开/关(ON/OFF):数据采集器主电源启动按钮。压入为启动主电源。
电源(POWER):数据采集器供电状态指示。日常运行保持常开状态。
保险(FUSE):AC220V电源保护。保险正常则启动开关电源指示灯亮。
3.4 通信控制、专家自动诊断与数据远程传输查询:
通信控制通过采用RS485、TCP/IP方式实现,实现现场数据采集器与主控室计算机的通信连接,完成监测系统日常检测功能。
专家自动诊断系统软件运行环境为Windows2000/XP ,管理人员不需要对主控计算机与系统设备进行日常操作,即可自动完成数据采集,实现故障气体数据的趋势、增益分析分析;自动生成日报表、历史数据报表;具备报警设置功能,同时支持监测数据的远程查询服务。
BSP-2变压器油气在线监测网络查询软件主要由主控软件包、网络设置组成。
4、系统技术指标和特点:
4.1系统特点:
4.2.1采用单一高性能色谱柱、气敏传感器实现H2、CO、CH4、C2H6、C2H4、C2H2六种油中溶解故障气体的检测,独立的CO2、O2监测传感技术实现CO2、O2的监测,解决了实验室色谱分析技术现场化过程中,由于采用双色谱柱、双传感器的双回路设计造成结构复杂,配套设施多,对运行环境要求高的难题,简明优化检测回路与检测工艺,解决了系统泄露、数据易飘移等异常,提高了系统检测可靠性、稳定性
4.2.2真空与超声波脱气技术实现油气分离,冷阱设计可彻底隔离了油气污染,避免色谱柱、传感器毒化,确保了检测性能,有利确保和提高系统检测寿命,实现了现场设备全寿命免维护。
4.2.3变压器油闭路循环与电磁激振技术不但加快了油气的分离速度,同时也确保了被检测油样的活性。
4.2.4系统数据处理软件实现日常自动检测,数据自动上传和故障自动诊断;实现故障气体特性曲线的自动捕峰和出峰分段增益,系统监测精度高。
4.2.5系统数据通讯支持TCP/IP网络协议,可实现远程检测诊断和数据远程浏览访问。
4.2.6系统通讯模式支持RS485、TCP/IP模式。
4.2.7系统软件采用国际通用IEC标准实现故障的自动诊断。
4.2系统技术指标:
|
项 目 |
内 容 |
|
检测原理 |
检测H2、CO、CH4、C2H6、C2H2、C2H4或CO2、O2,可配套检测微水 |
|
脱气方法 |
真空与超声波脱气 |
|
分离方法 |
专用单一色谱柱 |
|
检测方式 |
专用单一气敏传感器 |
|
进样方式 |
数字自动定量进样 |
|
温度控制 |
双回路恒温控制 |
|
数据采集 |
可调电路设计,自动捕峰和出峰分段增益 |
|
通信方式 |
RS485、TCP/IP、GPRS |
|
网络协议 |
支持TCP/IP网络协议,支持远程监测与远程维护 |
|
显示方式 |
报表/趋势图/增量分析,数据可并入用户监控网络 |
|
显示内容 |
H2、CO、CO2、CH4、C2H6、C2H2、C2H4、O2、TCG |
|
报警方式 |
任意设定浓度、增量报警值;声/光报警;报警信号就地远传 |
|
分析周期 |
系统默认24小时/次,最小2小时,由用户设定 |
|
数据存储 |
20年 |
|
控温精度 |
±0.1℃ |
|
环境温度 |
-40℃~+85℃ |
|
相对湿度 |
5-95%,无冷凝 |
|
最大日温差 |
30℃ |
|
日照强度 |
1kW/m2(风速0.5m/s) |
|
污秽等级 |
外绝缘爬电比距25mm/kv |
|
覆冰厚度 |
20mm(风速不大于15m/s时) |
|
工作电源 |
交流220V±10%,50Hz |
|
载气 |
99.999%氮气,压力0.12-0.25Mpa |
|
安装尺寸 |
800(长)×550(宽)×1400(高)mm |
|
抗振动 |
5-17Hz,0.1" 双峰位移;17-640Hz,1.5G峰-峰加速度 |
|
抗冲击 |
加速度:10G峰-峰 |
5、运行使用
注:GS101H型变压器油色谱在线监测系统现场数据采集器即可实现变压器油色谱的在线监测。数据采集器可为用户自行系统提供数据,也可与后台专用主控计算机控制程序组成系统,实现变压器油色日常运行检测。.
GS101H型变压器油色谱在线监测系统现场设备安装完成,主控计算机就位后,将现场通讯总线连接到主控计算机,系统即可投入正常运行。
5.1初始安装运行:
5.1.1软件安装与监测系统的建立:
启动主控计算机,参照软件使用说明软件安装程序和设备监控管理章节,完成软件安装与建立现场监控系统。
5.1.2启动现场设备主电源对现场前端设备送电:
送电后数据处理器运行电源、AC220V交流电源、控制电源、监测电源四指示灯处于常亮状态,恒温控制指示灯闪烁,约30分钟后温度至系统恒温值,恒温控制指示灯处于开闭交替状态,确保系统温度恒定。
5.1.3通讯连接:
确定现场数据采集器送电状态正常后,进入主控计算机软件主界面操作程序,此时系统软件监控系统未与现场设备通讯,现场前端设备处于待运状态,根据用户采用的不同通讯方式,将现场设备与控制软件连接起来,实现通讯初始化,使现场设备投入正常运行。通过以上操作现场设备与控制分析软件形成网络式系统。
5.1.4系统运行:
在系统的初始化设定中,用户可以结合实际情况进行采样时间的设定。数据自动采集、分析的时间间隔,系统默认为每24小时/次。用户可以根据具体情况进行选择设置。初始安装运行可点击采样开始键实现随机采样。变压器油色谱在线监测系统从开始启动采样到完成数据处理与故障自动诊断的全过程需耗时约40分钟。后台工作站可随时进行数据上传,实现数据的查询和调用。
5.2系统运行时,软件与现场设备工作流程指示:
执行系统日常自动运行时,如定义每天的采样时间为上午10点,系统在10点整实现主控计算机与现场设备时间校正,现场前端数据采集器开始下述监测流程。数据采集器完成数据采集后即开始数据的自动上传。11点整采样流程结束,此时系统重新进入下一个日常采样循环。
5.3系统日常监测运行:
GS101H型变压器油色谱在线监测系统不需要管理人员对主控计算机与仪器进行日常操作,即可实现数据自动采集,完成故障气体数据的趋势分析、自动生成日报表、历史数据报表等功能。日常数据的查询分析请参考软件使用说明的相关章节。
6、系统日常维护:
注:建议用户为系统建立专业性日常维护规程。
6.1建议与要求:
6.1.1 GS101H型变压器油色谱在线监测系统由现场数据采集器及上位机管理控制软件构成一个统一的整体,其中任何一个部分出现异常(软件运行程序关闭、断电、连接件异常等),系统将无法实现正常运行。
6.1.2建议本计算机为BSP-2系*独统**立运行机组,不要安装其他控制系统,以免危及本监测系统安全运行。
6.1.3不得在本计算机上上网、玩游戏等其他不相关的工作、娱乐,以免影响系统的正常工作。
6.1.4日常系统运行的实现可通过用户自行设定用户名和密码。系统进入运行程序界面后,如上下位机连接不正常,变压器图标与主通讯线的连接线将显红色,此时应点击该变压器左侧的启动键将系统连接正常,连接线将自动转变成绿色。如无法连接请检查下位机是否断电。如出现无法解决的问题,请联系供应商技术人员。
6.1.5计算机机出现操作系统异常,无法实现正常工作,请将c:/program files/BSP-2文件夹中的文件夹备份,以便系统恢复时使用。
6.1.6系统恢复应首先在删除/添加程序下删除软件运行程序,程序删除后在桌面的“油色谱”文件夹中进入“SOFT”文件夹,执行SETUP即可按提示进行软件系统的安装。安装完成后,请将“6.1.5”中备份的文件覆盖到c:/program files/BSP-2文件夹中,系统即可实现正常运行。
6.2日常检查与维护:
6.2.1检查系统运行程序是否处于正常运行状态。正常运行状态是指运行程序未被不正常关闭、系统上下位机连接正常,是否能正常实现日常检测(实现正常日常检测就是能获得正常的日常监测数据)等。
6.2.2检查各现场数据采集器是否供电正常(供电正常指:主电源、220V交流电源、24V直流电源指示灯处于常开状态)。
6.2.3检查现场数据采集器与变压器连接处是否有泄漏异常。
6.2.4检查各压力指示是否正常。压力指示分别为:减压器气瓶总压力指示应在5.okg/cm2以上,如低于该压力需及时更换新的氮气;一级减压后,调试时已将压力设定在3.0-5.0kg/cm2范围内,无能是否更换氮气,此压力范围应保持不变。二级减压指示指的是数据采集器上的压力表指示,此压力应在1.0-2.0kg/cm2,调试完毕后,此压力不允许再次调节,否则将影响系统正常运行。
6.2.5氮气更换。更换氮气请关闭氮气瓶总阀。总阀关闭后,卸下一级减压阀出口的不锈钢连接管并放空压力,然后卸下减压器。新氮气到位后,装好减压器,将不锈钢连接到一级减压阀出口,按本节“6.2.4”的要求调节好压力即可。
7、常见问题:
7.1系统死机、断电后的处理:
现场设备在数据采集之前发生死机、断电等问题时,只需重新启动系统,并运行本监控系统,即可恢复检测,基本对本系统没有影响。如果现场设备次数据采集之前出现以上异常,故障又不能在下次采集之间排除,系统将少采集一次日常监测数据,对系统的稳定性不产生影响。
7.2无法监测数据的处理:
检查RS485是否正常供电,是否有损伤;
通讯系统是否存在断线等异常;
现场设备是否损坏或出现断电等异常;
检查计算机系统设备参数设置。
如无法解决,请及时与供应商联系。
7.3无报表打印响应:
打印设备驱动程序是否正确;
打印设备电源是正常;
更新office操作系统。
二、安装说明
1、在进行系统安装前请仔细了解以下内容
1.1确保系统现场数据采集器周围无强热源。
1.2系统使用电源为公共电网标准电源。如中华人民共和国境内使用的标准220V /50Hz交流电源。
1.3现场数据采集器供电应采用独立电源或使用变压器数据检测系统公用电源、风冷电机电源等。不得使用照明、检修电源。
1.4系统后台工作站(工控机)电源应采用UPS不间断电源。通讯供电应与工作站电源处于同一回路。
1.5遇到下列情况时,请在切断系统电源后与生产商专业技术人员联系:
1)、液体溅入数据采集器内或主控计算机工作站内;
2)、系统通电状态下无法实现监测引导;
3)、外部油循环管路意外损坏;
4)、系统检测性能出现异常。
1.6后台工作站应为系统专用,不得在本工作站上安装其它任何软件,以免发生冲突。
1.7不得在工作站上玩游戏、浏览网页等,以免影响系统正常运行。
1.8 1H型变压器油色谱在线监测系统通过标准RS-485接口、TCP/IP或GPRS 实现通讯功能。
1.9 BSP-2系统分析管理软件(运行环境为Windows2000/XP)不需要管理人员对后台工作站与仪器进行日常操作,即可自动完成数据采集,实现故障特性气体数据的趋势、增益分析;自动生成日报表、历史数据报表;具备报警设置和数据远程浏览查询功能。
2、系统标准配置:
2.1 01H型变压器油色谱在线监测系统数据处理器1台。
2.2主控计算机(工控机)及辅助设备,每个项目配置1套。
注:单台订购本公司不提供工控机。
2.3 GS101H型变压器油色谱在线监测系统分析管理软件(CD)1张。
2.4 产品说明书1套。
2.5 氮气减压器、连接管线及连接件1套。
2.6 通讯电缆,标准长度:305M。
2.7 动力电缆(3×1.0mm铠装屏蔽动力电缆),标准长度:20M。
2.8 油循环连接法兰及连接件1套,油管长度按现场实际测量距离确定。
2.9 通讯模块及备件1套。
2.10 载气:高纯度氮气(99.999%),10升/瓶装2瓶
3、安装要求:
GS101H型变压器油色谱在线监测系统的安装主要涉及四个部分:
3.1 变压器油循环进出口的确定与安装件制作:
由于不同厂家、不同型号、不同电压等级的变压器对油取样口的不同设计,用户在订购本监测系统后,需向供应商提供以下信息:
3.1.1 用户希望采用的油循环模式:同口油循环或异口油循环(参见附图1:系统油循环示意图);
3.1.2 油循环口连接件尺寸图;
3.1.3 油循环口离变压器油池卵石的垂直距离及油循环口与数据采集器的布管距离。
以上内容也可在供应商技术人员现场实际考查后与用户协调确定。
3.2现场安装位置的确定与安装地基的浇注:
3.2.1请参照“附图1:安装示意图”确定安装位置并浇注安装地基。
3.2.2系统现场设备具体尺寸及重量:
数据采集器:800mm×550mm×1400mm,净重:180Kg。
数据采集器一般选择安装在变压器电力柜侧,与电力柜同列。
3.2.3安装地基用混凝土浇注,厚度100mm。按地基浇注尺寸图预埋地角固定螺丝。
3.2.4确定数据采集器取电位置并提供取电点到数据采集器安装位置的布线距离(见附图2:系统示意图,红色线条所示)。
3.2.4数据采集器工作电源为:交流电源220V/5A。
3.3 确定系统主控计算机的安置位置:
供应商仅按项目提供1套主控计算机,不提供室内电力标准柜。监测系统主控计算机一般安置在电厂或变电站主控室内,其安装位置要求:
3.3.1有为计算机及通讯模块提供独立220V交流电源的UPS电源。
3.3.2具备本主控机连接用户局域网的便利网络接口。
3.3.3确定主控计算机至数据采集器之间的布线距离(见附图2:系统示意图,绿色线条所示)。
3.4 通讯电缆与油循环管的铺设:
3.4.1通讯电缆的铺设参见系统示意图。铺设通讯电缆需保证进出线两侧的预留长度
在10M左右,以备用。通讯电缆在电缆沟线架上需固定,避免电缆划伤、拉断。
3.4.2 油循环管(见附图2:系统示意图,蓝色线条所示)采用镀锌管进行保护以免压坏损伤。油管两侧出口预留长度保持在1M左右,以备用。油管铺设完成后应对油管出入口进行密封,以防杂物进入。
4、变压器信息:
将仪器安装到变压器上之前,用户应向供应商提供以下变压器信息:
4.1 安装地点名称:包括变电站地址、设备编号;
4.2 技术协助人员联系方式:包括检修、运行及其它相关人员的联系方式;
4.3 变压器型号、容量;
4.4 变压器制造、安装时间;
4.5 变压器油类型、变压器油总量;
4.6 有关变压器故障检修原因、内容及效果信息;
4.7 在运变压器提供一年内的油色谱数据,新装变压器提供出厂油色谱数据;
4.8 现场气候信息:包括环境的最高、最低温度;湿度与降水状况;变压器油运行最高、最低温度等。
5、系统安装:
注:为保证GS101H型变压器油色谱在线监测系统性能的正常,请严格按下面的程序操作。
5.1 开箱检查:
用户在收到GS101H型变压器油色谱在线监测系统后,请及时检查是否有因运输而造成的任何潜在损坏。详细地检查产品并核对与产品一同运输的装箱清单上列出的所有设备,填写设备验收保修单。如果有任何与装箱清单内容不符,请立即与供应商联系。
5.2数据采集器安装:
5.2.1 将数据处理器固定在事先确定的安装位置。
5.2.2 将氮气瓶固定在瓶体安装位置。
5.3 循环油路连接:
5.3.1 将按用户图纸制作的油循环口加工件分别装配变压器油循环进出口上。
5.3.2 预埋油循环管保护导管。保护导管一般采用φ60mm镀锌管。为防止保护导管妨碍变压器的其它现场作业,保护导管应预埋至油池底部并两端加固。其两端口分别在变压器取样侧和数据采集器油循环口处。
5.3.3 油循环管由两根φ6×1.0mm的无缝紫铜管组成。将其中一根油循环管的变压器侧端口连接在变压器油取样出口上,另一端口连接在数据采集器油循环进口上。将另一根油循环管数据采集器侧端口连接在数据采集器油循环出口上。
5.3.4 在有运行人员监护和许可的前提下,缓慢打开变压器油取样出口处阀门。此时,变压器侧未连接的油循环管接口将有空气与变压器油的混合物流出,逐步打开取样出口阀门直至全开状态。待未接油循环接口无气体溢出时,将该接口对接在变压器取样进口上并全开取样进口阀门。此时变压器油与数据采集器油室间的油闭路循环系统即形成。
5.4 载气连接:
注:系统必须使用纯度为99.999%的氮气!任何低纯度氮气将降低系统寿命,影响检测精度!
5.4.1 监测系统需要使用气相色谱级高纯氮。
5.4.2 确认氮气减压阀调节手柄处于松弛状态后,将减压阀牢固地安装到气瓶上。
5.4.3 减压阀检漏。将随机提供的接头连接到减压阀出口,并密封减压器出口。缓慢打开气瓶总阀门,此时总表压力(一级压力表)应在130-150Kg/cm2。缓慢调节调节柄,将二级压力表的压力调节在3.0-4.0 Kg/cm2之间。关闭气瓶总阀,退出减压器调节柄,等待1小时后,两指示表压力无变化视为减压器工作正常,无泄露。
5.4.4 将标配φ3mm不锈钢管连接在减压器出口上,调节减压器调节柄进行管线吹扫,10秒钟后关闭气瓶阀门,退出减压阀调节柄。将气管另一端连接到数据处理器机箱底部的载气进口接头上。
注:所有的连接应保证管路的气密性,不可有漏气现象发生。
5.5 动力电缆的连接:
系统数据采集器应采用独立电源供电或使用所安装变压器数据检测系统共用电源、风冷电机电源等。数据采集器总功耗不大于1000VA。将动力电缆从取电点铺设至数据采集器接线盒电源端子排处。
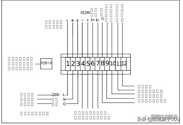
数据采集器的主电源由3×1.5mm屏蔽电缆直接接入接线盒。数据采集器主电源的连接请参照“采集器接线端子图”进行。

数据采集器接线端子图
注:1、电源接入时必须确定电缆处于无电状态,BSP-2数据处理器开关处于OFF状态,以保护工作人员及仪器的安全。
2、采集器接线盒接线端子图中微水、DC24V接线口专为系统配置的微水在线监测仪表提供。如系统配置此仪表,微水接线直接从油循环保护管穿线至变压器油出口处。
数据采集器接线端子色标说明
|
1 |
2 |
3 |
4 |
5 |
6 |
7 |
8 |
9 |
10 |
11 |
12 |
|
棕 |
蓝 |
黄绿 |
黑 |
红 |
黄 |
白 |
灰 |
橙 |
绿 |
蓝 |
棕 |
|
火 线 |
零 线 |
地 线 |
24V负(微水) |
24V正(微水) |
微水信号正极 |
微水信号负极 |
G |
K1 |
K2 |
K3 |
K4 |
数据采集器主电源电缆色标说明
|
1 |
棕色 |
L |
|
2 |
蓝色 |
N |
|
3 |
黄绿 |
G |
微水检测接线色标说明
|
5 |
黑色 |
DC24V |
- |
|
6 |
红色 |
DC24V |
+ |
|
7 |
黄色 |
微水信号 |
S+ |
|
8 |
白色 |
微水信号 |
S- |
5.6主控计算机就位与通讯电缆连接:
5.6.1主控计算机应安置在具有UPS电源与适合连接用户局域网的位置。一般情况下,应安装在变压器运行主控室内。
5.6.2采用RS485、TCP/IP通讯模式控制的系统,需铺设主控计算机至现场数据采集器之间的通讯电缆。电缆铺设应注意防止拉断、刮伤等,并应将通讯电缆固定在电缆沟信号电缆层桥架上。5.6.3在主控计算机上安装系统操作程序(安装请参照“软件说明书” ),使主控计算机处于预工作状态。
5.6.4现场通讯电缆连接:
数据采集器的通讯由2×2×0.4mm屏蔽双绞通讯电缆或网络通讯向直接接入采集器接线盒。采用RS485通讯的系统其通讯电缆色标为:
通讯电缆色标
|
9 |
绿色 |
RS-485 B |
RS- |
- |
|
10 |
橙色 |
RS-485 A |
RS+ |
+ |
采用TCP/IP通讯模式的系统,可直接将网络线接头接入接线盒TCP/IP 插口。
6、系统调试:
6.1 现场设备安装完毕,主控计算机运行正常,经系统检查无异常后,可进入进行系统调试阶段。
6.2 对数据采集器送电。
6.3 打开载气瓶总阀门,调节减压阀调节柄,使减压器二级表压力在0.3-0.40Mpa左右。
6.4 检查BSP-2数据采集器面板压力,压力表指示值应在0.15-0.2Mpa左右。
6.5 实现数据采集器与主控计算机间的通讯连接。调用调试程序,使系统进入载气管路置换清扫过程。总共需耗时30分钟。
6.6 油路、气路检漏。系统正常运行必须保证全系统无泄露。
6.7 退出调试程序。使系统进入正式采样运行。
附件1:氮气技术要求
高纯氮的技术指标应符合下表要求:
|
项 目 |
指 标 |
|
氮纯度, 10-2 |
≥99.999 |
|
氧含量, 10-6 |
≤ 3 |
|
氢含量, 10-6 |
≤ 1 |
|
一氧化碳、二氧化碳及甲烷总含量,10-6 |
≤ 3 |
|
水份含量,10-6 |
≤ 5 |
注:①表中纯度和含量均以体积分数表示(V/V)。
②纯度中包含微量惰性气体气体氦、氩、氖。
③表中氩含量未扣除水份含量。
④与GB/T8980-1996高纯氮中合格品相一致。
附件2:现场安装要求
01H变压器油色谱在线系统安装说明
GS101H型变压器油色谱在线监测系统,在设备进入安装现场前1个月内,供应商将安排专业技术人员对安装现场进行实地勘察、测量,协同用户做好以下工作:
1、确定油色谱取油口并测量油口法兰尺寸;
2、确定现场数据采集器安装位置;
3、确定油循环管、通讯线路走向并测量距离;
4、确定现场数据采集器取电位置及取电距离;
5、确定后台控制机安装位置;
6、供应商按上述内容为用户提供专用安装文件及安装图纸。
一、安装前期工作:
1、由用户按安装文件及图纸要求浇注安装地基。
2、供应商按用户现场安装法兰尺寸完成法兰图纸并加工安装法兰。
二、现场安装的实施:
01H型变压器油色谱在线监测系统现场安装工作,在用户的监护协助下,按下述两步骤进行:
1、现场协作与设备就位:
1)、将数据采集器固定在安装位置;
2)、预埋油循环保护管并完成油循环管的铺设;
3)、铺设数据采集器主电源电缆;
4)、铺设通讯电缆。
以上操作均应在用户土建、设备管理专业技术人员的监护与协助下完成。
2、连接调试:
1)、完成现场气路、油循环管线的连接并检漏;
2)、完成现场数据采集器电源的连接;
3)、安装控制机并确定其供电与网络连接方式并完成连接;
4)、安装系统软件,系统具备调试条件;
5)、系统联机调试。
以上操作均应在用户电气专业技术人员、网控技术人员的监护下,由供应商安装技术独立完成。
三、以上工作内容均可在变压器运行状态(可带电作业)进行,不影响变压器的正常工作。
附图1:相关安装示意图

油循环示意图

系统现场设备安装总图
附图2:系统示意图

型变压器油色谱在线监测系统现场运行示图
