1.概述
AMD2.0是一种新型的用于中、高任务场合的门驱动系统,从外表看,除了变压器、马达和皮带*大轮**一点外,它与驱动系统1几乎没有什么区别。
1.1技术特点:
•马达采用是三相交流永磁同步马达,
•线性齿带驱动机构
•全机械门刀
•电气控制的关门力限制器关门限制力的调节可通过一电位计进行
•连续位置及速度反馈
•关门到位开关
•具有自学习功能,调校简单.
•单相主电源的电压范围为110-416VAC,控制柜内的保险丝容量 取决于主电源电压(110V/6A,230V/4A,415V/2A)

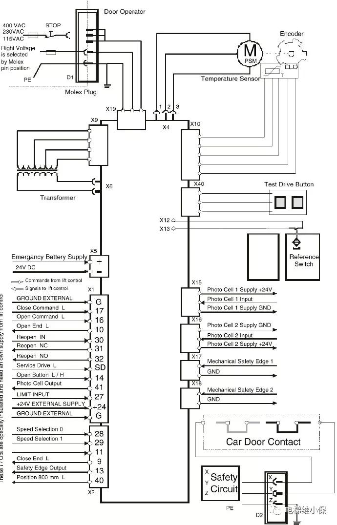
1.2 门机控制板介绍

1.3 信号
控制信号输入:
(17)关门命令,低压有效。门以较小的力保持完全关闭状态
(16)开门命令,低压有效。门以较小的力压在缓冲器上保持完全打开状态
(27)有限开门,低压有效。与开门命令一起使门只开到800位置(端子40变低)
(SD)检修运行,低压有效。电梯处于检修运行模式时,该信号使开关门按钮有效
(28)选速1。电梯可选功能,用于选择门机速度水平(选速后需重新自学习?)
(29)选速2。电梯可选功能,用于选择门机速度水平(选速后需重新自学习?)
(11)强迫关门,低压有效。以较慢的速度关门,重新开门设备无效
(G)GND -/24VDC
安全信号输入:(在不采用这些输入时,应用DIP开关短接)
(14)开门按钮,低压有效。响应重新开门请求(输出端子31或32)
(X15/2)光电1输入,低压有效。当关门只剩下50mm时,门控制板使其失效
(X16/2)光电2输入,低压有效。当关门只剩下50mm时,门控制板使其失效
(X17)安全触板1输入,低压有效
(X18)安全触板2输入,低压有效
(30)重新开门输入,一般接至-/24V.是NC(31)和NO(32)接点的公共端(见原理接线图的S2)
输出信号:
(9)关门极限,低压有效。到达完全关闭位置前10mm有效
(10)开门极限,低压有效。到达完全打开位置前10mm有效
(41)光电输出,高压有效。光电光束被挡时有效
(13)安全触板输出,高压有效。安全触板检测到障碍物时。
(40)800位置信号,低压有效。开门距³800mm。
(31)重新开门常闭触点,高压有效。(由关门限力器或开门按钮产生)
(32)重新开门常开触点,高压有效。(由关门限力器或开门按钮产生)

1.4 门机板电气线路图

1.5 门机控制板监测
门机控制板可以监测由电气导致的死机和重置故障
电器短路
门电机编码器短路、开路或信号丢失
程序故障
低电压保护故障(低于18VDC)
由于机械阻力过大或马达线圈损坏导致转子无法找到角度
门机性能下降
门机马达和电源温度监测
直流供电电源低(小于24伏DC)
位置参考开关失效(总是处于开或者关)
过电压保护
进线电压自动检测
当送电时,门机板会自动检测进线交流电压,通过开关选择适当的变压器绕组
2. 门机调试
2.1 检查线缆连接


2.2 门机控制板DIP开关设置
根据轿门安全保护装置的配置、接线设置DIP开关1~4,例如:光幕的接收端(带有光幕输出信号)插头是插在X15插座端口位置,则应将DIP开关1拨到OFF位置,其余未对应接入门保护信号的开关应设置为ON。
通过操作门头上的检修开关门按钮,观察轿门开关门过程,检查门机电子板的速度,在SP1-SP4中选择不同的开关门速度(将DIP开关5~6拨至对应的位置),如果可以,选择较低速度,并调整温和的加速、减速,以降低噪音。附图是开关设置与速度SP的对应关系。

2.3 门机板软件及用户通讯接口
AMD2.0门机板有一个串行通信端口来观察或修改储存在板上的数据参数。一些数据(例如门机速度和加速度的值)在送电时由EEPROM读出,保存在内存中,即使断电也不会丢失。
通过门机控制板软件可以实现:
寻找马达的方向、记住位置开关、重启参数、参数覆盖
计数器记录开关门、重开门、门机重置或送点、电源温度等事件数量记录
保存数据:轿门的宽度、位置开关的偏差、POS-800信号点的位置、爬行速度开始的位置、自学习的速度、可选择的不同速度曲线数据
设置最大开关门速度(速度4)有关的参数值
保存故障记录:发生的故障、最新故障、过流、位置开关错误、外力造成的停顿
观察各功能软件的状态
2.4 门机故障排除
门一直没有动作
检查电源输入,POWER灯是否亮;检查马达接线(X4插头);检查开、关门命令是否正常;检查外接24伏电源;如果门机板状态灯闪烁,手动移动轿门检查是否有机械阻挡;检查WATCHDOG灯,如闪烁则断电送电或者换板
门不开----检查关门命令是否处于有效,关门命令权限大于开门命令;厅门锁是否打开
门不关----检查关门命令是否处于有效,关门力矩设定过小或阻力太大
门只有部分开、关动作----检查来自控制系统的开、关门信号(看灯)维持是否足够长
没有重开门:当需要重开门时,控制系统需要接受到门机板发出的重开门请求信号(REOPEN REQUEST)或者来自于门保护装置的指令。
检查重开门装置:开门按钮、光幕信号、机械安全触板(如有)、关门力矩限制(REOPEN REQUEST OUTPUT)
导致重置和电气死机的故障处理
电气部分出现短路
编码器出现短路、开路或信号丢失
门机板微处理器或程序故障
低电压保护(低于18VDC)或高电压保护(高于80VDC)
马达转子角度没找到(机械阻力过大或马达绕组损坏)
门的表现变差
马达和电源模块温度过高保护
处于低电压供电(24VDC)
位置参考开关故障,反复开或者关门
过电压保护或门速度过慢
门机板状态指示灯故障说明
当门机板出现故障时,门机板状态指示灯会闪烁提示故障。可以通过观察状态灯在两次长时间熄灭之间的闪烁次数来获得故障代码。状态灯的闪烁次数所对应的故障见下表:
