豆浆机电路
下面以九阳 JYDZ-8 型智能控制型豆浆机为例,介绍豆浆机的电路识图方法。该机由电源电路、控制电路、电动机、加热管等构成,如图4-41所示。

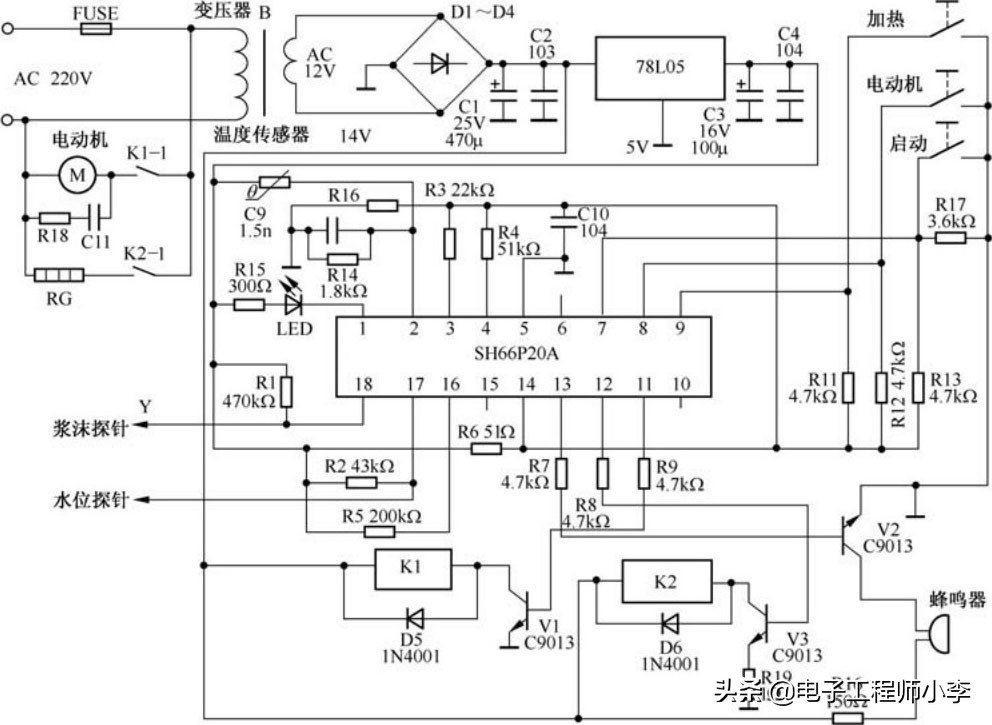
图4-41 九阳JYDZ-8型豆浆机电路
1.供电与待机电路
供电与待机电路的核心元器件是变压器B,整流管D1~D4,滤波电容C1、C2,三端稳压器78L05和微处理器(CPU),辅助元器件有C3、C4、指示灯LED。
接通电源,220V市电电压经变压器B降压后输出12V交流电压,该电压通过D1~D4桥式整流,再通过C1、C2滤波产生14V直流电压。14V电压不仅为继电器的线圈和蜂鸣器供电,而且经78L05输出5V电压,经C3、C4滤波后,加到CPU(SH66P20A)的 14 脚为它供电。CPU获得供电后开始工作,它的①脚电位为低电平,5V电压经R15为LED供电,使它发光,表明电源电路已工作。同时,CPU的 13 脚输出的蜂鸣器驱动信号经R7限流,再经V2倒相放大后,使蜂鸣器发出“嘀”的一声,表明该机进入待机状态。
2.打浆电路
打浆电路的核心元器件是CPU、启动键、放大管V3、继电器K2、温度传感器、加热管、电动机、浆沫探针(防溢电极)。
(1)自动打浆电路
杯内有水且在待机状态下,按下启动键后,CPU检测到⑦脚由高电平变成低电平,从 12 脚输出高电平驱动信号,该信号通过R8限流使V3导通,为继电器K2的线圈提供电流,使K2内的触点K2-1吸合,加热管RG得到供电后开始加热。加热约8min后水温超过84℃,温度传感器的阻值减小,为CPU的②脚提供的电压升高,CPU将该电压值与内存存储的温度/电压数据进行比较,判断加热温度达到要求后,控制 12 脚输出低电平控制信号, 11 脚输出高电平控制电压。 12 脚输出低电平控制信号后V3截止,继电器K2的触点释放,加热管停止加热。 11 脚输出的高电平控制电压经R9限流使驱动管V1导通,继电器K1的线圈有电流,它的触点K1-1吸合,使电动机高速旋转,开始打浆。经过4次(每次时间为15s)打浆后,CPU的 11 脚电位变为低电平,V1截止,电动机停转,打浆结束。打浆结束后,CPU的 12 脚再次输出高电平电压,K2的触点吸合,加热管继续加热,一直加热至豆浆第一次沸腾,浆沫上溢,接触防溢电极,CPU的 18 脚电位变为低电平, 12 脚就输出低电平电压,V3 截止,停止加热。当浆沫回落,离开防溢电极后,CPU的 18 脚电位又变为高电平, 12 脚又输出高电平,加热管又开始加热,如此反复多次防溢延煮,累计15min后CPU的 12 脚输出低电平,停止加热。同时, 13 脚输出脉冲信号,经V2放大后驱动蜂鸣器报警,并且控制①脚输出脉冲信号使指示灯闪烁发光,提示用户自动打浆结束。
提示
电动机运转时间由CPU 16 脚外接的R2、C8(图中未画)充电时间常数来决定。
(2)手动打浆电路
当需要单独加热时,先按加热键,预置加热程序,再按一下启动键,CPU相继检测到⑨、⑦脚为低电平后,控制 12 脚输出高电平控制信号,使V3导通,继电器K2内的触点闭合,电热管单独加热。当再次按加热键,CPU检测到该信号后控制 12 脚输出低电平电压,使V3截止,停止加热。
当需要单独打浆时,先按电动机键,预置电动机工作次数,再按一下启动键,CPU相继检测到⑧、⑦脚为低电平后,控制 11 脚输出高电平,V1导通,继电器K1的触点吸合,电动机开始旋转,执行打浆预置程序,完成打浆后,自动停止。
3.防干烧保护电路
防干烧保护电路的核心元器件是水位探针、CPU,辅助元器件是放大管V2、蜂鸣器。
当桶内无水或水量低于水位线,使水位探针接触不到水时,CPU的 17 脚电位变为高电平, 13 脚就输出报警信号,通过 V2 放大后使蜂鸣器长鸣报警,机器自动停止加热,防止加热管过热损坏,实现防干烧保护。
米糊机电路
米糊机的外形和豆浆机相似,下面以糊来王牌米糊机为例介绍米糊机电路原理与故障检修方法。该机电路由电源电路、控制电路、电机、电加热管等构成,如图4-42所示。
1.供电电路
220V 市电电压不仅经熔断器 FU1、FU2 输入到粉碎、加热电路,而且通过变压器降压输出9V交流电压,通过D1~D4桥式整流,由R12限流,利用C8、C3滤波产生11V左右的直流电压。该电压不仅为继电器的驱动电路供电,而且经三端稳压器 IC2(7805)输出 5V电压,通过C2滤波后,为微处理器IC1、蜂鸣器和操作键电路供电。
2.微处理器电路
微处理器(CPU)电路以IC1(PIC16C54C)为核心构成。
电源电路工作后,由它输出的5V电压加到IC1的③、④脚,为它供电。IC1获得供电后开始工作,它内部的振荡器与 15 、 16 脚外接的晶振X1通过振荡产生4MHz的时钟信号,该信号经分频后协调各部位的工作,并作为 IC1 输出各种控制信号的基准脉冲源。同时,IC1内部的复位电路输出复位信号使它内部的存储器、寄存器等电路复位后开始工作。

图4-42 糊来王牌米糊机电路
IC1工作后,它的⑨脚输出的蜂鸣器驱动信号经R9限流,再通过Q1倒相放大后,驱动蜂鸣器鸣叫一声,同时IC1的 12 、 13 脚输出控制信号使红色指示灯发光,表明电路进入待机状态。
3.水位检测电路
水位检测电路由粉碎的刀头(水位探针)、微处理器IC1等元器件构成。
当粉碎筛杯内无水或水位过低,粉碎刀的刀头不能接触到水,使IC1的 17 脚输入高电平信号,被IC1识别后,不仅控制⑦、⑧脚输出低电平控制信号,使粉碎电机、加热器不工作,以免加热器因干烧而损坏,同时IC1通过Q1驱动蜂鸣器鸣叫,提醒杯内无水或水位过低,需要加水。当杯内加入适量的水,被刀头检测到,使IC1的 17 脚电位变为低电平后,IC1 才能执行下一步程序。
4.自动粉碎、加热电路
自动粉碎、加热电路由微处理器IC1、电加热管EH、电机M、温度传感器(负温度系数热敏电阻)RT、继电器(RY1、RY2)等构成。
当粉碎筛杯内装入适量的水和食物后,安装好刀头,接通电源,微处理器IC1不仅输出驱动信号驱动蜂鸣器鸣叫一声,而且控制红色指示灯发光,表明该机进入待机状态。待机时,按豆浆或养生糊键,IC1 不仅控制蜂鸣器再次鸣叫,表示接收到操作信息,而且从存储器内调出加热、粉碎程序后,控制⑦脚输出高电平控制信号。该信号通过R10、R2、R4分压限流后使Q2导通,为继电器RY1的线圈供电,它的触点RY1-1闭合,电加热管EH得到供电后开始加热。当加热使水温达到设置值后,温度传感器RT的阻值减小,使IC1的①脚输入的电压升高,IC1将该电压值与内存存储的温度/电压数据进行比较,判断加热温度达到要求后,控制⑦脚输出低电平控制信号,控制⑧脚输出高电平控制信号。⑦脚输出低电平电压后Q2截止,RY1的触点释放,EH停止加热。⑧脚输出的高电平电压经R11、R1和R3分压限流使放大管Q3导通,为继电器RY2的线圈供电,它的触点RY2-1闭合,使电机高速旋转,开始粉碎食物。经过4次(每次工作20s、停止30s)粉碎后,IC1的⑧脚电位变为低电平,Q3截止,电机停转,打浆结束。打浆结束后,IC1的⑦脚输出周期为3s的脉冲信号,控制电加热管EH周期性加热。当豆浆或养生糊沸腾的浆沫接触到防溢探针,使IC1的 18 脚电位变为低电平,IC1判断到豆浆或养生糊已煮沸,IC1的⑦脚就输出低电平电压,Q2截止,停止加热。当浆沫回落,脱离防溢探针后,IC1的 18 脚电位又变为高电平,IC1 的⑦脚又输出高电平,加热器又开始加热,如此反复多次防溢延煮后IC1的⑦脚输出低电平,停止加热。同时,IC1的 11 脚输出高电平电压,使绿色指示灯发光,并且驱动蜂鸣器鸣叫,提醒用户养生糊或豆浆可以食用。
5.手动粉碎电路
手动粉碎电路由微处理器IC1、电机M、继电器RY2、放大管Q3等构成。
当需要粉碎时,先按粉碎键,预置粉碎程序,再按一下养生糊/启动键,IC1相继检测到 11 、 12 脚输入高电平信号后,控制⑧脚输出高电平控制信号,经R11、R1和R3分压限流后使Q3导通,使继电器RY2的触点闭合,为电机供电,电机开始旋转,对食物进行粉碎。
6.手动加热电路
手动加热电路由微处理器IC1、电加热管EH、温度传感器(负温度系数热敏电阻)RT、继电器RY1等构成。
当需要加热时,先按养生糊/启动键,预置加热程序,再次按养生糊/启动键,IC1检测到 12 脚输入了两次高电平信号后,控制⑦脚输出高电平控制信号,该信号经R10、R2和R4分压限流后,使Q2导通,为继电器RY1的线圈供电,使它的触点闭合,为电加热管EH供电,使其开始加热,实现米糊的手动加热。
7.过热保护电路
过热保护电路由温度型熔断器FU1构成。当继电器RY1的触点RY1-1粘连等原因引起电加热管EH加热时间过长,电加热管温度升高,当温度达到125℃时FU1熔断,切断供电回路,避免EH过热损坏,实现了过热保护。
【电子工程师资料分享圈】,一个能帮你全面提升技能、收入稳步提升的圈子!
这里不仅有关于电子工程师的专业技术资料、还有职场老兵的经验心得,是你的学习好帮手!
(此处已添加圈子卡片,请到*今条头日**客户端查看)