这个电路图,摘自一本老杂志,个人认为可以收藏起来,以后做来测试一下。
超灵敏,1.5V,FM调频收音机电路图,如下图所示:

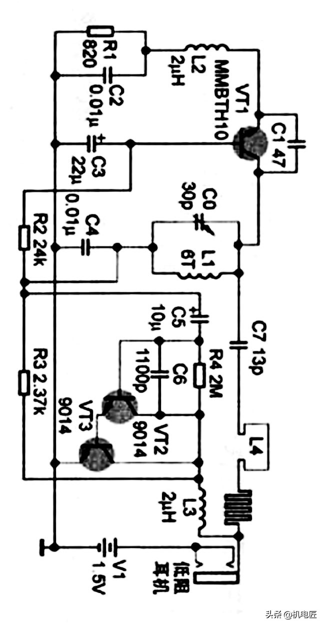
超灵敏,1.5V,FM调频收音机电路图
工作原理:
电路工作在超再生检波模式。
主要由VT1、C1、R1、C2和LC回路等组成。
超再生电路其实是一个电容三点式振荡器,由于有C2、R1组成的回路,振荡器处于间歇振荡工作状态。间歇频率由C2、R1决定。
间歇频率高时,则间歇周期短,间歇振荡很难达到高的振幅,灵敏度低,因此,电路的抗干扰性较好。
间歇频率低时,则间歇周期长,间歇振荡容易达到高的振幅,灵敏度高,因此,电路的抗干扰性较差。
在无外来信号时,C2、R1回路可产生60~100kHz的熄灭频率,因此,当没有电台信号时,听到的流水噪声,主要是电路本身的熄灭频率干扰造成的。
可变电容C0、L1构成并联调谐回路,通过调节C0可以改变谐振频率,使电台频率与LC回路达到谐振状态,此时,LC回路两端输出幅度相应变化的幅调调频波,由于电路本身的LC振荡电压远远大于L1感应到的微弱电台信号,电台信号与强大的LC振荡电压混合在一起,因此无需任何外拉天线,就能获得相当高的接收灵敏度,电路中内置天线L4和印刷板天线,起到增强接收信号的作用。
音频信号由C5耦合到VT2、VT3组成的低频放大电路进行放大,推动耳机发声。
在没有电台信号时,会有较大的“沙沙”噪声,属于正常现象,收到电台信号后就会消失或者明显降低。
由于高频阻流线圈L1的阻断作用,高频成分只能通过C1返回信号输入端VT1集电极,从而加大了输入信号的强度,信号被反复放大,这样的作用,被叫做‘超再生’。
用一节电池供电(1.5V)整个电路电流在4mA左右,非常省电。
空芯线圈L1用直径0.6mm的漆包线,在水性笔芯上绕6匝。
高频扼流线圈L2、L3可以使用10uH的色环电感。
可调电容C0用30pF的调频双联可变电容。
电路调整:
通电后,如果听到较大的“沙沙”声,说明电路已经正常工作。
可以调节可变电容,一般能收到几个台,但是频率未必能正确覆盖87~108MHz,还需要调节L1的匝间距,以便调节覆盖范围。
有条件的可以用收音机配合对比调节。没有收音机就以能收到最多的台为准。
反馈电容C1容量过大或过小也会影响频率范围,实际制作中存在分布电容和电感,需要适当微调一下C1的容量。
通电后如果没有‘沙沙’声,有可能电路没有工作,或者高频振荡没有起振,在起振状态下,VT1基极电压应该在0.5~0.6V,电阻R2、R3会影响VT1的偏压,也是可以适当微调的地方。