阅读此文前,麻烦您点击一下“关注”,方便您进行讨论和分享,给您带来不一样的参与感,感谢您的支持。

文 | 枫月书生A
编辑 | 枫月书生A
前言
为了解决 单轴搅拌熔体 对流传热不足的问题,基于 CFD模拟 研究了行星搅拌熔体的温度场和剪切速率。

与 单轴搅拌半固态技术 相比,行星搅拌方式的铝合金半固态浆料的 对流传热能力 更强。另外,其温度场可以更快、更均匀地降至 半固态范围 ,有利于大量成核,提高成核率。
整个熔体的 温差较小 ,避免了枝晶的择优方向生长和均匀生长,改善了形貌。

适当提高 搅拌轴 的公转数和自转速度,可以细化半固态铝合金零件的 晶粒 ,改善晶粒形貌,提高抗拉强度。
行星搅拌半固态工艺非常适合流变 高压铸造 。
从固态到液态
半固态金属成形是金属从固态到液态或从液态到固态转变过程中,利用金属在半固态区域良好的流变性能而进行的金属成形。

具有充型稳定、无紊流和飞溅、加工温度低、凝固收缩小等优点,因此铸件尺寸精度高。半固态浆料的制备方法有机械搅拌法、电磁搅拌法、超声波振动法、气体搅拌法、浇注法。
机械搅拌方法包括 单螺杆搅拌、双螺杆搅拌、锥筒流变成型、强制对流流变制浆 。

随着计算流体力学(CFD)技术的快速发展,其在搅拌模拟中的应用越来越广泛。
必须采用一定的数值计算方法来模拟半固态金属浆料的制备和填充过程。
根据研究对象和方法的不同,数值计算方法可分为拉格朗日法和欧拉法;另一种无网格方法正在探索中。

VOF方法是目前最流行的方法,用于著名的计算流体动力学程序,例如 ANSYS Fluent、Star-CD、Geo MATH、CFX 和 Flow-3D。
熔体充型和凝固过程数值模拟的基本内容之一是基于有限差分或有限元方法求解连续性方程和Navier-Stokes方程。

液态金属通常被视为不可压缩流体,其流动过程遵循质量守恒和 动量守恒 ,其数学形式是连续性方程和动量方程。
通过对机械搅拌半固态浆料制备技术的研究发现,单个搅拌轴可以充分搅拌中心的熔体热交换。但远离中心的熔体由于惯性层流的影响,搅拌和换热能力较差。

而温差较大,需要很长时间才能使整个熔体的温度场均匀,特别是在制备大体积半固态浆料时。
搅拌轴带动熔体对流的能力较弱,熔体中间温度较低,周围温度较高,温差较明显,热交换效率较低。因此,为了改善普通搅拌轴与熔体之间的热交换和搅拌问题。
采用 A356铝合金 作为研究材料,其固相线和液相线温度分别为560℃和615℃。

将合金放入加热炉中加热至710℃熔化,经过除渣、精炼等操作后,熔体温度保持在660℃,采用自制行星搅拌半固态设备处理适量合金液,制备铝合金半固态浆料。
行星式搅拌半固体设备包括搅拌轴的自转和公转两个独立的运动控制。
搅拌轴的旋转是由位于中间平台上的电机和传动齿轮实现的,而搅拌轴的公转是通过中间平台通过 电机和偏心轴 的旋转来实现的。

该设备主要控制转速(300、500 r/min)、自转(0.7、1.4 rad/s)、混合时间(15~30 s)参数来制备半固态浆料。
整个过程由西门子S7-200 SMART(西门子,中国北京)PLC自动控制。将搅拌轴放入熔体中一定时间,通过热电偶实时监测熔体温度,图1图为行星搅拌结构偏心部分及拉伸样品模具图。

图1 ( a )行星搅拌结构的偏心部分和( b )拉伸样品模具图
经过粗磨、精磨和抛光后,使用ZEISS Axio Scop A1相显微镜对样品的显微组织进行观察和拍照。
通过图像处理软件,分析晶粒尺寸和圆度,晶粒尺寸由平均直径D表示,圆度由形状因子F表示。

F越接近1,固体颗粒越圆,样品的拉伸强度和伸长率通过MTS-SANS机电子万能试验机进行测量。
为了更好地理解混合作用加公转作用对熔体流动行为和温度场的影响,实现了半固态浆料制备过程的数值模拟。
行星搅拌装置熔体搅拌的 CFD模拟 流程如下:首先,建立实际尺寸的3D实体模型。

其次,输出标准接头形式IGES文件,第三将上述模型传输到Meshing-Geometry Block。
然后,设置材料属性、边界热交换系数、转速、初始温度和其他预处理参数,计算完成后,通过后处理模块直接观察仿真结果。

旋转条件对熔体行星搅拌装置流动特性和温度场的影响对于理解成核和晶粒长大机制具有重要意义。
图2显示了数值模拟的三维模型、网格划分和混合操作图。

图2 用于模拟的三维模型、网格划分和混合操作图
采用有限差分法生成简化模型的六面体网格,为了减少计算时间,单元总数约为36万个,网格宽度为2.2毫米,与最终模拟结果中的80万个单元没有显着差异。
仿真软件 的流体材料数据库提供了A356铝合金的大部分材料热性能,如比热、导热系数、流体潜热、液相线温度等。

材料数据只需稍作修改即可直接用于模拟, 熔体粘度 采用数据库中原来的固定值,如果采用非牛顿流体模型应该会更好。
不过目前 模拟 还没有涉及到,熔体温度、料筒温度、行星搅拌过程的旋转条件等几个对显微组织影响较大的重要参数均根据实际情况设定。

搅拌轴的实际转速已根据实际情况经 减速机处理 ,转速设置为18。84、31.4 rad/s,移动模块的转速为0.7、1.4 rad/s。
仿真中使用的具体参数和计算条件如表1。

表1 模拟的过程和初始条件
行星式混合
行星式混合搅拌工艺的熔体流动特性对行星混合半固态装置内流动特性的研究,有助于了解传热方式和温度变化,为调整工艺参数、控制凝固过程提供理论依据。
行星搅拌半固态装置中的熔体具有复杂的搅拌混合流动特性,图3显示不同公转和自转对熔体剪切速率的影响。

从中可以看出图3表明旋转主要对靠近搅拌轴的熔体产生较大的剪切速率,远离搅拌轴的熔体剪切较弱,且随着搅拌速度的增加,旋转对熔体的影响范围变大。

图3 行星混合搅拌过程的熔体应变率
搅拌轴绕坩埚中部小速旋转,搅拌轴靠近坩埚一侧的熔体将得到充分的剪切和搅拌。搅拌轴远离坩埚一侧的熔体将受到较弱的剪切,提高搅拌轴的转速并不能改变这种情况。
当搅拌轴的转速增加时,搅拌轴可以更快地绕坩埚旋转,并且搅拌轴远离坩埚一侧的熔体也具有更好的剪切速率。
在 行星搅拌 条件下,适当提高公转速度比提高自转速度对整个熔体的剪切搅拌效果更好,但公转速度不宜过高,以免产生严重的湍流夹带。

熔体在三个维度上有充分的对流,熔体在装置内的温度场会受到很大的影响。
如图所示图4(b1,b2),在简单旋转的情况下,靠近搅拌轴芯部的熔体首先与搅拌轴进行热交换而冷却。

随着搅拌速度的增加,熔体冷却速度加快。随着搅拌时间的延长,虽然两者的总冷却程度相差不大,但显然适当提高搅拌速度,温度场变化更快、更均匀。
自转与慢速公转相结合的情况下图4(c1)、由于开始时混合轴和筒体的双重冷却,混合轴和筒体之间熔体的冷却速度超过了简单旋转的程度,可以在短时间内获得非常大的过冷度。

这种情况发生在远离搅拌轴和料筒的熔体冷却缓慢,并且它们之间存在很大的温差时。
随着转速的增加,带动搅拌轴附近熔体发生剪切流动,改善不同位置之间的温差,如图图4(c3)。

当转速提高时,可在短时间内带动整个熔体进行高效热交换,熔体能快速达到均匀的过冷状态,最大程度地减小熔体的温差,有利于整个熔体更快、更均匀的成核和均匀长大。
发生这种情况尤其是为了减少由于局部过冷而在混合轴附近形成凝固壳而导致的材料在混合轴上的悬挂,这对于半固体浆料的稳定、连续制备非常重要。

图4 行星混合搅拌过程中熔体温度场的变化
当搅拌轴仅在熔体中部旋转时,搅拌轴中部与壁面的熔体传热滞后。因此,我们分析该区域的熔体温度以及整个熔体的最大温差。
图5为模拟条件下不同搅拌工艺参数下搅拌轴中部及容器壁熔体温度随时间变化的曲线。

图5 不同搅拌条件下熔体温度随时间的变化曲线
曲线A为搅拌轴插入合金熔体中不搅拌时的温度变化曲线。中间位置的熔体温度缓慢冷却。
8-10 秒后,其温度保持在 628°C 并高于液相线。当搅拌轴旋转时,熔体冷却速度比不搅拌时要快。
7 秒后,温度稳定在较低的 619°C,当旋转搅拌速度增大时,熔体冷却速度进一步加快。
混合行星搅拌是一种高效的搅拌方式,即使 叠加慢速公转 ,也能对中间位置的熔体进行搅拌和对流,带来更大的冷却能力。

中间位置的熔体在7秒内达到 608°C 的较低温度,在提高转速的情况下,在热交换过程中观察到中间熔体的巨大温度波动。
说明行星搅拌效率高,传热充分,更有利于获得均匀的温度场,不利于枝晶生成。
图6为模拟不同搅拌工艺条件下整个熔体最大温差随时间的变化曲线,以表征合金溶液的温度变化过程。

图6 模拟熔融合金温差随时间变化的曲线。
在六种不同工艺参数下,温差随时间先增大后减小。在不搅拌的情况下,合金溶液的温差随时间增加最快,最大温差可达50℃。
与单轴慢速和快速旋转相比, 后者在加热阶段比前者慢,且均比不搅拌时慢 。
在冷却阶段,后者的下降幅度略高于前者,最大温差随着自转和公转速度的增加而减小,冷却速度的变化趋势相同。

在相同条件下,熔体在快速公转和复合的情况下达到较低的温差所需的时间最短。相比之下,稍微提高转速比提高转速更能有效降低整个熔体的最大温差。
微观结构和机械性能
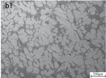
不同搅拌条件下A356铝合金的显微组织,图7为A356铝合金半固态在不同搅拌工艺下的微观形貌比较。

图7 不同搅拌条件下A35*合6**金的半固态显微组织
图7a为A356铝合金普通铸件的显微组织,结构为大的树枝状结构,无序且分布不均匀。

图7 ( a )不搅拌
图7(b1)显示了传统单轴旋转制备的铝合金的半固态组织,可以观察到枝晶结构开始破坏,玫瑰状晶粒反而增加。

图7 ( b1 )转速300r/min
获得的半固态浆料结构中近球形颗粒的数量图7(b2)开始增加,但莲座晶粒减少。

图7 ( b2 ):转速500转/分钟
在图7(c1),主固相尺寸减小,近球晶数量增加,在图7(c2),晶粒轮廓变得更加明显,球形晶粒的比例显着增加。

图7 ( c1 ):自转300r/min转0.7rad/s
在图7(c3),晶粒形状趋于圆形,而晶粒尺寸趋于均匀。

图7 ( c3 ):旋转300r/min,旋转1.4rad/s
A356半固态铸态晶粒尺寸约为168μm,同时形状因子为0.46。
通过单轴慢速旋转和快速旋转制备半固体后,晶粒尺寸逐渐减小至126μm。同时,形状因子逐渐增加至0.72。
半固体制备完毕后,使用复合旋转和公转方法,晶粒尺寸再次逐渐减小至119μm,与此同时形状因子再次逐渐增加至0.8。

不同搅拌工艺下A356半固态的力学性能图8显示了不同搅拌工艺下A356半固体的力学性能。
在单轴旋转条件下,搅拌速度从300 r/min提高到500 r/min,拉伸强度提高了18.8 MPa,伸长率提高了2.5%。
叠加小转速时,与单轴旋转300 r/min相比,性能提高7 MPa。当搅拌轴转速为500 r/min时,复合搅拌比单轴旋转高8.2 MPa。

在自转与公转复合条件下,提高转速使抗拉强度增加17.6 MPa,伸长率增加1%。
提高转速,试棒的抗拉强度增加19.9 MPa,需要注意的是,搅拌速度为300r/min时的伸长率+0,7 rad/s 比单独 300 r/min 时的低。
可能的原因是搅拌轴距离坩埚壁太近,坩埚壁与搅拌轴之间的料浆比中心搅拌时冷却得快,而太慢的转速对熔体的均匀传热影响不大。

还可能发生反应,导致伸长率降低。但随着搅拌速度的提高,这个问题得到了改善。
因此,在行星搅拌条件下,适当提高搅拌轴转速或提高公转速度可以改善铝合金的拉伸性能,提高公转速度更有效。

图8 不同搅拌工艺下A356半固态合金的力学性能
图9显示了采用行星搅拌半固态技术铸造的铝硅合金通信零件的显微组织。

图9 行星搅拌半固态技术铝硅合金通讯零件的显微组织研究
将行星搅拌半固态技术与压铸相结合,试制半固态压铸件,图9a为实际通讯散热外壳部分示意图。

图9 ( a )通讯冷却壳体部分
工艺参数为初始熔体温度670℃、转速300r/min、转速1.4rad/s,对零件散热片位置处的组织进行切割,进行抛光和腐蚀,然后进行金相和扫描电镜分析。
可以看出图9b、c,半固态压铸件的显微组织主要由玫瑰色和近球形初生α-Al颗粒组成,非树枝状初生颗粒均匀分散在液体基体中。

图9 ( b )金相图,( c )SEM图。
颗粒尺寸约为20μm,比正常凝固要小。因为模腔对新颗粒生成的淬火作用明显,颗粒数量显着增加。
叶片处的熔体由于厚度较薄而需要较短的凝固时间,并且颗粒的形态比其他区域的颗粒相对更圆。

除了小而圆的初生晶粒(α1-Al)外,半固态浆料中的二次铝相(α2-Al)平均尺寸减小至5~10 μm,且数量显着增加。
结语
与 普通铸造枝晶组织 相比,单轴旋转改善了A356铝合金的组织和性能,其平均晶粒尺寸从145μm增大到126μm。

形状系数从0.59增加到0.72,抗拉强度从248 MPa增加到267 MPa。
在行星搅拌条件下,随着搅拌速度的增加,初生固相尺寸由约132μm减小至119μm。形状系数从0.65增加到0.8,拉伸强度从256 MPa增加到276.2 MPa,伸长率增加到6%。
行星搅拌制备的半固态浆料便于与压铸结合,且铝硅合金晶粒尺寸仅为20μm。

搅拌速度的提高有利于改善合金熔体的对流传热,降低熔体整体温度,增大过冷度,增加形核数量。
行星搅拌是对整个熔体进行无死角的完全搅拌,避免了单轴搅拌时的惯性层流,具有更高的混合换热效率,可以更快地将熔体降低到更大的过冷度,促进整体均匀成核。

同时,复合搅拌的对流剪切作用也有利于晶粒解离,增加成核数量。
反之,通过提高成核率,行星搅拌可以更快地获得更小的温差,减小过冷梯度,避免熔体择优长大,有利于均匀长大。