点击"PLC发烧友" 关注我们吧!
01 控制要求
用一个按钮控制一台电动机,按钮闭合时电动机正转8s、停止 8s、反转8s、停止8s,并循环。
02 IO分配表

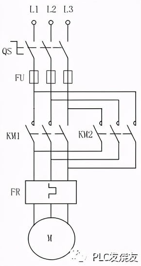
03 接线图
第一步:(PLC接线图)

第二步:(电机接线图)

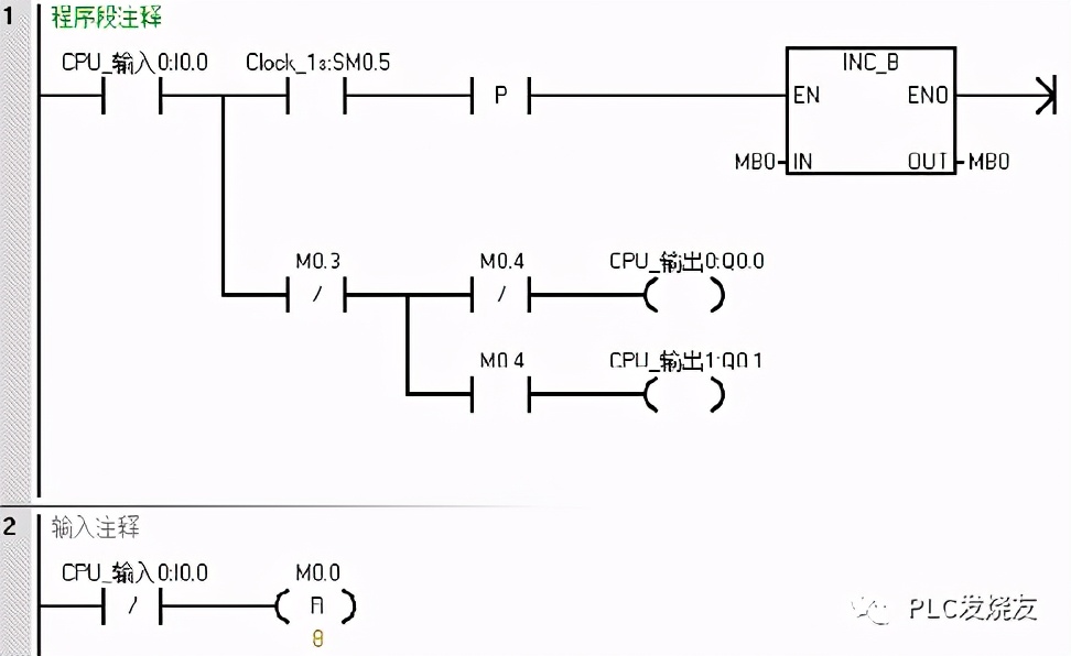
04 编写程序
第一步:(I0.0接点闭合,加1指令 INC_B, MBO对SM0.5的秒脉冲的上升沿进行加1,结果存放在MBO中)

05 演示效果


由二进制数的的特点可知,任意两个相邻位只有4种状态组合,即00、01、10、11。如表中的M0.2、M0.3。
设M0.4、M0.3=00时为正转,M0.4、M0.3=01 时为停止,M0.4、M0.3=10时为反转,M0.4、M0.3=11时为停止,则正转Q0.0和反转Q0.1的逻辑电路
M0.3、M0.4的每种状态持续8s,开关闭合时电动机正转8s、停止8s、反转8s、停止 8s,并循环。
以此类推,如每种状态持续16s,可将梯形图中的M0.3、M0.4改为M0.4、M0.5。
来源:PLC发烧友,作者:技成培训网-徐陈爽。转载请注明出处!评论处大家可以补充文章解释不对或欠缺的部分,这样下一个看到的人会学到更多,你知道的正是大家需要的。。。