GD&T作为机械制造业工程图纸的官方语言,用对了,其威力犹如四两拔千斤;用错了,就会弄巧成拙。
GD&T其复杂多样的规范、标识、标注符号等,让许多制造业的朋友望而生畏。特别是工程图纸的设计者,如果对GD&T理解得不够透彻,或者在设计图纸的过程中粗心大意,导致出现一些奇怪的符号组合标识,让阅图者产生无限猜想,释放出各种稀奇古怪的错误,从而增加了无谓的工程耗损,违背了GD&T为节约、盈利而存在的本意。
GD&T在机械界,就像英语专业八级语言水平一样,需要日积月累的锤炼,沉淀,以及主动的接触学习、参加诸如奥曼克等机构的专业训练,才能在工程图纸的世界中,实现畅通无阻的高级机械语言沟通。

以下试题适用于GD&T-4级以上水平,请用汉语8级以上水平阅读。
GD&T-Testing
(Notes:本测试共45题,预估测试时间3H,试题来自网络,仅用作交流学习,请勿应用于商业目的,否则后果自负。如有侵权嫌疑,请联系测量攻城狮删除或更正。福利:文末有参考答案获取方法)
1. 以下什么是形状公差 :
A. 跳动
B. 位置度
C. 平面度
D. 对称度
2. 基准优先次序的选择是基于:
A. 零件的加工
B. 零件的设计和功能
C. 零件的测量
D. 零件的检具
3. 当倾斜度、垂直度和平行度应用于平面时,它们还控制:
A. 尺寸
B. 位 置 (Position)
C. 平面度
D. 位 置 (Location)
4. 位置度标注零公差并带最大实体补偿(MMC) , 其目的是:
A. 放宽尺寸的极限
B. 维持尺寸的极限
C. 减小允许的位置度
D. 加严尺寸的极限
5. 下面关于倾斜度公差的描述,正确的是:
A. 单位是度
B. 单位是线性尺寸(如毫米或英寸)
C. 倾斜度同时也可以控制形状
D. 当理论角度是0°或者 90°时,不能使用倾斜度符号
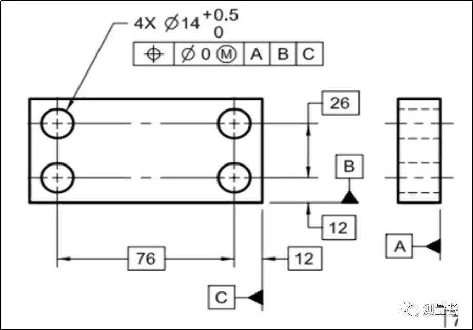
6. 下面图纸截图所示的四个孔的实效状态(Virtual Condition)尺寸是多少?
A. 4.0
B. 4.5
C. 4.25
D. 3.75

7. 关于下面图纸的理解,正确的是:
A. 四个孔的位置度标注错误,因为实际零件孔的位置度都存在误差,不可能做到
B. 四个孔位置度公差带后面的M圈多余,应该去掉
C. 如果做检测销检测四个孔的位置度,检测销直径应为 14
D. 如果做检测销检测四个孔的位置度,检测销直径应为 14.5

8. 有些几何公差可以控制其他几何公差,下面描述正确的是:
A. 平面度能够控制平行度
B. 位置度能够控制圆度
C. 圆柱度能够控制圆度
D. 平面度能够控制大小 (Size)
9. 关于正负公差标注和几何公差标注的描述,正确的是:
A. 几何公差标注的图纸要求比正负公差标注的图纸要求要严格
B. 几何公差标注的图纸理解起来更容易引起歧义
C. 正负公差标注的孔的位置度公差带不能随着孔径大小变化而变化
D. 正负公差标注的图纸无需三坐标测量,而几何公差标注的图纸必须使用三坐标才能检测零件。
10. 关于基本尺寸(Basic Dimension),下面描述正确的是:
A. 用来描述一个特征或者基准目标的理论正确大小、面轮廓、方向或位置的数值, 零件所允许的公差都是以此为基础进行建立的
B. 外面有方框标示的尺寸,表示制造需严格控制该尺寸
C.一个特征的名义尺寸
D.没有任何公差的正确尺寸
11. 关于面轮廓度公差的描述,正确的是
A. 面轮廓度公差属于形状公差,仅用来控制一个零件的表面形状
B. 面轮廓度公差是一个比较综合的公差,其后面带基准后可以控制一个表面相对于基准的位置、方向和形状
C. 面轮廓度公差使用时后面不能跟基准
D. 面轮廓度公差可以控制一个曲面的形状,但不能用于控制平面的形状
(根据下图回答12-16的问题)

12. 对于四个孔的位置度,最大允许的公差补偿(Bonus Tolerance)是多少?
A. 0.5
B. 1.0
C. 0.25
D. 1.5
13. 如果做检测销检测该零件的四个孔位置度,检测销的直径为:
A. 8.5
B. 9.0
C. 9.5
D. 10
14. 对于四个孔的位置,所允许的最大基准偏移 (Datum Shift)是:
A. 0.25
B. 0.5
C. 1.0
D. 1.5
15. 对于该零件的四个孔,实际允许的最大位置度是:
A. 0.5
B. 1.0
C. 1.5
D. 2.0
16. 关于该零件四个孔的位置度描述,错误的是:
A. 实际孔径越大,允许的位置度就越大
B. 直径要求 39-40的圆盘直径越大,四个孔位置所允许的基准偏移就越大
C. 实际允许的位置度大小跟圆盘的直径大小、相对于A 基准的垂直度都有关系
D. 当四个孔直径最大、圆盘直径最小且垂直度很好时,实际允许的位置度最大
17.关于下图所示的面轮廓度, 如果使用 ASME Y14.5中非对称公差带符号来表达, 正确标注为:

18. 关于正负公差图纸标注的描述,错误的是:
A. 正负公差标注往往存在基准不明确的问题
B. 正负公差标注往往存在基准先后顺序不明确的问题
C. 正负公差标注表达孔的位置度时,公差带形状为方形,且不能随孔径大小而变化
D. 正负公差标注便于检测,因此比几何公差标注更实用
19. 关于公差之间的相互关系,以下哪些结论成立:
A. 垂直度会约束位置度
B. 平行度会约束跳动度
C. 倾斜度会约束平行度
D. 表面垂直度会约束平面度
20. 以下什么形位公差的公差后面允许采用最大实体补偿(Bonus Tolerance):
A. 位置度
B. 轮廓度
C. 跳动度
D. 圆柱度
21. 下面图纸标注中正确的是:

22. 下列关于 GD&T图纸中基准选择的描述,正确的是:
A. 图纸中的基准应根据产品测量基准来选取(选取最便于测量的基准)
B. 图纸中的基准应尽量选取零件表面,避免选取孔轴
C. 图纸中的基准应根据产品加工基准来选取
D. 图纸中的基准应根据产品的功能(包括装配关系)进行选取
23. 下面哪些字母不能作为基准符号:
A. M, L, E
B. P, U, Z
C S, T, W
D. O, I, Q
24. 如果使用检具检测下图所示的零件,基准销和检测销的直径分别应为(不考虑检具公差):
A. 12.0, 7.3
B. 12.1, 7.7
C 12.2, 8.1
D. 12.3, 8.5

25. 关于下图中基准 A的描述,正确的是:
A. A 基准是指该零件的中间面
B. A基准是指该零件的下表面的实际物理面
C. A 基准是指该零件的下表面最高点构造的面
D. 该零件的中间面或者下表面都可以做基准A

26. 在图纸中把尺寸当作参考尺寸的最合适的方法是:
A. 在尺寸后面标注 “REF”
B. 用“REF” 或( )
C. 用[ ]把尺寸包括起来
D. 用( )把尺寸包括起来
27. 对于下图,检测相对 A.B 基准位置度时,检测销尺寸多大 ?
A. 10.15
B. 10
C. 9.9
D. 10.3

28. 对于下图,它的内部边界,外部边界和实效边界分别是多少?
A. 30, 31, 30
B. 30.1,30,30.5
C. 31,30,31
D. 30.1, 30.5, 30

(根据以下图纸,回答29~31题)

29. 上图中要素14.2 -13.8允许的最大位置度是多少:
A. 2.6
B. 2.0
C. 0.2
D. 0.6
30. 上图中要素14.2 -13.8的实效边界是多少:
A.16.4
B.13.6
C.14.4
D.14
31. 要素14.2 -13.8允许的最大基准偏移 (Datum Shift)是多少:
A.2
B.0.4
C.0.2
D.0
32. 美国ASME Y14.5M-2009规则1 代表的是:
A. MMC是位置度公差的默认要求
B. MMC要求在最小实体的形状必须完美(LMC状态不允许变形)
C. 形位公差和尺寸公差相互独立为默认要求(如果不存在实体补偿的话)
D. 尺寸公差和行为公差相关,并且要求在最大实体时形状必须完美(MMC状态不允许变形)
(根据下图,回答33~45题)

33. 孔15.8-15.0距离基准C的理论距离是多少?
A.71
B.70.2
C.70
D.69.8
34. 尺寸标注26-20.0板的最大厚度是多少?
A.20.9
B.20.8
C.20.7
D.20.6
35. 孔10.4-10.2的直线度可用什么尺寸的柱规来测量?
A.10.0
B.10.2
C.10.4
D.10.6
36. 平行度0.2约束了被控制表面的最大平面度是多少?
A.0.6
B.0.1
C.0.2
D.0.3
37. 理论尺寸50.2的最恶劣的外包容边界(Worst Case Boundary)是多少?
A.50.7
B.50.6
C.50.4
D.50.0
38. 15.8 -15.0的位置度允许最大基准偏移 (Datum Shift)是多少:
A.0.6
B.0.3
C.0.2
D.0.0
39.实际配合孔30.3的垂直度允许是多少:
A.0.6
B.0.3
C.0.2
D.0.0
40.孔15.8 -15.0最大的位置度补偿 (Bonus Tolerance)是多少:
A.1.0
B.0.8
C.0.2
D.0.0
41.孔15.8 -15.0允许的最大位置度是多少:
A.1.0
B.0.8
C.0.2
D.0.0
42.孔15.8 -15.0的实效边界(Virtual Condition Boundary)是多少?
A.16.0
B.15.6
C.15.0
D.14.8
43.平行度0.1会约束以下哪个选项?
A.约束该表面的平面度为0.1
B.不控制表面的平面度
C.把外边界增加到20.7
D.*翻推**规则1
44. 孔30.6-30.0和基准C的边缘之间最小壁厚是多少?
A.4.3
B.4.4
C.4.6
D.5.0
45.孔15.8-15.0和基准D的边缘之间最大壁厚是多少?
A.32.9
B.32.7
C.32.6
D.32.5
广告
GD&T 基础及应用 第2版作者:王廷强
当当
以上题目,请独立作答,试题评级参考标准:
*级A**:答对40~45题,你是GD&T高手高高手了,GD&T对于你来说,已经接近倒背唐诗三百首的境界了,就缺一张证书了!参加类似奥曼克系列高级GD&T训练班吧;
B级:答对30~40题,你是GD&T准高手了,GD&T对于你来说,还有很大的上升空间,继续努力或参加专业的训练班吧;
C级: 答对20~30题,你的GD&T水平算是拿到入门卷了,这结果不能全怪自己平时没有主动学习,更多的因素可能是平时工作中很少用到以上知识点,但是这借口似乎有点牵强哦,继续努力吧。
D级:答对10~20题,你的GD&T水平很一般,可能你是从事质量方面的QE、或者习惯于标注线性尺寸的设计师,或者是刚入行不到5年测量攻城狮,相对于这个结果,可以应付日常工作需求了,你可以选择性放弃治疗,但是成功的大门总是为那些拼命学习的人开启的。
E级:答对0~10题,你的GD&T水平很差,可能答对的10题里面大部分还是蒙对的,或者知道答案却不知道如何解释为什么是这个答案,相信这个状态的你,更多的是刚入行不久的职场小白,或者是整天只顾着操作OMM\CMM的初级技术员,赖自己没有时间学,或怪自己学历太低,无法接受需要使用汉语8级考核的4级GD&T试题。
