机械主传动系统的传动及变速方式有两种
1.主传动系统传动方式
主传动系统的传动方式主要有两种:集中传动方式和分离传动方式
(1)集中传动方式
主传动系统的全部传动和变速机构集中装在同一个主轴箱内,称为集中传动方式通用机床的主传动系统多采用这种方式,如图3.10所示的车床主传动系统。其优点是
结构紧凑,便于实现集中操队,安装调整方便。缺点是:这些高速运转的传动件在运转过程中所产生的振动,将直接影响主轴的运转平稳性;传动件所产生的热量,会使主轴
产生热变形。这种传动方式适用于普通精度的机床。
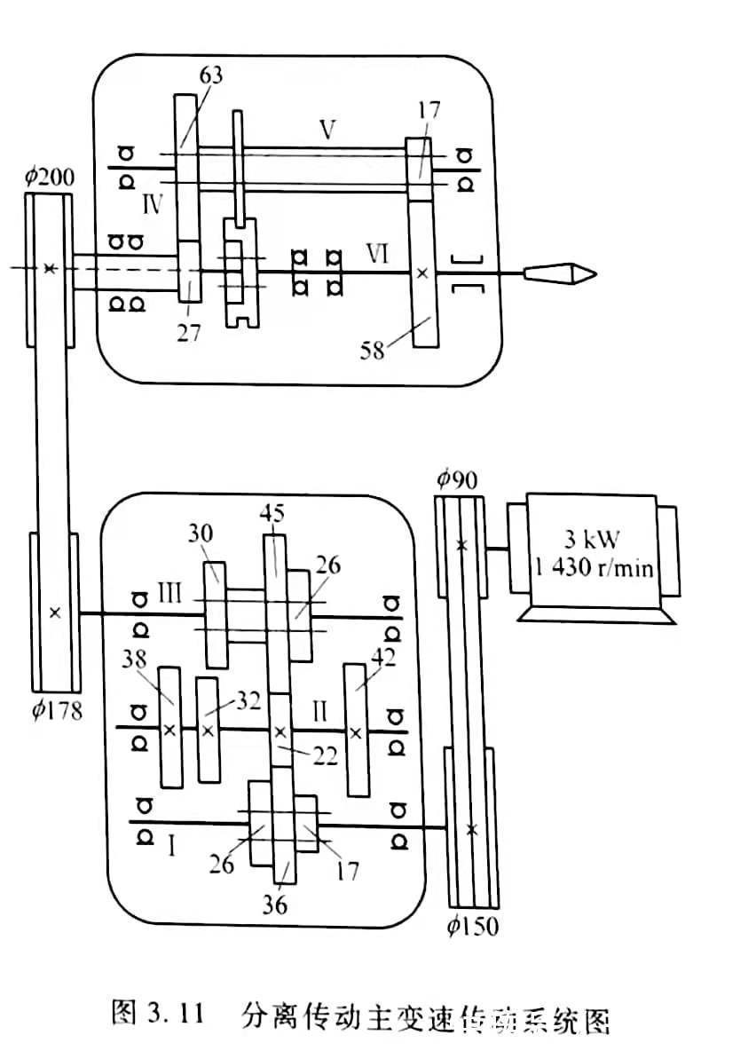
(2)分离传动方式
主传动系统中的大部分传动和变速机构布置在远离主轴的单独变速箱中,然后酒过带传动将运动传到主轴箱的传动方式,称为分离传动方式。如图3.11所示,主轴箱中只装有主轴组件和背轮机构,其特点是:变速箱各传动件所产生的振动和热量不能直接传给或少传给主轴,从而减少主轴的振动和热变形,有利于提高机床的工作精度,在分离传动式的主轴箱图311分离传动主变速传动系统图中,采用背轮机构(图中的齿轮27/63×17/58)传动的作用是:当主轴高速运转时,运动由带传动经齿轮离合器直接传动,主轴传动链短,使主轴在高速运转时比较平稳,空载据失小;当主轴低速运转时,运动则由带传动经背轮机构的两对降速齿轮后传给主轴,达到扩大变速范围的目的。
2.主传动系统变速方式
机械主传动系统的变速方式分为有级变速(又称为分级变速)和无级变速有级变速,有级变速的主轴转速级数是有限的,如图3.10的车床为12级。在设计和分析有级变速主
传动系统时,用到上述转速图、结构式。

(2)无级变速
主传动系统的无级变速是指在一定范围内,转速(或速度)能连续地变换,从而获取最有利的切酬速度机械主传动系统中常用的无级变速装置有两类:机械无级变速装置和液压无级变速装置。
1)机械无级变速装置机械无级变速装置是利用摩擦力来传递转矩,通过连续地改变摩擦传动副工作半径来实现无级变速,由于它的变速范围小,多数是恒转矩传动,通常较少单独使用,而是与有级变速机构串联使用,以扩大变速范围)机械无级变速器应用于要求功率和变速范围较小的中小型车床、铁床等机床的主传动中,更多的是用于进给变速传动中。
2)液压无级变速装置液压无级变速装置通过改变单位时间内输人油缸或液压机中液体的油量来实现无级变速,它的特点是变速范围较大,变速方便,传动平稳,运动换向时冲击小,易于实现直线运动和自动化,常用在主运动为直线运动的机床中,如個床、拉床等。。。。。。