一、石膏板吊顶开裂
问题分析:
1、伸缩缝位置石膏板未完全断开;
2、伸缩缝处凹槽内石膏板一端未设置活口,而是两端固定;
3、石膏板一端虽完全断开,但由于腻子及涂料施工,将断开位置填实,后期温度及应力导 致断开位置再次开裂。

管控措施:
1、前期策划应熟悉设计图纸,深化时注意接缝处的处理、可采用接近于伸缩缝面层材料的 颜色选用白色铝型材,保证装饰效果的整体性;
2、伸缩缝制作时,先将伸缩缝两边做成成品乳胶漆,伸缩缝宽度控制在15mm-20mm左右, 背面放两根背条,伸缩缝隙处可直接单独做一条宽约5cm-7cm宽的石膏板线条做好成品乳胶 漆后,直接放在伸缩缝上面的背条上。

二、吊顶检修口开裂
问题分析:
1、前期策划没有做到位,没有提*考前**虑到施工中会出现的问题;
2、技术交底不清,交底过程未配有正确做法图片;
3、检修口周边加固不到位。

吊顶检修口四周未加固,且未增加吊杆。检修口附近易开裂,后期检修时会破坏吊顶。
管控措施:
1、前期图纸深化时,应综合考虑空调、消防等配套单位顶面检修的要求,合理设置检修口的位置;
2、在检修孔四周加固轻钢龙骨或型钢龙骨,并在四个角上增加丝杆吊筋或型钢吊杆。(如正确照片所示);
3、在副龙骨下方安装0.5mm厚宽度不小于300宽“回”字型白铁皮进行加固。

三、主龙骨大吊安装错误
问题分析:
1、项目部对班组的技术交底不到位;
2、施工过程中检查不力。

管控措施:
1、轻钢龙骨吊顶主龙骨、大吊及副龙挂钩都必须正反扣安装。同时注意大吊穿心螺丝必须拧紧,主、副龙骨的卡件必须卡紧(如正确照片所示);
2、在防火卷帘、检修口边缘,副龙挂钩与主龙可考虑采用铆钉加固连接,或者采用主龙两侧同时安装副龙挂钩,增加主、副龙连接稳定性。

四、主龙骨安装不直
问题分析:
1、主龙骨、次龙骨受扭折,虽经修整,仍不平直;
2、挂铅线或镀锌铁丝的射钉位置不正确,拉牵力不均匀;
3、未拉通线全面调整主龙骨、次龙骨的高低位置;
4、测吊顶的水平线误差超差,中间平线起拱度不符合规定。

管控措施:
1、凡是受扭折的主龙骨、次龙骨一律不宜采用;
2、挂铅线的钉位,应按龙骨的走向每间距1.2m射一枚钢钉;
3、一定要拉通线,逐步调整龙骨的高低位置和线条平直;
4、四周墙面的水平线应测量正确,中间按平线起拱度1/200~1/300。

五、转角龙骨未固定
问题分析:
1、项目部对班组的技术交底不到位;
2、施工过程中检查不力。

管控措施:
1、副龙安装完成后在转角处裁割“L”型0.5mm镀锌铁皮加固;
2、转角上口增加50付龙骨斜撑;
3、大面积龙骨安装完成后应放置一段时间待应力完全释放后再进行封板;
4、吊顶隐蔽工程应在封板前全部完成,减少封板后上顶施工。

六、石膏板吊顶面层平整度不合格
问题分析:
1、放线误差太大;没有严格按水平基准线安装边龙骨;
2、吊杆上端膨胀螺栓没有紧固;吊杆弯曲;主龙骨大吊螺丝没有紧固;次龙骨卡件没有上紧;
3、龙骨扭曲变形;
4、石膏板受潮;其它设备直接安放在石膏板上或施工踩踏。

管控措施
1、控制放线误差,严格根据水平基准线安装延墙龙骨;
2、紧固轻钢龙骨基层所有的螺丝;螺栓;卡件,上紧石膏板固定螺钉但不能打破石膏板面纸;调直吊杆;更换变形龙骨;所有的杆件龙骨间距必须符合设计和规范要求(龙骨间距、吊杆问距,起拱等);
3、按规范要求存放石膏板;安装石膏板前加强与与有关单位进行沟通,以确定施工顺序和加固方法;安装石膏板前进行严格的基层检查;调整。

七、吊顶铝扣板边缘收口出现翘曲漏缝现象
问题分析:
1、放线时顶面水平度未控制好;
2、铝扣板质量差,长宽比达不到规范要求;
3、后期安装灯具导致已经安装好的铝扣板出现翘曲现象。

管控措施:
1、放线时要精准放线,控制好顶面完成面线;
2、深化到位,根据排版尺寸,统一加工合格铝扣板;
3、用配套边侧卡件进行受力固定,或在边缘铝扣板背面加龙骨等型材压住板边缘。

八、吊顶接缝不平直,错缝,接缝不均匀
问题分析:
1、作业人员本身的职业技能不符合要求,责任心不强;
2、基层板翘曲不平,紧固螺钉间距不合理,边角固定不合理,局部没有与基层龙骨紧固;
3、没有拉通长水平控制线,没有按设计图弹出通长中心控制线,安装就位时顺序流向不合理。

管控措施:
1、加强过程验收检查,层层把控,层层验收;
2、合理安排工序,严格控制每道工序的完成质量。
3、安装过程中严控安装质量,做好成品保护。

九、吊顶铝扣板不平整
问题分析:
1、放线时顶面水平未控制好;
2、铝扣板质量差,厚度、长宽比达不到规范要求;
3、后期安装灯具导致已经安装好的铝扣板出现翘曲现象。

管控措施:
1、放线时要精准放线,控制好顶面完成面线;
2、深化到位,根据排版尺寸,统一加工合格铝扣板;
3、用配套边侧卡件进行受力固定,或在边缘铝扣板背面加龙骨等型材压住板边缘。

十、金属铝格栅安装之后观感质量差,灯线管清晰可见接缝不平,与设备结合不吻合等
问题分析:
1、施工交底不到位;
2、前期策划不到位,深化设计不足;
3、各专业未进行工作面交接。

管控措施
1、确定铝格栅吊顶内的工作内容;
2、各专业依次进行;
3、水电安装专业隐蔽验收工作全部完成;
4、安装铝格栅时,一定要进行各专业隐蔽会签。确认各专业全部完成后才能进行。

十一、吊顶与墙面交界面处开裂
问题分析:
1、石材墙面与吊顶处硬接,由于是交叉施工作业,精度往往难以控制,导致部分阴角不顺直。两种材料或转角处的饰面容易开裂;
2、对图纸深化设计不细,导致出现类似质量通病。

管控措施:
1、留空设置:对高度较高(一般6m以上)、施工面积较大的石材墙面,在石材顶端与吊顶间留出20mm左右的间隙,同时石材顶端正面以2mm×2mm的45°内倒角,克服石材爆边缺陷,同时交接面缺陷被隐藏(图1);
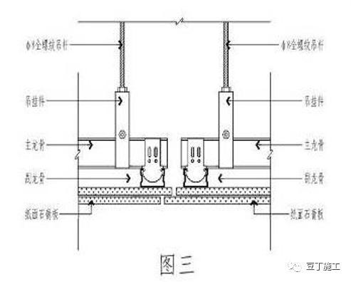
2、对于高度较低的石材墙面正面以8×8mm的裁口,或做5×5mm的45°倒角,这样克服石材爆边缺陷,同时交接面缺陷被隐藏(图2、图3);
3、对于墙面不太高的石材,吊顶周边或设置迭级或凹槽(和原设计沟通),墙面石材直接置顶,同时墙面顶端石材正面以2×2mm的45°倒角(图4)。

十二、石膏线条接缝开裂
问题分析:
1、石膏线基层固定不牢固;
2、石膏线安装时接缝处缝隙过小或未留缝致使无法满批粘结石膏;
3、石膏线接缝处背面无加固措施。

管控措施:
1、石膏板拼缝应在拼板前预先刨出“V”形口;
2、顶面转角接缝应能错开30mm,采用“L”字切割,保证转角处为一整块石膏板;
3、在转角接缝处设置加强板,提高抗裂强度。


十三、点位排布不规范,不合理
问题分析:
1、没有进行统一的综合天花布置,并按图进行施工;
2、施工组织设计不合理;没有进行作业前技术交底;
3、管理人员监控力度不够;与设计单位,安装单位的技术协调与沟通不够;关键设备布置间距不符合规范要求。

管控措施:
1、根据设计要求和现场实际情况认真进行综合天花布置,并严格按综合天花图进行定位布置;管理人员在班前应对作业人员进;
2、进行认真细致的技术交底;
3、加强施工工程的监控力度;施工前与设计单位,安装单位进行详细的图纸会审以及在施工工程必要地技术协调与沟通;详细绘制天花吊顶设备综合布置图,以便协调。
