废话不多说,直接上电路图

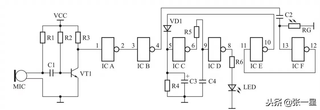
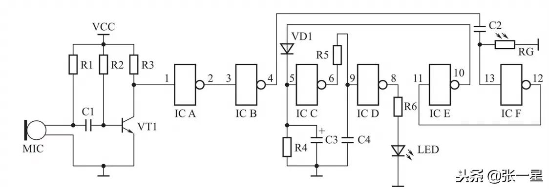
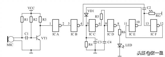
“CD4069声光控延时LED”电路图

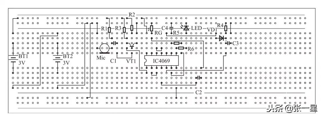
所需元器件清单
 当光线亮时,光敏电阻阻值很小,非门IC F的输入端13脚为低电平,12脚高电平,11脚高电平,10脚低电平,8脚输出低电平,发光二极管LED不会发光。

当光线暗时,光敏电阻阻值升高,由于它一端接地,13脚仍为低电平,当有声音信号时,在负半周,三极管VT1截止,非门IC A的1脚为高电平,输出端2脚低电平,输入端3脚低电平,输出端4脚高电平,该电平信号经过电容C2耦合至输入端13脚,输出端12脚低电平,输入端11脚低电平,输出端10脚高电平

该高电平通过二极管VD1给电解电容C3充电,输出端6脚为低电平,输入端9脚低电平,输出端8脚高电平,发光二极管LED点亮,随着灯亮时间的延长,电容C3上的电荷经R4缓慢放电,当输入端5脚变为低电平时,输出端6脚输出高电平,在内部反相器的作用下,输出端8脚输出低电平,发光二极管LED熄灭,这就是一次声光控延时LED的全过程。

装配图
就是这么简单粗暴,欢迎大家关注转发!