旋转编码器是一种光电式旋转丈量设备,它将被测的角位移直接改换成数字信号(高速脉冲信号)。因而可将旋转编码器的输出脉冲信号直接输入给plc,运用PLC的高速计数器对其脉冲信号进行计数,欧姆龙触摸屏,已取得丈量成果。
1
分歧样类型的旋转编码器,其输出脉冲的相数也纷歧样,有的旋转编码器输出A、B、Z三相脉冲,有的只需A、B相两相,最简略的只需A相。

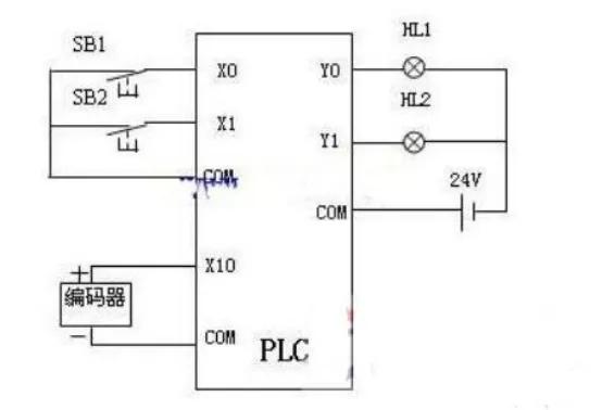
旋转编码器与PLC的连接
如图所示是输出两相脉冲的旋转编码器与FX2N系列PLC的衔接示意图。编码器有4条引线,其间2条是脉冲输出线,1条是COM端线,1条是电源线。
编码器的电源可以外接电源,也可直接运用PLC的DC24V电源。电源“-”端要与编码器的COM端衔接,“+ ”与编码器的电源端衔接。
编码器的COM端与PLC输入COM端衔接,A、B两相脉冲输出线直接与PLC的输入端衔接,衔接时要留意PLC输入的呼应时刻。
有的旋转编码器还有一条屏蔽线,运用时要将屏蔽线接地。
∨

【表的阅读法】
输入X000,C235单相单输入计数,不具有中断复位与中断启动输入功能。如果使用C235,则不可使用以下编号:
C241,C244,C246,C247,C249,C251,C252,C254和M8170「脉冲捕捉」
2
- 旋转编码器的接线方法
旋转编码器以转动时输出脉冲,通过计数设备来知道其位置(plc)我们通常用的是增量型编码器,可将增量型编码器的输出脉冲信号直接输入给PLC,利用PLC的高速计数器对其脉冲信号进行计数,以获得测量结果。
由于旋转编码器输出脉冲的相数不同,有的旋转编码器输出A、B、Z三相脉冲,有的只有A、B相两相,最简单的只有A相。最多有A,A+,A-,B,B+,B-,Z,Z+,Z-三组三相脉冲。
常用的旋转编码器有5条引线,其中3条是脉冲输出线,1条是COM端线,1条是电源线(OC门输出型)。电源可以是外接电源,也可直接使用PLC的电源。

电源“-”端要与编码器的COM端连接,“+ ”与编码器的电源端连接。编码器的COM端与plc输入COM端连接,A、B、Z两相脉冲输出线直接与PLC的输入端连接,A、B为相差90度的脉冲。
旋转编码器还有一条屏蔽线,使用时要将屏蔽线接地,提高抗干扰性。
3
- 旋转编码器每根线的作用及如何接线的方法
这要看编码器型号,是并口的还是串口的,不同线色代表不同信号,一般黑色是地,白色是电源,其他就是信号线了。
一般情况下,有五根线
一根接电源正,电源一般有(5~30v)
一根接电源负
一根接A相
一根接B相
一根接Z相(圈数相)
想了解更多关于自动化、编码器、伺服电机等相关资讯欢迎关注公众号:倍能编码器