梁雨
内蒙古路桥集团有限责任公司
摘 要: 为研究振冲碎石桩在水工工程中的应用,基于理论与实践相结合的研究方法,对实际水工工程对振冲碎石桩的复合地基承载力计算方法及承载力实测方法进行研究。研究结果表明,振冲碎石桩在水工工程中的应用及计算与工民建工程中振冲碎石桩的应用及计算公式相似,处理后的复合地基承载力有所提高。
关键词: 振冲碎石桩;单桩承载力;力学指标;
0 引言
在地基处理方法中有预压真空法、换填法、强夯法、振冲法、水泥搅拌法等,振冲碎石桩[1,2]适用于处理砂土、粉质粘土、粉土等,具有施工工艺简单,造价低等特点。许多研究学者对该方法进行了大量的研究,其中王兆利等[3,4]对振冲碎石桩在渔港工程中的施工工艺及地基处理效果进行研究,研究表明水下振冲碎石复合地基与在道路、建筑等工程的应用存在许多差异;黎桂香[5]用过研究提出振冲碎石桩复合地基的承载力计算新公式;陈自荣等[6]通过研究,表明振冲碎石桩在港口工程中应用也具备经济性及安全性,可推广使用。
在现有的研究基础上,基于理论与实践相结合的研究方法,对实际水工工程振冲碎石桩进行研究。
1 工程概况
1.1 地质情况介绍
本工程位于某游轮码头,根据地勘资料显示其钻孔的标高为-5.90~-7.85m之间,地势较为平缓,研究区域内的土层从上到下依次为淤泥,标贯击数≥1击,厚度为2.4~5.8m;淤泥质粉质黏土,标贯击数≥1击,厚度为5.0~7.2m;粉砂,该层分布最广其厚度为1.2~4.2m;粉质粘土分布较为均匀,厚度为0.9~4.0m,在粉质黏土层下面的土层为强风化辉绿岩、中风化辉绿岩、强风化板岩和中风化板岩。
1.2 基础处理
本工程考虑到成本等问题,决定采用碎石桩作为地基处理方法,将其进行处理,主要处理的地质土层包括淤泥层、粉砂层及粉质粘土层,各土层原地基承载力特征值为40kPa、100kPa及160kPa,碎石桩采用正三角布置,直径为1.2m,桩与桩的中心间距为1.7m,碎石桩需达到粉质黏土层并进入≥1.2m,成桩后在桩顶面设置1.0m的碎石作为垫层,分层对其填充并压实。
2 振冲碎石桩的监测方法
2.1 土压力监测方法
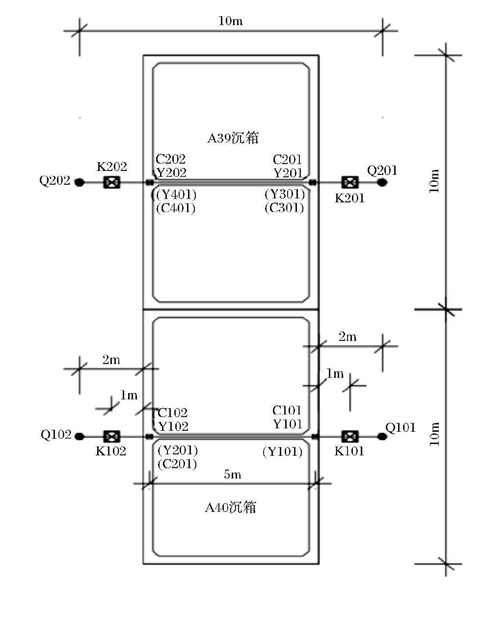
在对振冲碎石桩进行检测时,对桩间土压力的检测是一个关键的指标,为了解上部结构施工过程中关键点位置的土压力变化,本工程分别在两个沉箱前后趾设置土压力盒作为监测点,具体的布置图见图1所示。
2.2 土压力监测结果
分别取相对应的部分测点进行统计分析,结果如表1所示。
从表1中可知,随着时间的推移(组别按时间顺序进行记录),该土体的桩间土趋于稳定,各测点的压力值均保持在50kPa左右,说明该土样的桩间土属于正常状态。
2.3 孔隙水压力监测方法
土体中的孔隙水水压力变化不仅可以用于土体固结度的计算,还能作为土体强度增长的判断依据,也可用于施工堆载的控制依据。本工程中在布设孔隙水压力检测点时从上表面土层到承载力土层每隔2~3m布置一个孔隙水压力测头,并且为保证测点的有效性,当仪器埋设完成后立马对其进行检测,当所测的孔压力值稳定后作为孔压监测点的初始值。本工程中的孔隙监测点布置见图2所示。

图1 土压力监测点平面布置图 *载下**原图
表1 土压力测点监测结果表 *载下**原图

2.4 孔隙水压力监测结果
分别取相对应的部分测点进行统计分析,结果如表2所示。
表2 孔隙水压力测点监测结果表 *载下**原图


图2 孔隙水压力测点布置图 *载下**原图
从表2中可知,随着时间的推移,孔隙水压力的超孔隙压力消散并逐步趋于稳定,说明当上部结构完成后,上部荷载与空隙水压力的关系不大,主要是由碎石桩与桩间土承担上部荷载。
3 振冲碎石桩承载力计算
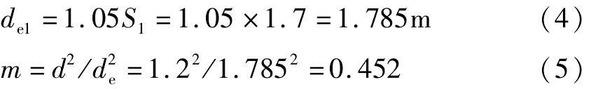
3.1 碎石桩置换率及等效直径计算
复合地基单桩等效圆直径及面积置换率的计算可根据下列公式进行计算:

式中:de1、de2分别为等边三角形和正方形布置时单桩等效圆的直径(m);S1、S2分别为等边三角形和正方形布置时相邻桩的中心距(m);m为面积置换率;d为单桩设计的直径(m);de为单桩等效圆直径(m)。
本工程根据1.2小节中碎石桩的布置方法,相应的单桩等效直径及置换率计算结果如下所示:

3.2 基底应力计算
(1)结构及土层自重
自重计算表见表3。
表3 自重计算表 *载下**原图

表3中:第一层土自重=第一层土浮重度×体积,第一层上部自重累计和=第一层土自重+上部结构自重;第二层土自重=第一层土自重+第二层土浮重度×体积,以此类推。
(2)基底应力
应力计算表见表4。
表4 应力计算表 *载下**原图

表4中:最大应力与最小应力=(上部结构传至基础顶的竖向力+基础及上部结构自重)/基础底面积±作用于基础底面力矩/基础底面的抵抗矩。
3.3 碎石桩应力计算
上部荷载由桩间土及碎石桩承担。因此桩间土与桩加权平均为地基平均应力:
(1-0.452)σ土+0.452σ桩=σ
桩间土σ土为5163kPa,基底应力为11855kPa,因此可以求得σ桩=199.68kPa。
3.4 振冲碎石桩施工工艺及施工注意事项
振冲碎石桩在施工时主要涉及到的机械设备包括振冲器、水泵及操作振冲器吊机,其原理是通过电机旋转带动偏心块运动,偏心块运动产生水平向的频率和振幅,使土地得到挤压,空心竖轴将压力水通过振冲器下端高速喷出,成孔。振冲碎石桩施工的过程主要包括施工前准备阶段、仪器安装就位对中、成孔及清空、加密振密阶段、关闭振冲器并撤出施工区等几个过程。振冲碎石桩在施工前应先进行试成桩;在施工的过程中,应对不同分区内机械设备参数进行设置,以保证不同设备达到相同的施工要求;需对施工机械设备进行定期检测,保证施工设备性能良好。对于水下工程除了满足基本的要求外,还应根据地质条件进行调整,如当水下存在厚度不一的淤泥等土层,并且在水下不易成孔时,可以在成孔时加大水量进行冲孔,并且在加密过程中为防止碎石颗粒间的粘土,可以加大加密水压将其冲出,还可以通过提高加密速度,以保证碎石桩的桩体成桩质量。
4 结论
基于理论与实践相结合的研究方法,对实际水工工程振冲碎石桩进行研究,通过对孔隙水压力及土压力的数据进行分析计算,研究结果表明:振冲碎石桩在水工工程中的应用及计算与工民建工程中振冲碎石桩的应用及计算公式相似,处理后的复合地基承载力有所提高。
参考文献
[1] 林孔锱.碎石桩地基的承载力与沉降计算探讨[J].工业建筑,1984(7):1-6.
[2] 盛崇文.碎石桩复合地基的沉降计算[J].土木工程学报,1986(1):72-80.
[3] 王兆利,王玉荣,张仁杰.港口工程软基处理中振冲碎石桩的应用与检测[J].山东商业职业技术学院学报,2010(4):98-101.
[4] 龚晓南.地基处理手册[M].北京:中国建筑工业出版社,2008.
[5] 黎桂香.碎石桩复合地基承载力计算新探讨[J].广东水利水电,2010(6):7-8+50.
[6] 陈自荣,刘年飞,张建侨.振冲碎石桩在山东石岛中心渔港工程中的应用[J].水运工程,2010(9):124-127.