数控车床编程常用指令介绍
1. F功能
F功能指令用于控制切削进给量。在程序中,有两种使用方法。
(1)每转进给量
编程格式 G99 F~
F后面的数字表示的是主轴每转进给量,单位为mm/r。
例:G99 F0.2 表示进给量为0.2 mm/r。
(2)每分钟进给量
编程格式G98 F~
F后面的数字表示的是每分钟进给量,单位为 mm/min。
例:G94 F100 表示进给量为100mm/min。
2. S功能
S功能指令用于控制主轴转速。
编程格式 S~
S后面的数字表示主轴转速,单位为r/min。在具有恒线速功能的机床上,S功能指令还有如下作用。
(1)最高转速限制
编程格式 G50 S~
S后面的数字表示的是最高转速:r/min。
例:G50 S3000 表示最高转速限制为3000r/min。
(2)恒线速控制
编程格式 G96 S~
S后面的数字表示的是恒定的线速度:m/min。
例:G96 S150 表示切削点线速度控制在150 m/min。
(3)恒线速取消
编程格式 G97 S~
S后面的数字表示恒线速度控制取消后的主轴转速,如S未指定,将保留G96的最终值。
例:G97 S3000 表示恒线速控制取消后主轴转速3000 r/min。
3. T功能
T功能指令用于选择加工所用刀具。
编程格式 T~
T后面通常有两位数表示所选择的刀具号码。但也有T后面用四位数字,前两位是刀具号,后两位是刀具长度补偿号,又是刀尖圆弧半径补偿号。
例:T0303 表示选用3号刀及3号刀具长度补偿值和刀尖圆弧半径补偿值。
T0300 表示取消刀具补偿。
4. M功能
M00: 程序暂停,可用NC启动命令(CYCLE START)使程序继续运行;
M01:计划暂停,与M00作用相似,但M01可以用机床“任选停止按钮”选择是否有效;
M02:程序结束,该指令表示执行完程序内所有指令后,主轴停止,进给停止,冷却液关闭,机床处于复位状态。
M03:主轴顺时针旋转;
M04:主轴逆时针旋转;
M05:主轴旋转停止;
M08:冷却液开;
M09:冷却液关;
M30:程序停止,程序复位到起始位置。
5. 加工坐标系设置G50
编程格式 G50 X~ Z~
式中X、Z的值是起刀点相对于加工原点的位置。G50使用方法与G92类似。
在数控车床编程时,所有X坐标值均使用直径值,如图所示。
例:按图设置加工坐标的程序段如下:
G50 X128.7 Z375.1
设定加工坐标系

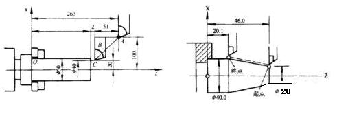
6. 快速定位指令G00
G00指令命令机床以最快速度运动到下一个目标位置,运动过程中有加速和减速,该指令对运动轨迹没有要求。其指令格式:
G00 X(U)____ Z(W)____;
当用绝对值编程时,X、Z后面的数值是目标位置在工件坐标系的坐标。当用相对值编程时,U、W后面的数值则是现在点与目标点之间的距离与方向。如图所示的定位指令如下:
G50 X200.0 Z263.0; 设定工件坐标系
G00 X40.0 Z212.0; 绝对值指令编程A→C
或G00 U-160.0 W-51.0; 相对值指令编程A→C
因为X轴和Z轴的进给速率不同,因此机床执行快速运动指令时两轴的合成运动轨迹不一定是直线,因此在使用G00指令时,一定要注意避免刀具和工件及夹具发生碰撞。如果忽略这一点,就容易发生碰撞,而快速运动状态下的碰撞就更加危险
7. 直线插补指令G01
G01指令命令机床刀具以一定的进给速度从当前所在位置沿直线移动到指令给出的目标位置。
指令格式:G01 X(U)____Z(W)____F ;
其中F是切削进给率或进给速度,单位为mm/r或mm/min,取决于该指令前面程序段的设置。使用G01指令时可以采用绝对坐标编程,也可采用相对坐标编程。当采用绝对坐编程时,数控系统在接受G01指令后,刀具将移至坐标值为X、Z的点上;当采用相对坐编程时,刀具移至距当前点的距离为U、W值的点上。如图所示的直线运动指令如下:
G01 X40.0 Z20. F0.2; 绝对值指令编程
G01 U20.0 W-25.9 F0.2; 相对值指令编程

8. 圆弧插补指令G02、G03
圆弧插补指令命令刀具在指定平面内按给定的F进给速度作圆弧插补运动,用于加工圆弧轮廓。圆弧插补命令分为顺时针圆弧插补指令G02和逆时针圆弧插补指令G03两种。其指令格式如下:
顺时针圆弧插补的指令格式:G02 X(U)____Z(W)____I____K____F____;
G02 X(U)____Z(W)___R___ F____;
逆时针圆弧插补的指令格式:G03 X(U)____Z(W)____ I____K____F____;;
G03 X(U)____Z(W)___R___ F____;
使用圆弧插补指令,可以用绝对坐标编程,也可以用相对坐标编程。绝对坐标编程时,X、Z是圆弧终点坐标值;增量编程时,U、W是终点相对始点的距离。圆心位置的指定可以用R,也可以用I、K,R为圆弧半径值;I、K为圆心在X轴和Z轴上相对于圆弧起点的坐标增量; F为沿圆弧切线方向的进给率或进给速度。

当用半径R来指定圆心位置时,由于在同一半径R的情况下,从圆弧的起点到终点有两种圆弧的可能性,大于180°和小于180°两个圆弧。为区分起见,特规定圆心角α≤180°时,用“+R”表示;α>180°时,用“-R”。注意:R编程只适于非整圆的圆弧插补的情况,不适于整圆加工。例如,图3-13中所示的圆弧从起点到终点为顺时针方向,其走刀指令可编写如下:
G02 X50.0 Z30.0 I25.0 F0.3; 绝对坐标,直径编程,切削进给率0.3mm/r
G02 U20.0 W-20.0 I25.0 F0.3; 相对坐标,直径编程,切削进给率0.3mm/r
G02 X 50. 0 Z30.0 R25.0 F0.3; 绝对坐标,直径编程,切削进给率0.3mm/r
G02 U20.0 W-20.0 R25.0 F0.3; 相对坐标,直径编程,切削进给率0.3mm/r
9. 暂停指令G04
G04指令用于暂停进给,其指令格式是:
G04 P____
或G04 X(U)____
暂停时间的长短可以通过地址X(U)或P来指定。其中P后面的数字为整数,单位是ms;X(U)后面的数字为带小数点的数,单位为s。有些机床,X(U)后面的数字表示刀具或工件空转的圈数。
该指令可以使刀具作短时间的无进给光整加工,在车槽、钻镗孔时使用,也可用于拐角轨迹控制。例如,在车削环槽时,若进给结束立即退刀,其环槽外形为螺旋面,用暂停指令G04可以使工件空转几秒钟,即能将环形槽外形光整圆,例如欲空转2.5s时其程序段为:
G04 X2.5或G04 U2.5或G04 P2500;
G04为非模态指令,只在本程序段中才有效。
10. 英制和米制输入指令G20、G21
G20表示英制输入,G21表示米制输入。G20和G21是两个可以互相取代的代码。机床出厂前一般设定为G21状态,机床的各项参数均以米制单位设定,所以数控车床一般适用于米制尺寸工件加工,如果一个程序开始用G20指令,则表示程序中相关的一些数据均为英制(单位为英寸);如果程序用G21指令,则表示程序中相关的一些数据均为米制(单位为mm)。在一个程序内,不能同时使用G20或G21指令,且必须在坐标系确定前指定。G20或G21指令断电前后一致,即停电前使用G20或G21指令,在下次后仍有效,除非重新设定。
11. 进给速度量纲控制指令G98、G99
在数控车削中有两种切削进给模式设置方法,即进给率(每转进给模式)和进给速度(每分钟进给模式)。
(1)进给率,单位为mm/r,其指令为:
G99; 进给率转换指令
G01X____Z____F____; F的单位为mm/r
(2)进给速度,单位为mm/min,其指令为: .
G98; 进给速度转换指令
G01X____Z____F____; F的单位为mm/min
G98和G99都是模态指令,一旦指定就一直有效,直到指定另一方式为止。车削CNC系统缺省的进给模式是进给率,即每转进给模式,只有在用动力刀具铣削时才采用每分钟进给模式。
12. 参考点返回指令G27、G28、G30
参考点是CNC机床上的固定点,可以利用参考点返回指令将刀架移动到该点。可以设置最多四个参考点,各参考点的位置利用参数事先设置。接通电源后必须先进行第一参考点返回,否则不能进行其它操作。参考点返回有两种方法:
(1)手动参考点返回。
(2)自动参考点返回。该功能是用于接通电源已进行手动参考点返回后,在程序中需要返回参考点进行换刀时使用的自动参考点返回功能。
自动参考点返回时需要用到如下指令:
1)返回参考点检查G27
G27用于检验X轴与Z轴是否正确返回参考点。指令格式为:
G27 X(U)____ Z(W)____
X(U)、Z(W)为参考点的坐标。执行G27指令的前提是机床通电后必须手动返回一次参考点。
执行该指令时,各轴按指令中给定的坐标值快速定位,且系统内部检查检验参考点的行程开关信号。如果定位结束后检测到开关信号发令正确,则参考点的指示灯亮,说明滑板正确回到了参考点位置;如果检测到的信号不正确,系统报警,说明程序中指令的参考点坐标值不对或机床定位误差过大。
2)参考点返回指令G28、G30
G28 X(U) ____ Z(W) ____; 第一参考点返回,其中X(U)、Z(W)为参考点返回时的中间点,X、Z为绝对坐标,U、W为相对坐标。参考点返回过程如图3-14所示。
G30 P2 X(U)____ Z(W)____; 第二参考点返回,P2可省略
G30 P3 X(U)____ Z (W)____; 第三参考点返回
G30 P4 X(U)____ Z(W)____; 第四参考点返回
第二、第三和第四参考点返回中的X(U)、Z (W)的含义与G28中的相同。
如图3-14所示为刀具返回参考点的过程,刀具从当前位置经过中间点(190,50)返回参考点,其指令为:
G30 X190 Z50;
G30 U100 W30;
如图3-14中的虚线路径所示,如果参考点返回时不经过中间点,则刀具会与工件发碰撞,引起事故。

13.螺纹指令(G32/G92/G76)
1)G32
功能:加工圆柱或圆锥螺纹。
格式
G32X(U)__Z(W)__F__;
X(U)__Z(W)__螺纹终点坐标,F螺纹导程。
2). 螺纹切削循环(G92)
(1) 功能:车削圆锥螺纹和圆柱螺纹。
(2) 车削圆柱螺纹格式
G92X(U)__Z(W)__ F__;
(3)车削圆柱螺纹格式
G92X(U)__Z(W)__ R__F__;
X(U)__Z(W)__螺纹终点坐标,R:螺纹切出点至切入点的在X向位移(单边),F螺纹导程
3). 螺纹切削加工复合循环(G76)
G76 P(m)(r)(a)Q(Δdmin)R(d);
G76X(U) Z(W) R (i) P(k) Q(Δd) F(L);
m :精加工重复次数(1~99)。该值是模态的。
r :倒角量。当螺距由L 表示时,可以从0.0L 到9.9L 设定,单位为0.1L(两位数:从00 到99)。
a :刀尖角度。可以选择80°,60°,55°,30°,29°和 0°六种中的一种,由2 位数规定。该值是模态的.
P 02 12 60
m r a
Δdmin :最小切深(用半径值指定),不使用小数。
d :精加工余量,该值是模态的。允许使用小数。
i :螺纹半径差,如果i=0,可以进行普通直螺纹切削。
k :螺纹高,正的半径值,不使用小数。
这个值用半径值规定。
Δd :第一刀切削深度(半径值),不使用小数。
L :螺纹导程(同G32)
14、外径/内径切削循环(G90)
² 功能:车削内外圆柱面和圆锥面
² 格式
G90 X(U)__Z(W)___R____F___;

R:切出点至切入点的在X向位移(单边)。
15、端面车循环(G94)
² 功能:车削内外平端面和圆锥面
² 格式
G94X(U)__Z(W)__R__F__;

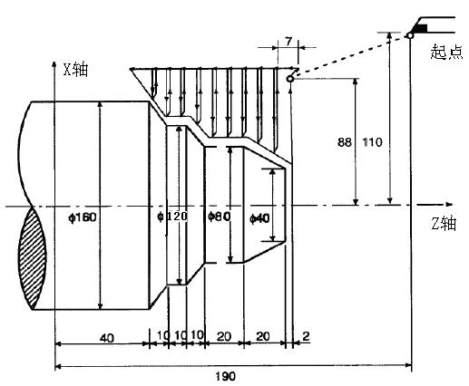
16、外圆粗车循环(G71)
1) 功能:粗车外圆循环。

2) 刀具路径:图示粗车的切削轨迹。图6-2-1 G71粗车外圆刀具路径
3)程序格式
G71 U(Δd)R(e)
G71 P (ns) Q (nf) U (Δu) W (Δw) F (f) S (s) T (t)
N (ns)....
……………
N (nf)…………
Δd :切削深度(半径给定)。
不带符号。切削方向决定于AA′方向。该值是模态的,直到指定其它值以前不改变。该值也可以由参数(5132 号)设定参数由程序指令改变。
e :退刀量。
这是模态的,直到其它值指定前不改变,这值也可以由参数(5133 号)设定,参数由程序指令改变。
ns :精车加工程序第一个程序段的顺序号。
nf :精车加工程序最后一个程序段的顺序号。
U :X 方向精加工余量的距离和方向(直径/半径指定)。
W :Z 方向精加工余量的距离和方向
f,s,t :包含在ns 到nf 程序段中的任何F,S 或T 功能在循环中被忽略,而在G71程序段中的F,S 或T 功能有效。从顺序号ns 到nf 的程序段为A 到B 的运动指令。

图6-2-2 G71刀具路径分解分解注:
1. 当Δd 和ΔU 两者都由地址U 指定时,其意义由地址P 和Q 决定。
2. 粗车加工循环由带有地址P 和Q 的G71 指令实现。在A 点和B 点间的运动指令中指定的F,S 和T 功能无效,但是,在G71 程序段或前面程序段中指定的F,S 和T 功能有效。当用恒表面切削速度控制时,在A 点和B 点间的运动指令中指定的G96 或G97 无效,而在G71 程序段或以前的程序段中指定的G96 或G97 有效。
3. 顺序号“ns”和“nf”之间的程序段不能调用子程序。
17、平端面粗车循环(G72)
1)功能:平端面粗车循环。
2) 刀具路径:图示粗车的切削轨迹。

如图所示平端面粗车的切削轨迹,除了切削是由平行X 轴的操作外,该循环与G71 完全相同。
3)程序格式
G72W(Δw)R(e)
G72 P (ns) Q (nf) U (u) W (w) F (f) S (s) T (t)18、型车复循环(G73)
功能:可以车削固定的图形。这种切削循环,可以有效地切削铸造成型,锻造成型或已粗车成型的工件。
刀具路径:图示型车复循环的切削轨迹
程序格式
G73 U (Δi) W (Δk) R(d)
G73 P (ns) Q (nf) U (u) W (w) F (f) S (s) T (t) ;
N (ns)…………

……………
N (nf)…………
Δi :X 方向退刀量的距离和方向
(半径指定)。该值是模态值。该值
可由5135 号参数指定,由程序指
令改变。

ΔK :Z 方向退刀量的距离和方向。该值是模态。该值可由5136 号参数指定,由程序指令改变。
d :分割数。此值与粗切重复次数相同,该值是模态的可由5137 号参数指定,由程序指令改变。
ns :精车加工程序第一个程序段的顺序号。
nf :精车加工程序最后一个程序段的顺序号。
ΔU :在X 方向加工余量的距离和方向(直径/半径)指定。
ΔW :在Z 轴方向切削余量的距离和方向
f,s,t :顺序号“ns”±和“nf”±之间的程序段中所包含的任何F,S 和T 功能都被忽略,而在这G73 程序段中的F,S,T 功能有效。A 和B 间的运动指令指定在从顺序号ns 到nf 的程序段中
注意:
1. 当值Δi 和ΔK,或者ΔU 和ΔW 分别由地址U 和W 规定时,它们的意义由G73 程序段中的地址P 和Q 决定。当P 和Q 没有指定在同一个程序段中时,U 和W 分别表示Δi 和ΔK,当P 和Q 指定在同一个程序段中时,U 和W 分别表示ΔU 和ΔW。
2. 有P 和Q 的G73 指令执行循环加工。不同的进刀方式(共有4 种)ΔU,ΔW,ΔK 和Δi 的符号不同,应予以注意。加工循环结束时,刀具返回到A 点。
19、精车循环(G70)
功能:精车循环G70用于G71、G72 或G73 粗切后,实现精加工。
指令格式
G70P (ns) Q (nf)
(ns):精加工程序第一个程序段的顺序号
(nf):精加工程序最后一个程序段的顺序号
注意:
1. 在G71,G72,G73 程序段中规定的F,S 和T 功能无效,但在执行G70 时顺序号(ns)和(nf)之间指定的F,S 和T 有效。
2. 当G70想学习UG编程加Q群614096521 循环加工结束时,刀具返回到起点并读下一个程序段。
3. G70 到G73 中ns 到nf 间的程序段不能调用子程序

图6-2-3 例题1
例题1:G72/G70
O0005;
N010 G50 X220.0Z190.0 ;
N011 G00 X176.00 Z112.0;
N012 G72 W7.0 R1.0;
N013 G72 P014 Q019 U4.0 W2.0 F0.3 S550
N014 G00 Z36.0 S700;
N015 G01 X120.0 W12.0 F0.15 ;
NOl6 W10.0;
N017 X80.0W10.0;
N018 W20.0;
N019 X36.0W22.0;
N020 G70 P014 Q019;
N021 G0X220.0Z190.0;
N022 M30;

例题2:G73/G70O0006;
N010 G50 X260.0 Z220.0 ;
N020 G00 X220.0 Z176.0 ;
N030 G73 U14.0 W14.0 R3;
N040 G73 P050 Q100 U4.0 W2.0 F0.3 S400
N050 G00 X80.0 W-40.0 ;
N060 G01 W-20.0:
N070 X120W-10.0 ;
N080 W-20.0;
N090 G02 X160.0 W-20.0 R20,0;
N100 G01 X180.0 W-10.0;
N110 G70 P014 Q019 ;
N120 G0 X260.0Z220.0;
N130 M30;
当你想学编程,找不到学习的方法?
如果你想学UG编程的话你可以加阿心获取视频资料软件学习。因很多粉丝想跟作者交流 特此申请了个数控交流群 大家一起学习一起交流 有想一起交流的朋友可以私信作者,群里也提供免费的视频资料 UG软件等各种一切免费
下面是私信获取方法:
请在评论区评论:教程,这样方便大家获取,然后关注本头条号后私信阿心:UG。
点我的头像进入我的主页面
记住:要用手机客户端哦,木有客户端的速度*载下**哦!
首先关注我的头条号,然后手机点进阿心的主页面(网页版是找不到私信页面的!)
支持小编,好让我有分享的动力!