一、电磁炉的特点:
1、安全可靠:过压、过流、过热、防干烧保护。
2、无明火、无油烟
3、效率高,达到90%左右
4、省时节能
二、电磁炉加热原理
利用电磁感应原理加热,输入220V交流电—整流—滤波— +300V直流电—40KHz高频电流—高频磁场—锅体电磁感应—产生涡流—锅体发热—加热食物。

三、电磁炉的结构:
1、外形:上下壳、陶瓷面板、显示面板、锅具等。
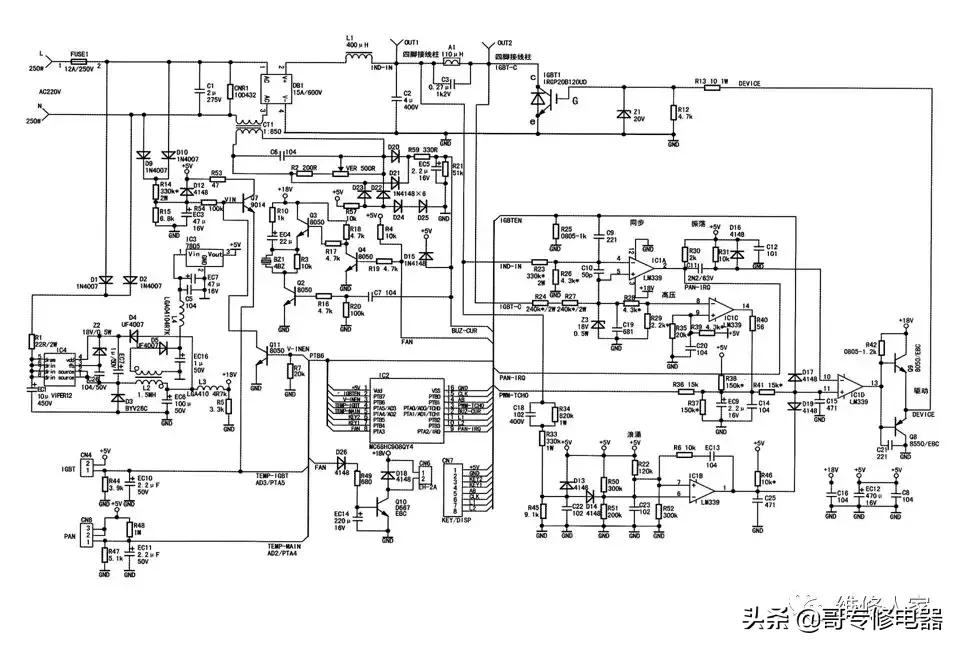
2、内部:功率管IGBT(FGA25N120)、整流桥(GBJ2508)、加热线圈(150uH)、谐振电容(0.27uF/1200V)、滤波电容(5uF/400V)、抗干扰电容(2uF/275V)、冷却风扇、NTC热敏电阻(100kΩ)、MCU(单片机)、四电压比较器LM339、驱动管(8050/8550)或驱动芯片TA8316S等组成。


电磁炉的主要部件:

加热线圈产生电磁场,是一种把电流转化为电磁场的部件。

IGBT大功率管开关器件,是电磁炉的核心部件。

整流桥:把220V交流电变换成+300V直流电。

5uF滤波电容:+300V直流滤波电容。

0.27uF谐振电容。
四、电磁炉的电路和工作原理:
电磁炉“三电压”:
1、+300V
2、+5V
3、+12V(或+18V)

五、IGBT功率管的结构



六、电磁炉易损元件:
(1)保险管(10A)
(2)IGBT功率管(FGA25N120ANTD)
(3)整流桥(GBJ2508)
(4)谐振电容(0.27uF/1200V)
(5)+300V滤波电容(5uF/400V)
(6)抗干扰电容(2uF/275V)
(7)四电压比较器LM339
(8)大阻值电阻:240k、330k、470k、680k、820k等
(9)驱动芯片(TA8316S)
(10)NTC热敏电阻(100K、90K)
七、电磁炉维修备件:
1、IGBT:FGA25N120ANTD(2--5个)
2、整流桥:GBJ2508(2--5个)
3、保险管:12A、15A(2—5个)
4、电容: 0.27uF/1200V、5uF/400V、2uF/275V(2—4个)
5、电阻:240k、330k、470k、680k、820k(2—4个)
6、二极管:18V、20V稳压管、1N4148(2-3个)
7、三极管:S8050/S8550、9013/9014、2N5401/2N5551(2个)
8、NTC热敏电阻:90K、100K(2个)
9、电压比较器:LM339、LM393(2块)
10、驱动芯片:TA8316S(2块)
11、电源芯片:VIPer22A、FSD200、THX201(2块)
12、电源模块:+300V输入、+5V、+12V、+18V输出电源模块(2块)
八、常见故障维修:
1.通电无任何反应(不通电故障)。
(1)主电路:10A(或15A)保险管烧,整流桥击穿、IGBT击穿、5uF/450V滤波电容损坏、0.27uF/1200V谐振电容。
(2)副电源电路:开关电源芯片VIPer12A(VIPer22A)、FSD200、THX201、13001、限流电阻22Ω/2W等损坏。
(3)注意事项:烧保险故障在更换新元件后需要用假负载(100W/220V灯泡)试机,确认没有短路后再接上加热线圈。
(4)IGBT击穿的故障,应该重点检查5uF/450V滤波电容损坏、0.27uF/1200V谐振电容、18V限幅稳压二极管、驱动芯片或驱动三极管。
2.通电后报警(或不报警),不加热。
通常是高阻值电阻(240k、330k、470k、680k、820k等)、LM339、驱动芯片TA8316S、驱动三极管8050/8550、18V限幅稳压二极管、NTC热敏电阻、帖片电阻、帖片电容、+18V电源不正常等。
3.通电开机显示正常,但某些按键失灵。
通常是轻触按键接触不良、漏电或损坏引起。
4. 通电开机后出现断续加热或功率不足。
通常是高阻值电阻(240k、330k、470k、680k、820k等)、LM339、5uF/400V滤波电容损坏、电流互感器、功率调节电位器损坏、锅具不合格、元件脱焊等。
5. 通电开机后有蜂鸣声,一放锅就短路或加热几分钟后电源跳闸。
通常是0.27uF/1200V容量变小或漏电,IGBT短路。
6. 通电开机可以加热,但风扇不转,几分钟后自动关机保护。
通常是风扇驱动三极管损坏、风扇损坏、驱动电路基极电阻开路、保护二极管击穿等。
7. 通电开机显示不正常,操作按键显示混乱。
先测量“三电压(+300V、+18V、+5V)”是否正常。通常是MCU单片机损坏,或+5V电源、晶振、复位电路损坏等。
8.陶瓷面板断裂。
拆下旧的陶瓷面板,买回合适的陶瓷面板,用704胶水粘牢并用重物压置24小时即可。