看完本文内容,你将会了解到如下内容:
1.什么是室内分布系统
2.室内分布系统的分类及应用场景
3.室内分布系统相关设备介绍
1.什么是室内分布系统
今天带大家了解一下室内分布系统,大家可能在商场、超市、地下室,电梯等场景都遇到过信号不好的现象,其实这是很正常的,因为室外宏站有时无法有效覆盖到室内场景的,这主要因为室外宏站容易受到阻挡,导致无法有效覆盖到室内,这时就需要室内分布系统来解决。室内分布系统是针对室内用户群,用于改善建筑物内移动通信环境的一种解决方案。室内分布系统是利用室内天线将信号均匀分布在室内各个角落,从而保证室内区域拥有良好的信号覆盖。

室内分布系统的作用主要表现在以下几个方面:
1. 室内盲区的覆盖
2.解决大型室内场所信道拥挤问题
3.改善高层小区切换频繁的问题
4 .吸纳话务量
5.建筑物内场强的均匀分布
2.系统分布系统分类及应用场合

2.1无源天馈信号分布系统
信号源通过耦合器、功分器等无源器件进行分路,经由馈线将信号尽可能平均地分配到每一付分散安装在建筑物各个区域的低功率天线上,从而实现室内信号的均匀分布,解决室内信号覆盖差的问题。

无源天馈信号分布系统的特点:
1.系统由馈线、室内天线、功分、耦合等无源器件组成,造价较低。
2.系统引入噪声低。
3.设计较复杂,需要考虑馈线和无源器件的损耗和能量分布问题。
4.工程布放馈线难度较大。
5.每天线口输出功率较难做到一致,信号覆盖均匀程度一般。
6.覆盖范围较小。
无源天馈信号分布系统适用场合:
无源射频分布系统适合于一个微蜂窝覆盖十几层楼左右,建筑面积约3,000~8,000m2;一个室内直放机覆盖800~5000m2的面积。若更大的面积,一般无源射频分布系统很难满足覆盖需要。
对于较大型的建筑覆盖,需增加干线放大器(中继),以补偿信号在传输过程中的损耗。
2.2射频有源分布系统
使用小直径同轴电缆作为信号传输路径,利用多个小功率放大器对线路损耗进行补偿,再经天线对室内各区域进行覆盖,从而克服了无源天馈分布系统布线困难、覆盖范围受馈线损耗限制的问题。

射频有源分布系统的特点:
1.所有器件包括在线放大器、各类功分器、耦合器、天线等均需提供电源,所以称为有源天线分布系统,造价较高。
2.系统引入噪声和干扰较大。
3.工程设计主要考虑噪声和干扰的问题。
4.工程施工较方便。
5.通过控制各干线放大器的增益可使每天线口输出功率达到一致,信号覆盖较均匀。
射频有源分布系统的适用范围
1.主要用于布线困难、对信号质量要求较高的重要场所,如政府机关大楼
2.用于补偿干线及器件的功率损耗,常用于覆盖较大型的写字楼、住宅小区等
2.3光纤信号分布系统
把基站或微蜂窝直接耦合的信号转换为光信号,利用光纤传输到分布在建筑物各个区域的远端单元,再把光信号转换为电信号,经放大器放大后通过天线对室内各区域进行覆盖,从而克服了无源天馈分布系统因布线距离过长而线路损耗过大的问题。

光纤信号分布系统的特点:
1.系统主机单元和远端单元均有*端机光**的功能,造价较贵。
2.系统引入噪声较大。
3.工程设计简单,无需计算馈线损耗,主要考虑上行噪声电平的问题。
4.工程施工方便。
5.覆盖范围较大。
6.需要有光纤传输资源。
光纤信号分布系统的适用场合
主要用于布线困难、垂直布线距离较长或有裙楼、附楼的大型高层建筑物的室内覆盖。
2.4漏缆信号分布系统
信号源通过泄漏电缆把信号传送到建筑物内各个区域,同时通过泄漏电缆外导体上的一系列开口,在外导体上产生表面电流,从而在电缆开口处横截面上形成电磁场,把信号沿电缆纵向均匀地发发射出去和接收回来。

漏缆信号分布系统的特点:
1.系统主要由泄漏电缆、功分耦合器件组成,造价很高。
2.系统引入噪声和干扰少。
3.工程设计主要考虑泄漏电缆的线路损耗和耦合损耗问题以及采用何种布线方式最节省漏缆数量。
4.一般采用线径较粗的漏缆,施工难度较大,但可布放于天花上或地板上。
5.信号覆盖很均匀。
漏缆信号分布系统的适用场合:
适用于隧道、地铁等天馈分布系统难以发挥作用的地方,也可用于对覆盖信号强度的均匀性和可控性要求较高的大楼覆盖。
3.室内分布系统相关设备介绍

3.1室内天线
信号从基站出来,经过合路器,耦合器,功分器这一路的分配,到达了楼层的每一个角落,最后一步就是安装上天线,让信号释放出来,弥散到整座楼中,就这样解决了室内覆盖难题。

3.2合路器
合路器分为同频合路和多频合路两类,同频合路是用于同一频段信号的合成,定向耦合器、3dB电桥以及功分器均为这类产品。选频合路或称为多频合路器,同系统的收发频段收发信源或多个系统信号源如GSM、CDMA、DCS等经过合路器合路输出。

3.3耦合器
这个器件是用来把信号分成不对称的两路的。比如信号从地下室的基站出来,需要把10%的能量用于一楼的覆盖,另外90%还要网上覆盖更多的楼层,这就需要耦合器来进行功率分配了。

3.4功分器
听名字就是用来进行信号的分路的,和耦合器不同,功分器只能平均分配,比如一分二,一分三等等。多个功分器进行级联,可以组成复杂的网络,像毛细血管网一样把基站的信号分到各个角落。

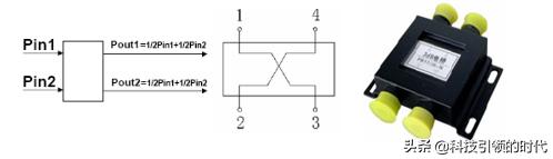
3.5电桥
电桥是个四端口网络,它的特性是两口输入、两口输出,两输入口相互隔离,两输出端口各输出输入口输入功率的50%,并且输出信号相位相差90度。 电桥是一种耦合度为3dB的特殊定向耦合器,其两个输出端口等幅平衡输出,相位相差90度,此时称为3dB电桥。

3.6衰减器
在相当宽的频段范围内一种相移为零、其衰减和特性阻抗均与频率无关的常数,由电阻元件组成的四端网络,其主要用途是调整电路中信号大小、改善阻抗匹配。多采用5dB、10dB、15dB、20dB、30dB、40dB等。

3.7负载
终端在某一电路(如放大器)或电器输出端口,接收电功率的元器件、部件或装置统称为负载,对负载最基本的要求是阻抗匹配和所能承受的功率。

4.总结
随着移动互联网通信技术及用户需求的发展,越来越多的移动业务发生在室内,随着5G网络的到来,建设一张优质的室内分布网络尤为重要,总而言之,室内分布系统是未来通信发展的重要驱动力。