大家好,我是孜孜不倦为大家提供制冷技术的小泥巴;今天给大家推荐一套完整视频:
“手把手教你空调电路板(变频+定频)”

听课程名称,这套视频教程就无敌啦;
课程是整套空调电路板的教程,包含电路元器件、电路原理、电路板检修等等,总共20节课,希望对大家有帮助。
我们来看看课程目录:
第一课:电路板基础知识教学—变压器、电容、电阻;
第二课:电路板基础知识教学—二极管,三极管,稳压芯片;
第三课:空调电路板最小系统概述以及编程;
第四课:温度检查电路和输出电路原理和检修;
第五课:步进电机原理与编程;
第六课:遥控器接收电路、蜂鸣电路以及显示电路;
第七课:室内风机电路以及驱动电路;
第八课:(实例)空调整张电路图的解读与分析;
第九课:变频空调的工作原理与模块原理;
第十课:变频空调模块过流维修实践;
十一课:开关电源的原理与实践检修;
十二课:变频空调输出电路原理与检修;
十三课:空调输入电路原理与维修实践;
十四课:电压检测电路与EPROM原理和实践;
十五课:空调通讯原理与检修实践指导;
十六课:直流变频空调的原理讲解与检修;
十七课:PFC电路的工作原理与分析;
十八课:室外机电路板分析全解;
十九课:触摸按键,显示屏等电路分析与讲解;
二十课:单片机解密课程(120分钟)

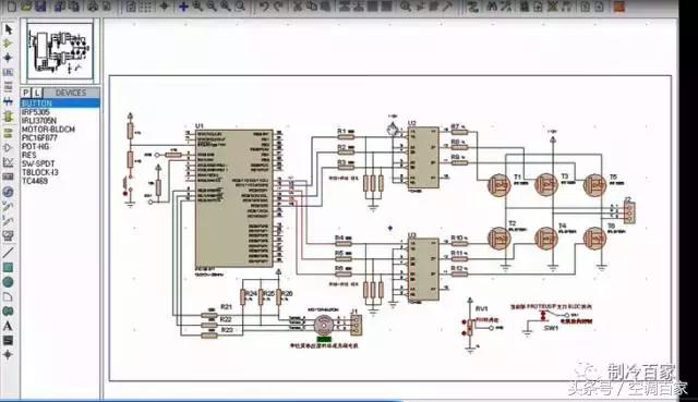
我们随便看看课程的截图吧:
空调电路图的讲解:

电路板原理讲解与分析:

电路板电阻的检修实战:

电路板电容的检修实战:

室外机电路板检修实战:

空调电路板仿真:


万用表检查电路元器件—变压器:

课程内容太多了,不一一截图展示:
注意:本课程为视频课程,主持人会把课件上传,供大家*载下**,定期把视频上传给大家学习;
前50名报名的小伙伴有优惠,大家请抓紧时间哦。
报名方法:
方法1::关注制冷百家微信公众号,进入视频培训平台;
方法2:加微信tuzige1985,咨询相关视频。
