对于刚学习电子电路的小伙伴们来说
是不是常常感觉到电路分析很难
每次一看到一大张电路图,就会无从下手
这次作者就和大家分享一个分析电路的方法,总结起来就是一个字——拆
我们拿一个电动车充电器电路来试一下

电动自行车充电器

充电器电路板
先确定电路主要框图以及电路需满足的功能
电动车充电器种类繁多,电路数不胜数,但都离不开两个主要部分

电动车充电器框图
1.电源部分——电源部分一般由开关电源构成
2.充电控制部分——电动车使用的一般是硫酸蓄电池,任何电池都对充电电压以及充电电流敏感,所以需要充电控制

各类电压硫酸蓄电池充电参数
↑上面是硫酸蓄电池的充电参数
充电器电路拆分

电动车充电器电路图
这一张电路图是一个36V&14AH电池的充电器电路图,今天我们就来分析它
图片较大,同学们如果看不清可以私信作者“电动车充电器电路”获取原版电路图

电路分成两大部分
通过前面介绍我们知道,充电器电路主要分成两大部分↑
开关电源部分我们不需要怎么分析,主要侧重于充电控制部分
充电控制主要分成三个阶段,对应三部分电路↓
1.充电指示以及转折电流电路

充电指示电路部分
R36和D10构成稳压电路,提供12V基准
R30和D12利用二极管压降构成0.7V基准
电池与充电器充电电压差距越大,充电电流越大
R34是电流取样电阻,当充电电流大于0.42A(0.063V/0.15R = 0.42A)时,IU4D的同相端大于反相端,运放输出电源电压,LED红亮起
而IU4A的反相端大于同相端,输出GND,LED绿不亮,TL431被拉低,反馈电路交给恒流电路控制
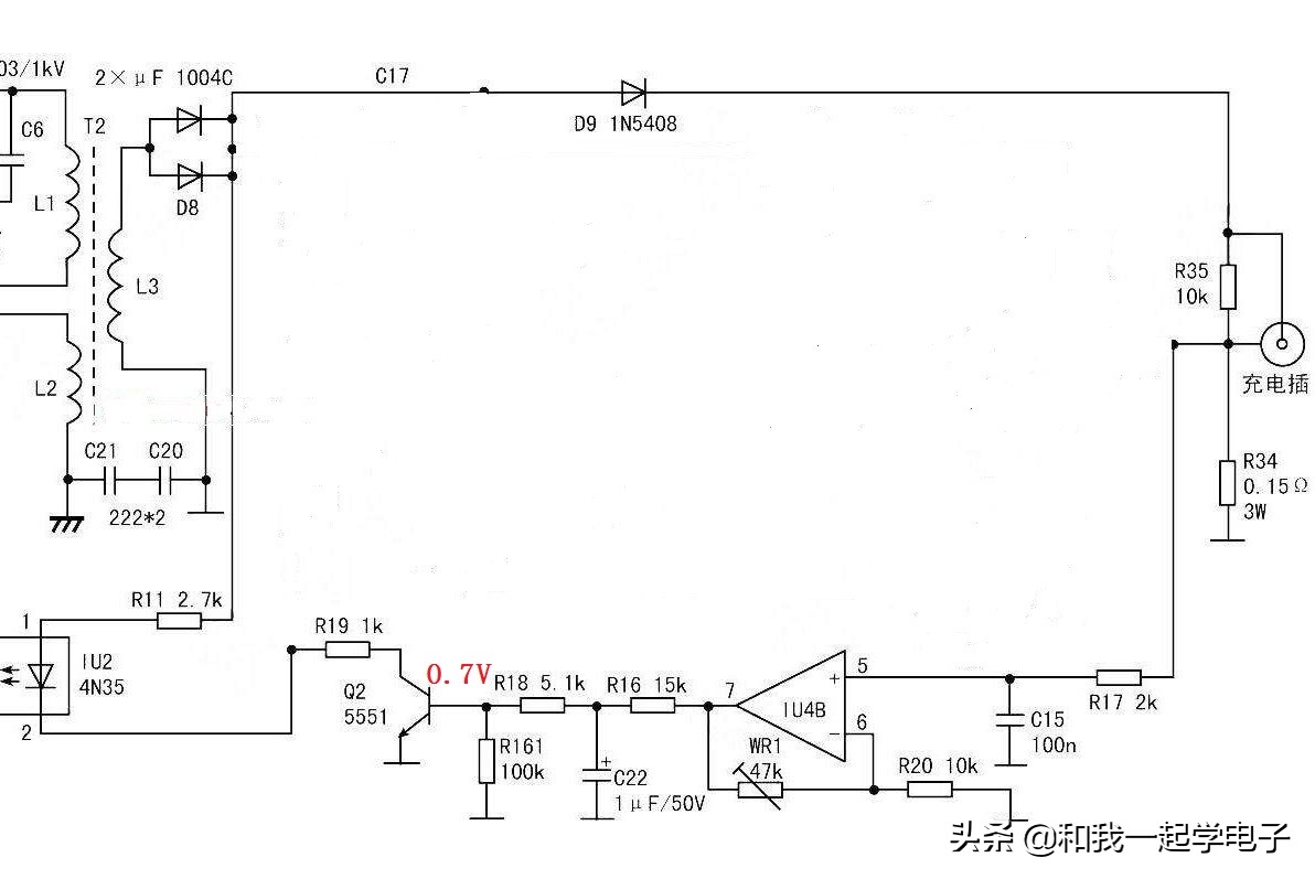
2.恒流控制电路

从图中可以看到,三极管Q2的导通程度受运放IU4B输出电压控制
而IU4B被接成了同相放大器结构,输出电压与电流取样电压成比例
恒流值范围为5.6A~0.98A,恒流值通过WR1调节
当电池电压越来越接近输出电压时,充电电流下降,小于转折电流0.42A时进入浮充阶段,IU4D输出GND,IU4A输出电源电压,LED绿灯亮起;Q2不导通,TL431控制反馈回路
3.充电电压控制以及浮充电路

这是一个由TL431和光耦搞成的电压反馈电路,通过计算电压输出范围为30.9V~44.25V
输出电压计算可以参考作者早些时候关于开关电源反馈计算那篇文章
关注作者,学习更多电子电路知识,感谢您的阅读!