固态接触器是一种依靠半导体(晶闸管)的特性实现负载电路接通与断开的元器件。与机械式接触器相比,固态接触器最大的优点是可频繁启停、快速切换、无火花、无机械噪音。固态接触器可接收PWM脉冲信号,典型应用是PID的温控调节。
西门子3RF系列产品包括两类:一类称为固态继电器,一类称为固态接触器。二者的控制原理类似,不同之处在于:
- 3RF固态继电器本身不带散热器,必须安装到合适的散热器上才能正常工作。包括:3RF20/21单相电控制系列和3RF22三相电控制系列;
- 3RF固态接触器本身具有散热器,可以直接安装使用。包括:3RF23单相电控制系列和3RF24三相电控制系列;
本文主要介绍3RF23用于单相电控制的固态接触器。包括如下几个主题:
- 固态接触器的工作原理;
- 3RF23的外观及接线;

1、固态接触器的工作原理
固态接触器(Solid State Contator,SSC)与固态继电器(Solid State Relay,SSR)的工作原理类似,它们从结构上可分为输入端(控制回路)和输出端(主回路)两部分,二者之间通过光电耦合电路相互作用。根据主回路电流性质的不同,固态接触器/继电器又可分成交流型和直流型两类。
我们以交流型固态接触器为例,当输入端电路接通后,会通过光电耦合作用到输出端的晶闸管,从而使输出端电路导通;当输入端电路断开后,输出端电路也跟随断开,如下图所示:

交流型固态接触器输出电路的分断通常是利用交流电过零的特性。当控制电压被切断时,固态接触器/继电器停止对晶闸管的脉冲触发,由于交流电本身有过零的物理特性,从而使晶闸管自然关断。这种关断方式会存在一定的延时,适用于对分断要求不高的场合。一些对于分断时间要求高的场合,可以通过增加额外的分断电路使晶闸管瞬间关断;
因此,交流型固态接触器不能用于直流主回路中。
2、3RF23的外观及接线
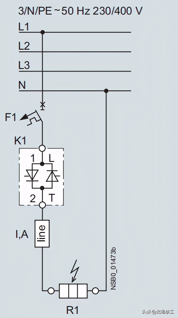
西门子3RF23固态接触器属于交流型固态接触器,输出端/主回路只能连接单相交流电,其3RF2330-2Dxx的外观如下图所示:

模块的A1/A2是控制端接线端子,A1接24V正极,A2接负极;1L是单相电输入端,2T是单相电输出端,连接电阻性负载;电路图如下:

好了,关于西门子3RF23系列固态接触器就先介绍到这里。
我的书《西门子S7-200 SMART PLC应用技术——编程、通信、装调、案例》已经出版,欢迎点击下面的链接查看:
S7-200 SMART PLC应用技术
¥88
购买