桑塔纳,上世纪70年代末德国的经典车型,80年达初期引进国内。在德国的代号是*萨特帕**B2,引进中国之后改名桑塔纳。我记得小时候看广告,不是有这么一句话,叫拥有桑塔纳走遍天下都不怕。那时候国内轿车车型少的可怜,路上都是桑塔纳捷达富康老三样,车子保有量达,所以配件供应也充足,哪里都能修,所以才加走遍天下都不怕对吧。
这个车,从最早的普桑板桑,在国内衍生出很多特有车型,例如2000、时超、3000、志俊……好吧,2000貌似是和巴西联合开发的,总之桑塔纳当年很牛就对了。最难能可贵的是,这个车空间奇大,居然是C级车,和现在的奥迪A6一个级别,价格还贼便宜,难怪能这么火。2012年上汽大众决定终止老桑的生产,进而用新桑取代老桑。如果当初这个车型没有停产,我估计到今天还是可以卖的动的,毕竟怀旧的80后和70后并不认为新桑属于桑塔纳,而真正的桑塔纳,或许以后只有在记忆中找寻了。
今天这台桑塔纳,3000型,都知道桑塔纳其他都好,就是刹车容易点头,没办法,上个世纪70年代的产物,普遍是前盘后鼓的结构,那我们能不能自己行办法把他改成盘刹,而且使用大众其他车型的原厂件来这么做呢,答案是,可以的。今天我就公布方案、核心部件的尺寸以及其他使用大众什么车型的配件,当然了,我不做老桑改盘刹的生意,纯粹就是图个乐帮助有需要的车友。本文中的配件及图纸都是早年本人自己设计画的CAD截图,没有什么版权争议,需要用的车友直接拿去便是。

早年发的贴,不能做广告,所以打了马赛克,不要误会啊。哈哈。

3000型板桑到店,准备开整。

哈哈,验明正身,3000型……

准备拆钢圈,这款貌似就是3000型最高配的铝合金钢圈了吧。

刹车盘,用宝来或者朗逸的刹车盘毛坯,打成捷达或者桑塔纳的孔眼,让刹车盘厂家这么干一下,不是什么难事。

手刹拉线,自己找拉线厂定做的,其实就是依照原来的结构,加以改变演化出来了的

手刹拉线的尺寸我做了标注,直接那图片给拉线厂做就可以了,钢丝用现在宝来朗逸原厂拉线一样粗细规格的钢丝,比桑塔纳原来的要粗一个规格。

准备好刹车油,以便改完之后拍空气

后刹车片呢,朗逸宝来POLO的都可以,哪个便宜买哪个

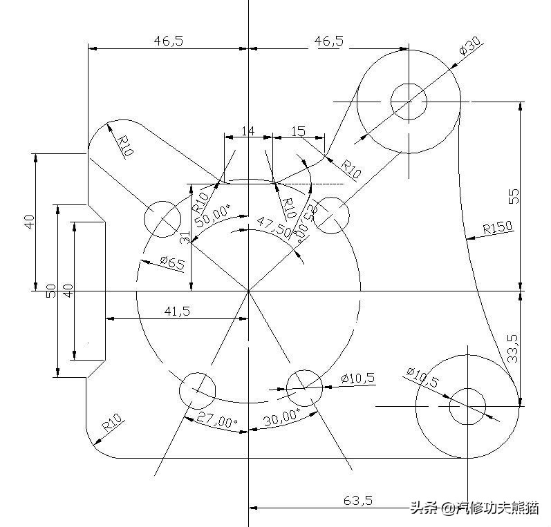
这个是核心部件,桥码,也就是安装分泵支架的平台,我自己设计的,让线切割的割出来,加工成本也就一百块不到一片,45号钢即可,厚度8至10MM都可以

这个是桥码图纸,原CAD文件我也有,需要的可以跟我要,不过一般用不到,只要凭这张图纸,线切割的师傅就可以帮你做出来了。

后分泵是朗逸的,宝来的都一样

刹车挡板用POLO的,但是ABS孔要挖大一点,桑塔纳的ABS孔位置和POLO有点不一样,但是四个螺丝孔位置是一致的

刹车油管,原车鼓刹的油管已经不能用了,换盘刹的,买POLO的吧,POLO的便宜,朗逸宝来也可以,大概贵个二十几块钱。

分泵支架螺丝,直接用朗逸宝来的就可以了,手刹拉线卡扣也是朗逸宝来的,但是短轴螺丝要加长,买M10X40的,最好是带法兰面防滑齿的

分泵支架直接用宝来的或者朗逸的,不过你买分泵总成的话,支架是带的

拆掉后鼓刹

刹车鼓啥的统统拆掉

这些东西就拜拜了,可以送出租车的师傅,毕竟他们刹车用的费,不过也没什么用个,直接当废铁卖了

后桥端面的凸起磨掉

按照桥码最里面、短轴在中间、挡板最外面的顺序,装好

装好后就是这个样子

然后轴承套回去,这里提一下,这个车轴承拆过最好换新的,旧的拆下来容易分体,拼回去寿命不长。

装上刹车盘,

装上分泵支架

装上刹车片和分泵

刹车油管呢,要徒手折叠一下,卡到原车卡子里面。

装上手刹拉线

另一边拉线也勾到分泵上

基本有模有样了

手刹拉线卡扣卡住拉线

接上电动压迫式刹车油更换机

压入刹车油,排出空气

后轮盘刹就改好了,怎么样,是不是很帅啊

为了验证手刹效果,直接停到斜坡上,拉住手刹不掉,完美!
其实这个也是我年轻是的作业了(搞的我多老似的,我承认我奔四了,但是我还没过四呢),因为近期在努力的争做汽车领域的优质创作者,所以把以前很多好的东西都翻出来给大家看,如果您觉得写的还行,请多多转发和推送,另外点击下方的“了解更多”,还有更多长文。