房屋装修时热水系统的设计和施工十分重要,因为是隐蔽工程,一旦装修好之后,几乎无法再进行改变了。别墅由于有多层房和多个卫生间,装修时进行热水系统的设计和施工必须注意以下几点:
第一、一定要做热水循环系统,也就是有的人称之的零冷水系统。
这一点十分重要,如果不做热水循环系统,有的远离热水器的用水点要放掉很多冷水热水才会出来,而且还要等待较长的时间,不仅浪费很多冷水,而且十分不方便。如果将整个热水系统做成一个循环回路,并在系统中安装循环泵,使管道里始终保持是热水,这样即开即有热水,不会再浪费冷水,也不用再等待。
第二、一定要安装太阳能热水器,而且是承压式太阳能热水器。
全球气候变暖,是人类共同面临的问题,减少CO2温室气体的排放,是每一个地球人的责任和义务,何况中国主动提出“力争于2030年前二氧化碳排放达到峰值,努力争取2060年前实现碳中和”的目标,使用太阳能清洁能源,不仅节省了大量用电或燃气烧热水的费用,更是为节能减排做贡献,同时也体现我们个人的素质;
承压式太阳能热水器,也是做热水循环系统很好的热水设备,不仅可以烧热水,而且太阳能水箱也是热水循环必不可少的储能水箱。要做热水循环系统,热水水箱必须有一进一出2个水口,非承压式太阳能热水一般只有一个水口,无法实现循环;热水管道设计要实现零冷水功能,理想的做法是要配置储能水箱,如果只是利用燃气热水器作为热源实现热水循环,会导致燃气热水器不断启停,一是影响燃气热水器使用寿命,二是十分的耗能。
第三、理想的热水循环系统,是利用太阳能再加上燃气热水器配合供热水。
在太阳光好的情况下,太阳能水箱的水温能够满足洗浴需求,就直接用太阳能热水器的出水,在阴天或冬天,太阳能热水器的出水温度不能满足洗浴需求时,再开启燃气热水器进行加热。这样配置,既达到了利用清洁能源节能减排的目标,又能在太阳能热水器不能使用时,不影响洗浴。
这样又出现了一个问题,如何在太阳能和燃气热水器之间进行切换?理想的方式是,在太阳能热水器出水温度能够满足洗浴要求时,就直接到用水点,温度不够时,再经过燃气热水器进行二次加热,而且能智能切换,无需手动切换,这就需要合肥恒暖暖通设备有限公司发明的太阳能+燃气热水器配合供热水的自控中心,请看下面第四点详细介绍。
第四、太阳能+燃气热水器+恒尔暖自控中心+热水循环泵+循环泵智能控制器是理想的热水循环设计方案。

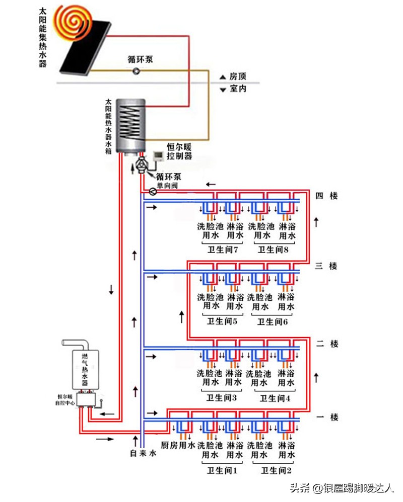
(别墅太阳能+燃气热水器+恒尔暖自控中心+循环泵+控制器热水循环系统图)
从上图可以看出,在这样的热水循环系统中,利用太阳能热水器作为主用热水器,太阳能水箱作为储能水箱,燃气热水器作为补充热水器,恒尔暖自控中心作为二种热水器配套互补供热水的自动控制,循环泵提供热水循环的动力,而循环泵智能控制器,具有周编程定时定温开关机功能,从而实现,在不用热水的时间段,不让热水循环,在用水的时间段水温达到设定值也停止循环,节能方便。在阳光好太阳能热水器的出水温度能够满足自控中心设置的洗浴水温时,直接到各个用水点,水流不经过燃气热水器,因此燃气热水器不启动,在太阳能出水温度达不到设置的洗浴水温时,自控中心开启向燃气热水器水流的阀门,太阳能的出水再经过燃气热水器进行二次加热后,流向用水点,既方便,又是在太阳能出水温度的基础上进行加热,更加省气节能,而且自控中心也可以周编程智能开关机,在不需要热水时,不让水流不经过燃气热水器。在设置每一次开启的时间点时,如果让循环泵的控制器比自控中心早开启15分钟,只要太阳能水箱的水温高于自控中心的设置水温,燃气热水器就始终不会开启,减少其开停次数,延长使用寿命。
在本设计方案中,从太阳能水箱的出水口到燃气热水器下自控中心右下水口之间的管道中间不要有用水点。如果太阳能水箱只有进出2个水口,没有回水口,热水循环管经过最后一个用水点之后,通往太阳能水箱冷水入水口处与自来水利用三通连接在一起,与水箱的冷水入水口连接,并在热水管和三通连接前安装一个止回阀,避免自来水倒流进入热水管道。

(太阳能水箱下接管示意图)
第五、热水循环系统设计的几个细节提醒:
1、热水循环管道尽量经过每个用水点的下面,支管越短越好,建议只是上墙的管道为支管,这样每次开热水时流出的冷水就越少,如果支管过长就会等待较久,流出较多冷水;
2、一般热水主管用25PPR管,支管用20PPR管,如果考虑到会3个以上用水点同时用热水,主管就要改成32以上PPR管;
3、热水管所用材料建议用夹铝的PPR管,即铝塑复合PPR管,比纯塑PPR管耐高温,不透氧,渗漏水风险小;
4、热水管外建议套上保温套管,为了避免高温散发异味,建议用PE材质的保温套管,不要用橡塑材质的;
5、热水管施工完工后要进行*压打**检测,避免没有焊接好出现渗漏水的现象;
6、热水管施工完后,要将热水主管与自来水连接,然后依次打开每个热水出水口检查出水量,检查有没有焊堵的地方,如果某个水口出水量明显比其他水口小,就可能某个焊接处焊堵导致内径变小造成的,要查出位置,剪切掉接头重新焊接。由于安装师傅技术不过关、热熔温度过高或管道插入管件过深都可能造成管道焊堵。几乎所有人都忽略这方面的检查。 这个验收检查一定要做,否则装修好之后,再发现出水量小,就晚了,因为那时维修,就要砸掉墙面和地面装饰材料,才能看到管道,而且也不好检查哪个位置焊堵了。
7、太阳能水箱的容量根据家庭人口的多少来计算,可以按照每人每天30L-40L的用水量进行计算,如果有浴缸喜欢泡澡可以适当加大一些,正常4-5口人的家庭,150-200L的太阳能水箱就差不多够用了。
8、为避免太阳能出水温度过高对热水系统管道造成伤害,可以在太阳能水箱出水口处安装混水恒温阀。
9、热水循环泵建议安装在最后一个用水点和太阳能水箱入水口之间,这样可以确保每一个用水点的出水都是热水;热水循环泵一定要安装定时定温控制器,避免始终循环,浪费能源;
10、如果家里同时安装供暖系统,热源是燃气壁挂炉的话,就不用再另外购买燃气热水器了,因为燃气壁挂炉是供暖和热水两用的。

(燃气壁挂炉+恒尔暖自控中心安装图)
以上所说的别墅热水设计方案,也适用于复式房和多卫生间的平层,复式房和平层的热水循环设计和施工更简单一点,不过复式房和平层安装太阳能热水器时,集热器一般无法安装在屋顶上,可以购买那种阳台壁挂式的太阳能,集热器安装在阳台外,水箱放在阳台上,其他方面的设计和安装和上面所说的差不多。

复式房太阳能+燃气热水器+恒尔暖自控中心+循环泵+控制器热水循环系统图)
以上是本人对热水循环系统设计和施工经验的总结,欢迎大家留言讨论。欲了解更多热水和暖通知识,请关注我。
(德国银屋暖通国际张伟原创文章,转载请注明出处。2021年11月10日星期三)