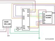
商用互联网无线电接收器仍然相对昂贵,成本在 100 美元以上。所以我决定制造一种功能强大、易于制造和管理且价格低廉的设备。在网站“electronicsforu.com”上给出的正是使用来自“aliexpress.com”和ESP32 MCU的廉价MP3 VS1053编解码器处理器的设备。可选配OLED显示屏,了解正在*放播**哪个电台。
ESP32 连接到流媒体站点的固定端口,然后一次以 32 字节的精确块接收流媒体数据。另一方面,董事会将继续像流入/流出机器一样处理数据,并且流将继续*放播**。更换电台时,使用 GPIO (D13) 引脚作为按键开关软复位 VS1053 板以调谐到下一个电台。整个设备通过 ESP32 的 micro-usb 端口供电。
连接WiFi系统时,将SSID和密码替换为代码开头,然后按照正常的Arduino方式上传。上传后,ESP32 将首先说“你好”,表示 VS1053 已启动并准备就绪。然后它会等待几秒钟来连接计算机[注意串行输出]。一旦上网,它就会调谐到主机[6]中的电台,然后美妙的流声音开始涌入。按一下开关[连接到D13],将调谐下一电台。char *sname[7] 变量是可选的。您可以根据设置的每个广播电台选择名称。可以在主机、路径和端口数组中添加其他电台名称。
更多详情资料可前往基于 ESP32 的网络收音机(示意图+代码) - 电路城
此方案版权归电路城用户所有,如作者不愿发布在头条可私信或前往电路城联系相关人员删除。



