洗浴中心的洗浴热水在使用后,大多都是排掉,其实被排掉的这些热水里面蕴含了大量的热能,如果能充分利用,就能大限度的减少成本,增加收益。
一、热泵热回收系统组成
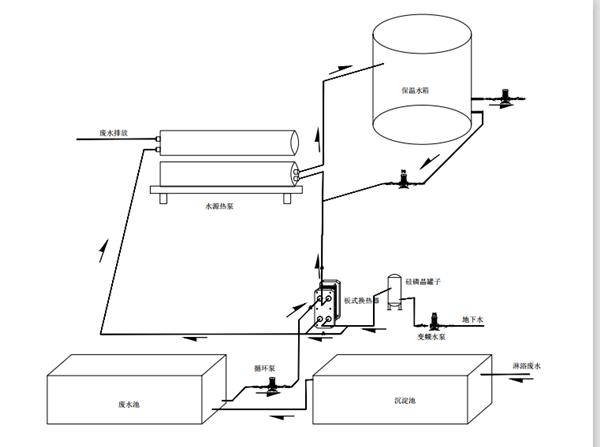
亿家人洗浴热水热泵热回收系统主要由水源热泵机组、砂缸器、板式换热器、回收水池、热水箱、相应循环水泵、供应泵及连接管路等组成。
洗浴热水余热回收系统,主要用于洗浴的废水热能回收,将洗浴废水与水源热泵系统进行有机结合,先用洗浴废水与自来水在预热换热器内进行换热,提高自来水(低品位热源)的进水温度,亿家人洗浴热水热泵热回收系统为了充分高效利用洗浴废水中的热能,换热后的洗浴废水可再作为低品位热源,通过水源热泵的制热运行,加热洗浴热水。从而实现节能环保,具有很好的实用性。

系统运行原理图
二、洗浴热水热泵热回收系统优势
1、高效节能
亿家人洗浴热水热泵热回收系统回收洗浴废水中的热量,一年四季相对稳定,这种温度特性使得亿家人洗浴热水热泵热回收系统比传统制热水模式节省2-3倍的能量。而且洗浴废水温度较高也使得热泵机组运行更可靠、稳定,也保证了系统的高效性和经济性。
2、利用可再生能源,缓解能源危机
能源回收不受环境温度、地域、资源等限制,是可以充分利用的资源。因此,推广洗浴热水热泵热回收系统能有效缓解能源危机,符合可持续发展战略要求。
3、绿色环保
板换及浴室节能热泵在运行中没有燃烧,没有排烟,没有废弃物,对环境无污染,属环保型的“绿色空调”。虽然也采用制冷剂,但其充灌量比相同容量的常规空调装置减少 25%左右,而且该装置于出厂前已充灌制冷剂并整装密封好,制冷剂泄漏的几率大减小。
4、一机多用,应用范围广
亿家人洗浴热水热泵热回收系统可供暖、制冷、供生活热水,一机三用。一套系统可以替代锅炉加空调的两套系统。不仅节省了能源,还减少了设备投资。亿家人洗浴热水热泵热回收系统在我国已经有很多的样板工程项目,经过多年的实践与使用证明性能稳定可靠。

