双速风机
一、KBO简介
二、双速风机简介及实物配电图
三、双速风机控制原理讲解
一、KBO简介
KBO是CPS控制与保护开关的一种类型产品。控保开关总称是"CPS控制与保护开关" CPS控制与保护开关有很多种类产品。不光KBO一种。
KBO是集成断路器功能,接触器功能,热继电器与过流继电器功能,起动器动能,产品生命周期预警功能,故障记录与显示功能,缺相三相不平衡功能,过压,欠压失压保护功能、隔离器等元器件的综合功能。

二、双速风机简介
双速风机属于异步电动机变极调速,是通过改变定子绕组的连接方法达到改变定子旋转磁场磁极对数,从而改变电动机的转速。

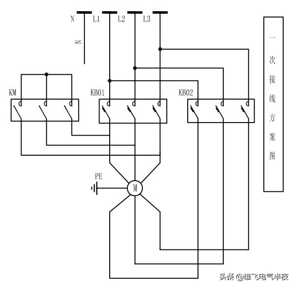
实物图
由下图可以看出,控制元件由两只KBO控制器及一只接触器为主要结构,通过配电箱面板上的按钮实现高低速风机转换。

双速风机绕组接线
低速时形似三角形接法,高速时形似星型。

根据上述两图可以看出:
低速KBO与接触器一组,高速KBO一组。
风机低速运行时,三相线ABC接1U1V1W三个端子,2W2U2V三个端子不接线。
风机高速运行时,三相线ABC接2W2U2V三个端子,接触器闭合,1U1V1W三个端子短接。
三、双速风机控制原理讲解
双速风机一次原理图

在一般情况下,风机低速运行作为排风换气使用,当发生火灾时,风机立刻变为高速运行,作为消防排烟风机使用。这样一机二用,不但降低建筑造价,节约空间,更重要的是大大提高了设备的使用效率及可靠性。如果排风和防排烟是完全分开的两套系统,而消防排烟风机只是在发生火灾时才投入运行,平时很少使用,那么出现故障很难及时被发现并得到检修,而真正火灾时,又很难保证能顺利投入使用。而双速风机刚好克服了这一缺点,平时作为排风机运行着,出现问题能及时被发现并得到维修,时时处于良好的准备状态。
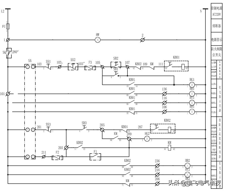
双速风机二次控制原理如下:

我们看二次原理图时要先了解图中各符号表示什么元件,再从左至右,从上到下看原理图。

此图要想启动有一个关键点,就是防火阀限位开关 只有防火阀限位开关在常闭时才能启动。

此处可以延伸出一个故障现象,当所有配电箱所有回路完好,远控、就地、自动都无法启动,指示灯不亮,风机完好,就应该检查此处防火阀是不是在开启转态或常闭触点接线是否完好。
那么我们来分部讲解二次原理图:
1)、低速风机手自动远方控制,远方启停
我们可以把它想象成智能楼宇控制中心,平时值班人员在控制中心可以直接启动和控制低速风机运转,给大厦进行排风换气。原理如下:把KBO1转换开关打到接通位,当按下SB2启动按钮,KBO1线圈得电,动主动触头动作,接通主电路,同时KBO1辅助触点常开闭合并保持自锁,运行指示灯亮,低速风机运转。值班人员按下SS2停止按钮,KBO1线圈失电,动主动触头释放,主电路断开,辅助常开恢复原状,低速风机停止。


低速风机手动就地启动、就地停止
这里就地指在风机配电箱上,工作人员在配电箱跟前操作。当按下SB1启动按钮,KBO1线圈得电,动主动触头动作,接通主电路,同时辅助触点常开闭合并保持自锁,运行指示灯亮,低速风机运转。值班人员按下S1停止按钮,KBO1线圈失电,动主动触头释放,主电路断开,辅助常开恢复原状,低速风机停止。

转换开关SA在手动和自动1、2接点都是在通位,3、4在自动是通位,手动是断开;5、6在自动是断开,在手动是通位;

高速风机手动就地控制、就地停止
原理如下:工作人员把KBO2转换开关打到接通位,当按下SB3启动按钮,KBO2线圈得电,动主动触头动作,同时辅助触点KB02常开闭合并保持自锁,KM线圈得电,KM主触头吸合KM常开闭合,接通主电路,运行指示灯亮,高速风机运转。值班人员按下SS3停止按钮,KBO2线圈失电,动主动触头释放,KB02辅助常开恢复原状,同时KM线圈失电,常开恢复断开,主电路断开,高速风机停止。

高速风机自动控制、消防联动控制
原理如下:当大厦或小区发生火灾时,风机立刻变为高速运行,作为消防排烟风机使用,这个控制点在大厦或小区的消防控制中心。当放生火灾时,消防报警触动消防模块启动,消防联动常开触点F1闭合并恢复,接触器KM线圈得电,KM主触头闭合,KM辅助常开触点闭合,同时KBO2线圈得电,KBO2辅助触头常开闭合并自保持,KBO2动主触头动作,运行指示灯亮,接通主电路,高速风机运转。当警报解除时,消防联动的常闭触点F2断开,接触器KM和KBO2线圈失电,主电路断开,高速风机停止。

讲到这里估计大家也许还有疑问,如低速在运行时能启动高速风机吗?在此我再说一下,这个问题不会发生,应为他们之间都有互锁,低速运行时高速不影响启动,因为当高速启动时,相互间的互锁已经切断了低速的电源。不管低速还是高速都可以保障设备的安全启动。如图

大家不明白的地方可以下方评论,如有讲的不对的可以下方评论指出。大家对电气工程有兴趣的可以点我关注,转载或收藏的可以私信我领取此双速风机完整原理图。