王松雷 王欣仁 袁凯杰
1 结构特点电力液压鼓式制动器是采用电力液压推动器为开闸驱动装置的鼓式制动器,用于机构或机器减速或使其停止的装置,有时也用于作调节或限制机构或机器的运动速度。该制动器以制动轮作为制动偶件,制动时压缩弹簧释放弹性势能,推动杠杆机构,使2 个对称布置的制动瓦块在径向抱紧制动轮产生制动力矩,目前起重机上起升和运行机构所用的工作制动器大多为电力液压鼓式制动器。 电力液压鼓式制动器结构紧凑,制动平稳,安全可靠,动作频率高,制动器及制动偶受力均匀。电力液压鼓式制动器按照制动臂形状特征分为直臂结构、双弯臂结构、单弯臂结构、弯臂结构;按弹簧的安装形式分为横簧和竖簧;按照制动过程分为单步制动和两步制动;按照安装方式可分为竖式安装和卧式安装。根据不同的结构形式和驱动装置,电力液压鼓式制动器有YWZ、YWZ3、YWZ4 等数10 个型号。 本文主要对起重机上常用的YWZ8、YWZ9 和YWZ13 进行能效研究,这三款制动器起重机上用量大,使用普遍,对这三款制动器进行能效分析,对其他制动器的能效研究具有借鉴意义。
2 杠杆比2.1 系统总传动比系统总传动比是指从推动器到制动瓦整个制动器系统的杠杆比,反映了推动器推力和制动力之间的传动关系,其中包含了推动器推力利用系数、摩擦因数和结构传动效率等因素,与具体结构形式无关。系统总传动比为
式中: I 为驱动装置输出力至制动闸瓦的总传动比,一般为8~16;Me 为额定制动力矩,N·m;D 为制动轮直径,m; F 为推动器额定推力,N;μ 为摩擦因数,一般取0.35; η 为机构总传动效率,一般取0.85;¢ 为推力利用系数,一般取0.95。2.2 机构杠杆比机构杠杆比是结构和结构本身的杠杆比,不考虑机械效率等因素,与制动力、推动力、制动轮直径、摩擦因数等无关,只与结构形式有关。对于一般的电力液压鼓式制动器都存在图1 所示的2 级杠杆比。一个是推动器上绞点到横拉杆主动铰点的杠杆比,为i 1=a/b ;另一级是随动臂上铰点到随动闸瓦的杠杆比,为i 2=H/h 。机构杠杆比为

图1 电力液压鼓式制动器结构图
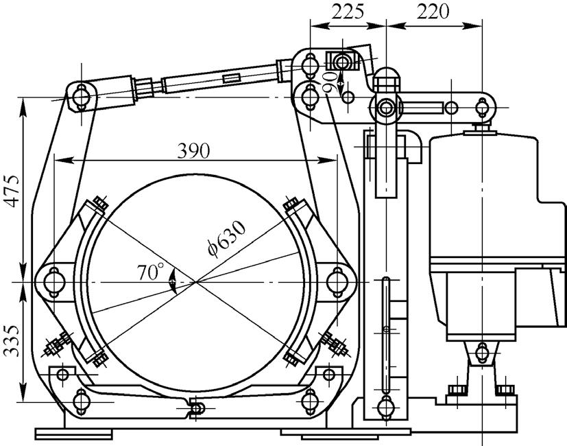
2.3 YWZ8-700/E301 传动比和杠杆比计算该制动器额定制动力矩8 000 N·m,制动轮直径700 mm,推动器额定推力为3 000 N。结构如图2 所示,杠杆比i 1=(600+420)/420,i 2=420/78,i =i 1·i 2=13.076 9;根据式(1)得I=13.479。2.4 YWZ9-630/E301 传动比和杠杆比计算该制动器额定制动力矩7 100 N·m,制动轮直径710 mm,推动器额定推力为3 000 N。结构如图3 所示, 杠杆比i 1=(475+335)/335,i 2=(220+225)/90,i =i 1·i 2=11.955;根据式(1)得I =13.292。

图2 YWZ8-700/E301 制动器

图3 YWZ9-630/E301 制动器
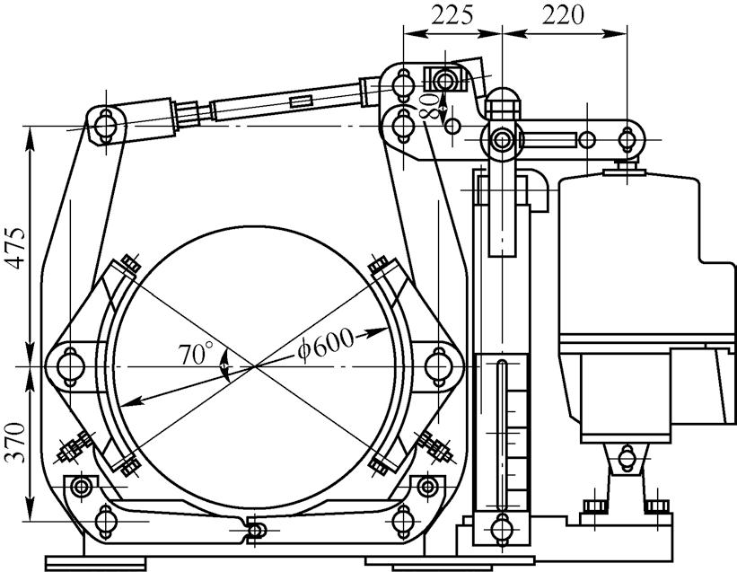
2.5 YWZ13-600/E301 传动比和杠杆比计算该制动器额定制动力矩6 500 N·m,制动轮直径600 mm,推动器额定推力为3 000 N。结构如图4 所示, 杠杆比i 1=(475+370)/370,i 2=(220+225)/80,i =i 1·i 2=12.703 5;根据式(1)得I =12.777。3 电力液压鼓式制动器能效分析3.1 能效测试比对同一家制造企业生产的三个规格的电力液压鼓式制动器,推动器相同,均为Ed301/6 型,推动器电机额定功率550 W,额定电压380 V,额定频率50 HZ,额定推力3 000 N,额定行程60 mm,额定动作频率1 200次/h,接电持续率40%。能效测试按照GB/T 30221—2013《工业制动器能效测试方法》进行[3]。

图4 YWZ13-600/E301 制动器
三个型号制动器能效值对比见表1。

从表1 可以看出,同样推动力的推动器在额定推力状态下耗电量基本相同;电力液压制动器推动器在40%接点持续率状态下1h 耗电量是100% 接电持续率状态下1h 耗电量的40% 左右,说明电力液压推动器启动过程的耗能与额定运行阶段的耗能基本相同;同样额定推力的推动器用在不同类型的制动器上,使得制动器的制动力矩不同;同样推动力的推动器,额定制动力矩大的制动器,其能效值较高。3.2 能效分析由式(1)得Me=IDF (3)有效制动力
式中:F b 为单台制动器的有效制动力,N;Mb 为单台制动器的制动力矩,当试验测得的制动力矩大于产品铭牌标定的制动力矩时; Mb 为产品铭牌标定的制动力矩Me,否则,为实测制动力矩,N·m; R 为理论制动半径,m。对于所研究的3 个型号制动器,实测制动力矩均大于额定制动力矩,故Mb=Me = F b· R = DF bF b /F = (5)通过式(5)可以看出,需要提高电力液压鼓式制动器的能效,可以提高综合传动比,增大摩擦因数,提高推动器推力利用系数,提高机械传动效率。
4 结论1)制动器整个系统的总传动比与制动器结构形式无关,与推动器推力利用系数、摩擦因数和结构传动效率等因素有关。2)机构杠杆比与机械传动效率、制动力、推动器推力、制动轮直径、摩擦因数等无关,只与结构形式有关。3)由于系统总的传动比与机构杠杆比表示的意义和计算公式不同,机构杠杆比大的系统总传比一定大;杠杆比大的额定制动力不一定大。4)系统总传动比与额定制动力成正比。5)电力液压推动器启动过程的耗能与额定运行阶段的耗能基本相同。6)同样额定推力的推动器用在不同类型的制动器上,由系统总传动比不同可以得到不同的制动力矩。7)同样推动力的推动器,额定制动力矩大的制动器其能效值较高。8)制动器的能效高低与系统总传动比、摩擦因数、机械传动效率、推动器推力利用系数、推动器能效有关。
5 能效提升改进建议1)提高系统总传动比 主要是提高摩擦因数、提高推动器推力利用系数、提高机械传动效率。还有进一步制动瓦退距、制动器的动作时间、推动器工作行程等因素,最佳的能效需要对这些参数综合研究,达到相对优化的状态。 2)创新制动器结构 通过研究可以看出结构杠杆比、制动弹簧布置方式、制动臂形状等能效具有影响。相同系统的制动器适当增大机构的传动比可以提高能效值。 3)创新驱动装置 提高推动器电机能效、提高推动器液压泵的效率、用电磁推动器代替电力液压推动器、采用两步制动、采用电磁液压推动器等也可以提高能效。变频驱动技术也是提高制动器能效的途径。 4)合理选择推动器 根据制动力矩选择匹配的推动器,选择合适的推动器参数,如推动器推力、动作频率、推动器电机功率等,避免大马拉小车,超额配置。