石英晶体在电路中用作时间或者频率基准源,堪称设备的心脏。石英晶体具有压电效应。如果对石英晶片施加压力,晶片上会产生电荷;反之,对晶片两端的电极施加电压时,晶体会产生机械变形。
传统滤波器=谐振器+谐振器+...
滤波器是无线通信的重要元器件,目的是让需要的信号通过,不需要的信号排除在外。传统的晶体滤波器就是由多个石英晶体谐振器组成的:

谐振器和滤波器的等效电路
- 谐振器
石英晶体的压电谐振现象可以用等效电路来模拟:等效电路包括静态电容C0,动态电容C1,谐振电阻R1,以及动态电感L1

- 滤波器
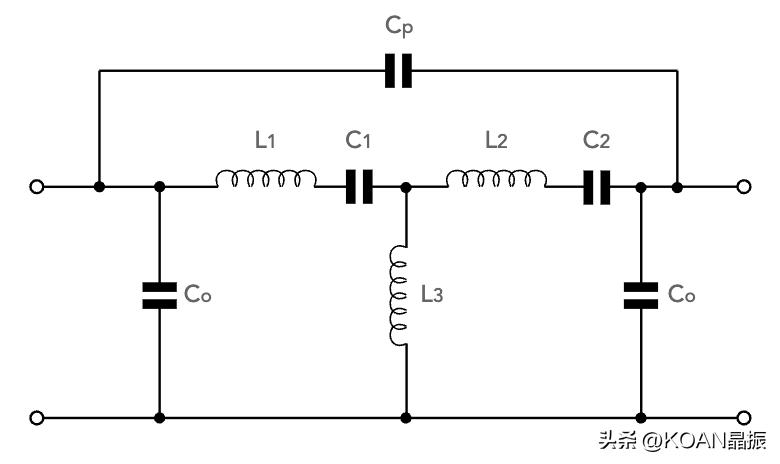
滤波器的原理也可以用等效电路解释:

- L1/C1,L2/C2:两个串联谐振电路,由晶片的尺寸和性能决定。
- L3: 谐振电路之间的内部耦合,通常等于k x L1, 假设L1=L2,可以从宽带(B)除以中心频率F0来计算。耦合常数一般为0.0005.
- Co: 输入和输出的顶部和底部点击之间的寄生电容。
- Cp 滤波器谐振元件上的寄生漏电容。数值尽可能小,防止滤波器的信号泄露,从而损害阻带衰减性能。
石英晶体滤波器的发展
传统的晶体滤波器(Crystal Filter)是是由多个独立的石英晶体振荡器组成,尺寸会很大,需要仔细的设计和组装。随着元器件小型化的发展趋势,单片石英晶体滤波器将几个“极点”整合到单个石英晶片上,通常叫做M.C.F(Monolithic Crytal Filter)。整合的方式有以下两种:使用成对的电极或共用一个接地电极。
- 相同电极
两组相同的电极,在晶片的顶部和底部。类似于石英晶体谐振器,MCF的晶片使用AT切割。多组电极之间会在晶片上产生声波耦合,从而产生滤波功能。

MCF 概念图
- 公共接地电极
单个电极镀在表面上,充当两个电极的公共接地,一个用于输入,另一个用于顶部的输出。

滤波器参数和封装
- 参数
晶体滤波器的主要参数为中心频率,通带宽度,插入损耗,带内波动,阻带宽度,阻带损耗,纹波,截止频率,带内驻波比,阻带抑制度,延迟,带内相位线性度。单片晶体滤波器MCF用于在无线电基站和其它高性能无线电接收器等RF设计应用中提供小而有效的带通滤波器。
- KOAN晶体滤波器封装
49T/UM-1/UM-5直插封装:常用频率10.7MHz,21.4MHz,45.0MHz
SMD7050贴片系列,2/4poles, 常用频率21.4MHz, 21.7MHz, 38.85MHz, 44.85MHz, 45MHz, 46.35MHz, 49.95MHz, 50.85MHz, 51.65MHz, 58.05MHz。