梁平法施工图的表示方法
梁平法施工图是在梁平面布置图上采用在相同编号的梁中各选一根梁,在其上注写截面尺寸和配筋具体数值的方式来表达梁的构造。
平面注写包括集中标注和原位标注,集中标注表达梁的通用数值,原位标注表达梁的特殊数值。当集中标注中的某项数值不适用于梁的某部位时,则将该项数值原位标注。施工时,原位标注取值优先。
梁编号的规定:在平法施工图中,各类型的梁应按下表进行编号。

梁平面注写方式
1.平面注写方式集中标注的具体内容
梁集中标注内容为六项,其中前五项为必注值,如图所示。

框架梁集中标注
(1)梁编号
注写梁编号,该项为必注值。
其中,对井字梁,编号中关于跨数的规定见梁编号规定。梁编号带有注在“()”内的梁跨数及有无悬挑信息。应注意,当有悬挑端时,无论悬挑多长均不计入跨数。
(2)截面尺寸
注写梁截面尺寸,该项为必须值。
当为等截面梁时,用b×h表示,其中b为梁宽,h为梁高。当为加腋梁时,用b×h YL1×L2表示,其中L1为腋长,L2为腋高,如图所示。

加腋梁截面尺寸注写示意
当为悬挑梁且根部和端部的高度不同时,用斜线分隔根部与端部的高度值,即为b×h1/h2,其中h1为梁根部较大高度值,h2为梁根部较小高度值。如图所示。
悬挑梁不等高截面尺寸注写示意
(3)箍筋
注写梁箍筋,该项为必注值。
梁箍筋包括钢筋级别、直径、加密区与非加密区间距及肢数。当加密区与非加密区的箍筋肢数相同时,则将肢数注写一次;箍筋肢数应写在括号内。加密区范围见相应抗震级别的标准构造详图
当为抗震箍筋时,加密区与非加密区用“/”分开,箍筋的肢数注在“()”内。
当为非抗震箍筋,且在同一跨度内采用不同间距或肢数时,梁端与跨中部位的箍筋配置用“/”分开,箍筋的肢数注在“()”内,其中近梁端的箍筋应注明道数(与间距配合自然确定了配筋范围)
(4)上部跨中通长筋或架立筋配置(通长筋可为相同或不同直径采用搭接连接、机械连接或对焊连接的钢筋)
该项为必注值。
所注规格与根数应根据结构受力要求及箍筋肢数等构造要求而定。当同排纵筋中既有通长筋又有架立筋时,应用加号“+”将通长筋和架立筋相连。注写时须将角部纵筋写在加号的前面,架立筋写在加号后面的括号内,以示不同直径及与通长筋的区别。当全部采用架立筋时,则将其写入括号内。
当梁的上部纵筋和下部纵筋为全跨相同,且多数跨配筋相同时,此项可加注下部纵筋的配筋值,用“;”将上部与下部纵筋的配筋值分隔开来,少数跨不同者,按照图集规定:当集中标注的某项数值不适用于梁的某部位时,则将该项数值原位标注,施工时,原位标注取之优先。
(5)梁侧面纵向构造钢筋或受扭钢筋配置
该项为必注值。
梁侧面构造纵筋以G开头,梁侧面受扭钢筋以N开头注写两个侧面的总配筋值。
当梁腹板高度h(w)大于或等于450mm时,梁侧面须配置纵向构造钢筋,所注规格与总根数应符合规范规定。当梁侧面配置受扭纵筋时,宜同时满足梁侧面纵向构造钢筋的间距要求,且不再重复配置纵向构造钢筋。
(6)梁顶面相对标高高差
该项为选注值。
梁顶面标高高差系指相对于结构层楼面标高的高差值。对于位于结构夹层的梁,则指相对于结构夹层楼面标高的高差。有高差时,须将其写入括号内;无高差时不注。当某梁的顶面高于所在结构层的楼面标高时,其标高高差为正值;反之为负值。
2.梁平面注写方式原位标注的具体内容
如图所示。

梁的原位标注
(1)注写梁支座上部纵筋
当集中标注的梁上部跨中抗震通长筋直径相同时,跨中通长筋实际为该跨两端支座的角筋延伸到跨中1/3净跨范围内搭接形成;当集中标注的梁上部跨中通长筋直径与该部位角筋直径不同时,跨中直径较小的通长筋分别与该跨两端支座的角筋搭接完成抗震通长筋受力功能。
当梁支座上部纵筋多于一排时,用“/”将各排纵筋自上而下分开。
当同排纵筋有两种直径时,用“+”将两种直径的纵筋相连,并将角部纵筋注写在前面。
当梁支座两边的上部纵筋不同时,须在支座两边分别标注;当梁支座两边的上部纵筋相同时,可仅在支座一边标注配筋值,另一边省去不注。
当两大跨中间为小跨,且小跨净尺寸小于左、右两大跨净跨尺寸之和的1/3时,小跨上部纵筋采取贯通全跨方式,此时应将贯通小跨的纵筋注写在小跨中间。如图所示。
大小跨梁的平面注写示意
(2)注写梁下部纵筋
①当梁下部纵筋多于一排时,用“/”将各排纵筋自上而下分开。
②当同排纵筋有两种直径时,用“+”将两种纵筋相连,注写时角筋写在前面。
③当下部纵筋不全部伸入支座时,将减少的数量写在括号内。
④当在梁集中标注中已在梁支座上部纵筋之后注写了下部通长纵筋值时,则不需在梁下部重复做原位标注。
(3)注写附加箍筋或吊筋
直接将附加箍筋或吊筋画在平面图中的主梁上(附加箍筋的肢数注在括号内),见图中:当多数附加箍筋或吊筋相同时,可在梁平法施工图上统一注明,少数与统一注明值不同时,再原位引注。

附加箍筋和吊筋的表达
应注意:附加箍筋的间距、吊筋的几何尺寸等构造,系结合其所在位置的主梁和次梁的截面尺寸而定。
(4)井字梁的平面注写方式
井字梁通常由两向非框架梁构成,以框架梁为支座或以专门设置的非框架大梁为支座。为明确区分井字梁与框架梁或作为井字梁支座的其他类型梁,在梁平法施工图中,井字梁用单粗虚线表示,作为井字梁支座的框架梁或其他大梁仍采用双细虚线表示(当作为梁顶面高处板面时可用双实细线表示)。
井字梁分布范围称为“矩形平面网格区域”(简称“网格区域”)。在由四根框架梁或其他大梁围起的一片网格区域中的两向井字梁各为一跨;当有多片网格区域相连时,贯通n片网格区域的井字梁为n跨,且相邻两片网格区域的分界梁即为该井字梁的中间支座。井字梁编号注写的跨数为其支座总数减1,如图所示。在该梁的任意两个支座之间,无论有几根井字梁与其相交,均不作为支座。

井字梁跨数注写示意
井字梁的端部支座和中间支座上部纵筋的延伸长度a0值,应由设计者在原位标注具体数值予以注明。
当采用平面注写方式时,则在原位标注的支座上部纵筋后面括号内加注具体延伸长度值,如图所示。
井字梁延伸长度注写示意
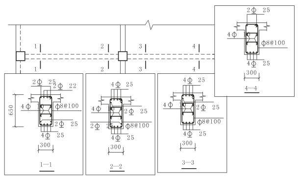
截面注写方式
截面注写方式,是在分标准层绘制的梁平面布置图上,分别在不同编号的梁中各选择一根梁用剖面符号引出配筋图,并在其上注写截面尺寸具体数值的方式来表达梁平法施工图。如图所示。

梁截面注写方式示意
对所有的梁按规定进行编号,从相同编号的梁中选择一根梁,现将“单边截面号”画在该梁上,再将截面配筋详图画在本图或其他图上。当某梁的顶面标高与结构层的楼面标高不同时,应在其梁编号后面注写梁顶面标高差(注写方式与平面注写方式相同)。
截面注写方式既可以单独使用,也可以与平面注写方式结合使用。在梁平法施工图的平面图中,当局部区域的梁布置过密时,除了采用截面注写方式表达外,也可以采用将过密区用虚线框出,适当放大比例后再用平面注写方式表示。当表达异形截面梁的尺寸与配筋时,用截面注写方式比较方便。
注:欢迎大家关注小编的微信公众号“土木智库”,里面有小编整理的建筑行业的众多资料,有一建、二建、造价、消防视频和课件,欢迎大家的加入。

