砌筑加气砼砌块墙体
1.主控项目:砖、砌块和砌筑砂浆的强度等级应符合设计要求。
一般项目:1.填充墙砌体一般尺寸的允许偏差应符合(GB规范表9.3.1)的规定。

加气混凝土砌体填充墙横向和竖向灰缝砂浆饱满度应大于等于80%,用百格网检查。
圈梁、构造柱及墙体拉结筋的位置、锚固及搭接长度应符合设计及施工规范的要求,并进行隐蔽验收,填写隐蔽验收单。
2.材料要求:
(1)砌块:强度等级不小于A3.5,干体积密度不大于650kg/m3 ,应有产品合格证书,经复试合格。蒸压加气混凝土砌块砌筑时的产品龄期应超过28d,不使用经雨淋,含水率大于15%的砌块。
(2)水泥:32.5及其以上的普通硅酸盐水泥或矿渣硅酸盐水泥。水泥进场使用前,应分批对强度、安定性进行检验。当在使用中对水泥质量有怀疑或水泥出厂超过三个月时,应进行复查试验,并按其结果使用。
(3)砂子:中砂,含泥量不超过5%,过5mm孔径筛。
(4)钢筋材质应有出厂合格证和质量证明单及复试报告。
主要机具:
机械:塔式起重机、卷扬机、井架、切割机、砂浆搅拌机。
工具:瓦刀、夹具、手锯、小推车、灰斗、灰铲、小撬棍、小木锤、线锤、皮数杆等。
3.作业条件:
(1)现场存放场地应夯实,平整,不积水,码放应整齐。装运过程轻拿轻放,避免损坏。并尽量减少二次倒运。
(2)根据墙体尺寸和砌块规格,妥善安排砌筑平面排块设计,尽可能地减少现场切割量。根据砌块厚度与结构净空高度及门窗洞口尺寸切实安排好立面、剖面的排块设计,避免浪费。
(3)楼、地面基层水泥砂浆浮浆及灰渣物已经清理干净。
(4)安全帽、安全带、安全网配备齐全,“四口”即:通道口、预留口、电梯井口、楼梯口和临边已经做好防护。
(5)已做好施工平面布置,划分好施工段,并安排水电安装队配合砌筑班组做好水电管线的预留预埋工作。
(6)砌加气混凝土块的部位在结构墙体上按+1000mm标高线分层划出砌块的层数,安排好灰缝的厚度。在相应的部位弹好墙身门洞口尺寸线,在结构墙柱上弹好加气混凝土墙的立面边线。标柱窗口位置。
(6)砌墙的前一天,应将加气混凝土墙与结构相接的部位洒水湿润,保证砌体粘结牢固。
4.技术关键要求:
(1)在厨房、卫生间、浴室等处采用轻骨料混凝土小型空心砌块、蒸压加气混凝土砌块砌筑墙体时,墙底部宜现浇混凝土坎台,其高度宜为150mm,如果灰缝超过20mm,先用C20细石砼找平。
(2)根据设计及施工规范的要求,原钢筋混凝土结构的剪力墙侧面等结构部位应预埋φ6的拉墙筋和构造柱、过梁的插筋,砌筑前焊好预留拉结钢筋,个别遗漏的用结构胶植上述钢筋。
(3)蒸压加气混凝土砌块填充墙砌体施工过程中,严格按设计要求留设构造柱,当设计无要求时,应按墙长度每5m设构造柱。构造柱应置于墙的端部、墙角和T形交叉处。构造柱马牙槎应先退后进,进退尺寸大于60mm,进退高度宜为砌块1-2层高度,且在300mm左右。
(4)加气混凝土砌块填充墙与构造柱之间以φ6拉结筋连接,拉结筋按墙厚每120mm放置一根,120厚墙放置两根拉结筋。拉结筋埋于砌体的水平灰缝中,埋入每边墙的长度不,不应小于1000 mm,末端应作90°弯钩。
(5)加气混凝土砌体填充墙每天的砌柱高度不宜超过1.8m,并且填充墙上不得留设脚手眼,搭设脚手架。
(6)GZ钢筋搭接长度600mm,箍筋在600范围内搭接。

5.质量关键要求
(1)加气混凝土砌块填充墙砌体的灰缝砂浆饱满度应符合施工规范≥80%的要求,尤其是外墙,防止因砂浆不饱满、假缝、透明缝等引起墙体渗漏,内墙的抗剪切强度不足引起质量通病。
(2)填充墙砌至接近梁底、板底时,应留一定的空隙,待填充墙砌筑完并至少间隔14d后,再将其补砌挤紧,防止上部砌体因砂浆收缩而开裂。方法为:当上部空隙小于等于20mm时,用1:2水泥砂浆嵌填密实;稍大的空隙用细石混凝土镶填密实;大空隙用烧结标准砖或多孔砖宜成60°角斜砌挤紧,但砌筑砂浆必须密实,不允许出现平砌、生摆(填充墙上部斜砖砌筑时出现的干摆或砌筑砂浆不密实形成孔洞等)等现象。
(3)砌筑时,应向砌筑面适量浇水湿润,砌筑砂浆有良好的保水性,并且砌筑砂浆铺设长度不应大于2m,避免因砂浆失水过快引起灰缝开裂。
(4)砌筑过程中,应经常检查墙体的垂直平整度,并应在砂浆初凝前用小木锤或撬杠轻轻进行修正,防止因砂浆初凝造成灰缝开裂。
(5)砌体施工应严格按施工规范的要求进行错缝搭砌,避免因墙体形成通缝削弱稳定性。

6.操作工艺
结构经验收合格后,把砌筑基层楼地面的浮浆残渣清理干净并进行弹线,填充墙的边线、门窗洞口位置线准确,偏差控制在规范允许的范围内。皮数杆尽可能立在填充墙的两端或转角处,并拉通线。
在厨房、卫生间、浴室等处采用轻骨料混凝土小型空心砌块、蒸压加气混凝土砌块砌筑墙体时,墙底部宜现浇混凝土坎台,其高度宜为150mm。
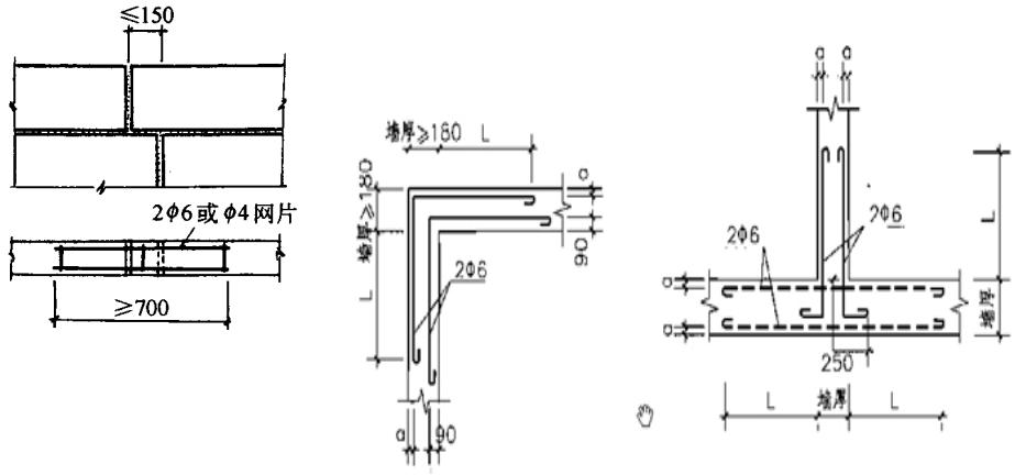
砌筑时应预先试排砌块,并优先使用整体砌块。不得已须断开砌块时,应使用手锯、切割机等工具锯截整齐,并保护好砌块的棱角,锯截砌块的长度不应小于砌块总长度的1/3。长度小于等于150mm的砌块不得上墙。砌筑最底层砌块时,当灰缝厚度大于20mm时应使用细石混凝土铺密实,上下皮灰缝应错开搭砌,搭砌长度不应小于砌块总长的1/3。当搭砌长度小于150mm时,即形成所为的通缝,竖向通缝不应大于2皮砌块,否则应配φ4钢筋网片或2φ6钢筋,长度宜为700mm,如下图所示。

转角处无构造柱时拉结筋设置。
蒸压加气混凝土砌体的竖向灰缝宽度和水平灰缝厚度宜为15mm。灰缝应横平竖直、砂浆饱满,正、反手墙面均宜进行勾缝。砂浆的饱满度不得小于80%。横向灰缝的一次铺灰长度不应大于2m,竖向灰缝应采用临时内外夹板夹夹紧后灌缝。
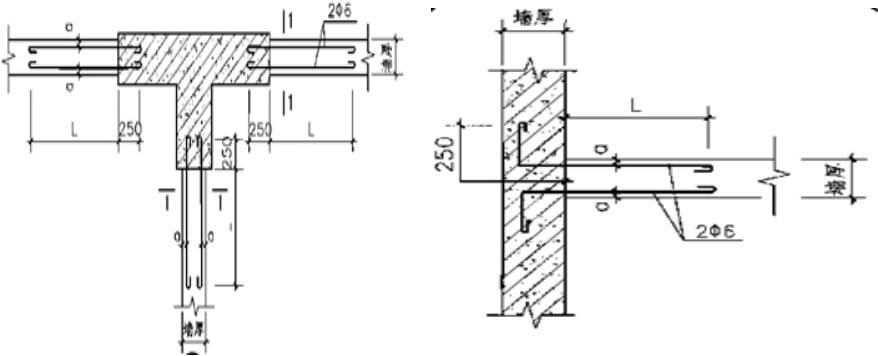
蒸压加气混凝土砌体填充墙与剪力墙或构造柱连接的部位,应预埋2φ6的拉结筋,拉结筋的竖向间距应为500mm,拉结筋的末端应做40mm长900度弯勾,伸入墙内不少于700mm。

有抗震要求的砌体填充墙按设计要求应设置构造柱、圈梁,构造柱的宽度由设计确定,厚度一般与墙等厚,圈梁宽度与墙等宽,高度不应小于120mm。圈梁、构造柱的插筋宜优先预埋在结构混凝土构件中或后植筋,预留长度符合应设计要求。构造柱施工时按要求应留设马牙槎,马牙槎宜先退后进,进退尺寸不小于60mm,高度为300mm左右。当设计无要求时,构造柱应设置在填充墙的转角处、T形交接处或端部,当墙长大于5m时,应间隔设置。圈梁宜设在填充墙高度中部。
