1 经纬仪概况 经纬仪是架空线路基础工程主要测量仪器之一,可用来测量水平角度、竖直角度、距离和高程。
线路工程上常用的光学经纬仪有DJ1、DJ2、DJ6等几种类型。“D”、“J”分别为大地测量和经纬仪的汉语拼音第一个字母,数字“1”、“2”、“6”是表示仪器的精度等级,即该类仪器的一测回水平方向中的误差,以秒为单位来表示。数字越小,仪器精度越高。

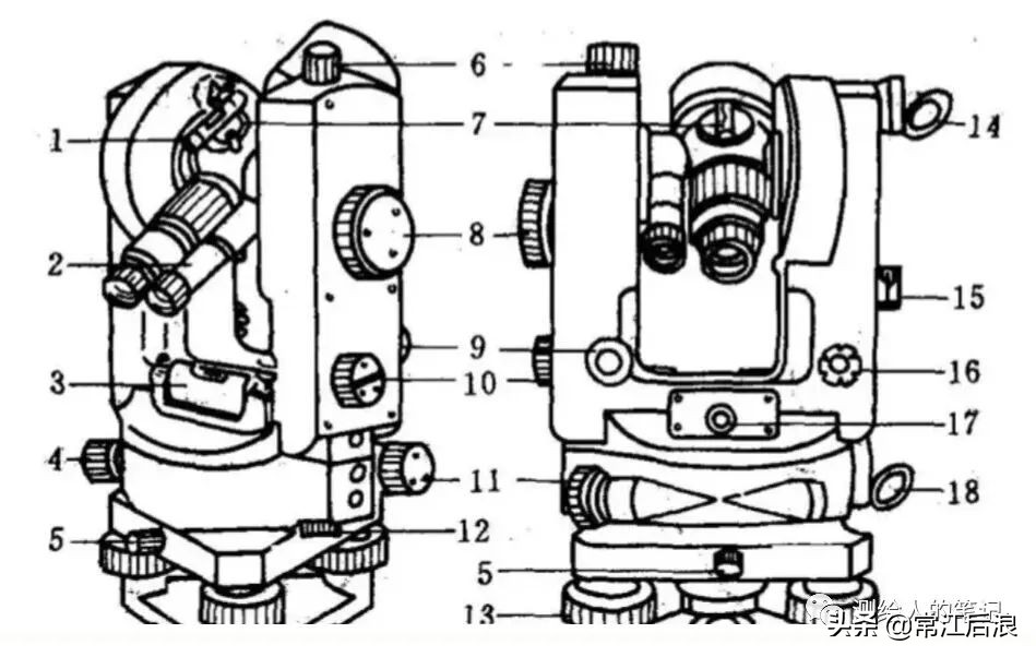
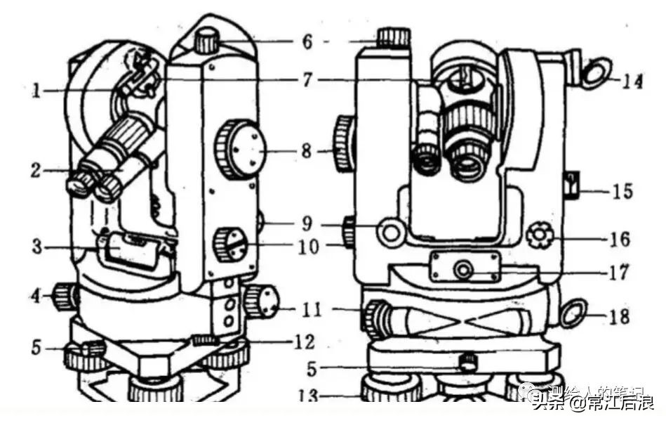
1.望远镜反光手轮2.读数显微镜3.照准部水准管4.照准部制动螺旋5. 轴座固定螺旋6.望远镜制动螺旋7.光学瞄准器8. 测微轮9.望远镜微动螺旋10.换像手轮11.照准部微动螺旋12.水平度盘变换手轮13.脚螺旋14.竖盘反光镜15.竖盘指标水准管观察镜16.竖盘指标水准管微动螺旋17.光学对中器目镜18.水平度盘反光镜
2 经纬仪对中 对中就是将经纬仪水平度盘的中心安置在测站点的铅垂线上。方法步骤如下:1.测站点上安置经纬仪,目估大致对中;(记)2.旋转光学对点器的目镜,使分划板清晰;3.拉出或推进对中器的物镜管,使测站点的标志成像清晰;4.双手各提脚架一条腿前后、左右摆动眼观对中器寻找目标,使测站点标志的影像精确位于分划板小圆圈的中心。
3经纬仪的整平 整平的目的是使仪器的竖轴处于竖直位置,水平度盘处于水平位置,其操作步骤如下:1)使基面处于水平状态,(记)来回调节三角架的三条腿的长短,使基面圆水准器的气泡落在小圆圈内。(粗平) 注意:调节三脚架架腿时,要使用双手操作,避免因操作用力不当,大幅度地晃动仪器会出现损坏仪器的现象。同时,要注意三脚架的三个腿要踩实。
2)在圆水准器气泡居中的前提下,转动仪器,使照准部水准管平行于任意两个脚螺旋的连接线方向。3)两手同时向内或向外旋转这两个脚螺旋,使水准管的气泡居中(注意:气泡移动的方向和转动脚螺旋时左手大拇指运动方向相同)。4)气泡居中后,将仪器照准部旋转90°,再用第三个脚螺旋使气泡居中。5)按上述步骤反复进行,直至长水准管在任何位置气泡偏离中央不超过半格为止。
6)架头上移动仪器,精确对中。7)反复(2)--(4)步骤,既满足精确对中,又满足气泡居中。 整平的操作方法: (气泡的走向与左手母指的旋转方向一致)

4经纬仪瞄准目标 1.目镜调焦对光:松开经纬仪望远镜、水平制动和竖直制动螺旋,使望远镜朝向天空或较远处,转动目镜调焦螺旋,直至望远镜内十字丝清晰。 注意:若同一个人观测,在观测过程中,不需要对目镜再进行对光调整。否则,就需要对仪器进行检校。
2.照准标志:测量角度时,仪器安置点称为测站点,远方目标点称为照准点,在照准点上必须设立照准标志便于瞄准。测角度时用的照准标志有花杆、视距尺、塔尺或测针、垂球线等。
3.粗瞄准目标:使用望远镜上的缺口和准星(或瞄准器)照准目标,使观测目标在望远镜的视场内,即旋紧望远镜和各制动螺旋。
4.物镜调焦对光:转动望远镜对光螺旋,使观测的目标影像清晰,同时注意消除视差(视差的消除方法与水准仪消除视差的方法相同)。
5.精确照准:当目标成像较细时,可使用十字丝纵丝的单丝照准目标。转动照准部微动螺旋,使被观测的目标,准确地与十字丝纵丝重合。若目标是标杆或成像有一定的宽度时,可使用十字丝纵丝的双丝照准目标,即使目标成像准确地夹在双丝的中间。这种情况要求照准目标必须垂直,用双丝检查照准目标时,其左右是否对称。 注意:旋转照准部微动螺旋精确照准目标时,应尽可能地使微动螺旋的旋转方向一致,若旋转过而没有照准目标时,不要使用回转的方法照准目标,应松动制动螺旋,重新照准,以避免因微动螺旋有间隙差造成测量误差。

图 目标点瞄准方法
瞄准目标时要用十字丝的中央部位。如观测水平角,可视目标影像的大小情况,将目标影像夹在双纵丝内且与双丝对称,或用单纵丝与目标重合,如上图所示。为了减少目标倾斜对水平角的影响,如上图(b)、(c)的情况,应尽可能瞄准目标底部。如用垂球线作为找准的目标,应注意使垂球尖准确对正测点,并瞄准垂球线的上部,如上图(a)。 5经纬仪读数及读数方法

1.度盘读数两个度盘读数都是用望远镜旁边的读数显微镜去读取。水平度盘影像用水平度盘照明反光镜(18)照明,竖直度盘影像用竖盘照明反光镜(14)照明。J2光学经纬仪的读数窗中只能看到水平度盘或竖直度盘二者之一的影象。
位于支架外侧的换象手轮(10),用以变换两度盘的影像,欲使显微镜中现出水平度盘影像,顺时针方向转动换象手轮(10),到转不动为止,欲使显微镜中现出竖直度盘影像,则逆时针方向转动换象手轮,到转不动为止。
无论那个度盘的影像出现于显微镜中、测微小窗的影像总是出现于度盘影像的左边,转动读数显微镜目镜(2)可使度盘的影像清晰。
2.水平度盘读数放松止动螺旋(4)和(6),转动照准部,用望远镜上的光学瞄准器(7)的十字丝粗略找准目标,轻轻锁紧止动手轮(4)和(6),旋转照准部微动螺旋(11)和望远镜微动螺旋(9),使望远镜分划板十字丝精确照准目标。目标小于双丝之间的宽度宜用双丝瞄准,反之则用单丝瞄准。
顺时针转动换象手轮(10)到转不动为止,使盖面白线成水平,打开与转动水平度盘照明反光镜(18),使水平度盘有均匀、明亮光线照明。调节读数显微镜目镜(2),使度盘影像清晰、明确。拨开水平度盘变换手轮的护盖,转动变换手轮(12),使在读数窗内看到所需之度盘读数。(水平调零之用)关好护盖,应注意在转动变换手轮(12)时不宜用力过大,以免影响望远镜竖丝偏离目标。在置换度盘位置后,宜检查一下望远镜内见到的目标是否移动。测微手轮的最后转动必须是同一顺时针方向的。当转动测微手轮至测微尺刻划未端时,应注意不宜再继续转动,以免损伤测微尺。
3.读数方法

图度盘读数(一) J2经纬仪读数窗口有两种,一种如上图(一),整度数由上窗中央或偏左的数目字读得171°,上窗口中的小缺内的数字为整十位分数;左窗内左边数字为整分数,右边的数字为整十秒数,个位秒数从上数到指标线有多少格数即为整秒数。测微尺上下共刻600格,每小格为1",共计10',左边的数目字为分,右边的数目字乘10",再数到指标线的格数即秒数。度盘上读得的读数加上测微尺上读得的读数之和即为全部的正确的读数。如上图:9'+2×10"+6"=9'26"

图 度盘读数(二) 1)当小窗口中的读数为4或5时,应读窗口中偏左或居中数值为整度数,2)当小窗口中读数为0、1、2时且左边的整度数可能看不齐,这时应读偏右或居中的值,3)当小窗口中出现3数值时,上面的应读度数一般在居中位置。
另一种如上图,按正像在左(中心偏左或中心),倒像在右(中心偏右或中心),相距最近的一对注有度数的对径分划(二者相差180°)进行,正像分划线所注度数即为要读的度数;正像分划线和倒像分划线间的格数乘以整十分,即为整十位分数,不足10'的余数则在测微尺上读得。

J2的读数方法 一般采用对径重合读数法—-转动测微轮,使上下分划线精确重合后读数。
4.竖直度盘读数

反时针方向转动换象手轮(10)至转不动为止,使盖面白线成竖直位置,打开和转动竖盘照明反光镜(14),使竖直度盘有均匀、明亮光线照明,按上述读数符合方法和读数方法即可读得竖直度盘的读数。但在每次读数前应旋转竖盘指标微动螺旋(16),使得在观察棱镜(15)内看到的竖盘水准器水泡精确符合(即望远镜在盘左位置,当水准器的气泡居于中央时,竖直度盘的读数是90°)。
6经纬仪视距测量

在视距测量之前,应调整镜筒处于水平状态,即读数窗口中出现90°0'0"(盘左)或270°0'0"(盘右)

调整方法: 1、先调节读数测尾轮(8),使右图左窗口至零分划线位置; 2、利用望远镜上、下转动粗调,使读数窗口中出现如图a所示,固定镜筒; 3、利用微调旋钮(9)调整窗口中下方方格内三根竖丝上、下对齐如图b; 4、当满足下图时,即为90°0'0",镜筒处于水平状态或镜筒的中丝与塔尺成垂直状态。
1、视准轴水平时视距测量

如上图:在桩位中心O1安平仪器,当望远镜视线水平时(镜筒处于90°0'0"或270°0'0"),视线OM和视距尺垂直相交于M点,从望远镜内上下视距线a、b出发的平行光线,经物镜折射后,经过物镜生焦点F与视距尺相遇于A、B两点,两点间距离R叫做视距,尺离仪器越远,R值就越大,反之就越小,根据R值和几何关系即可算出仪器中心O到尺间的水平距离D;
同时在望远镜镜筒中丝在视距尺M点的读数即为仪器高度。

在桩位中心O1安平仪器,当望远镜视线水平后(镜筒处于90°0'0"或270°0'0"),转动望远镜镜筒瞄准目标得到一个角度为α,则找正目标后的竖直9为:当左盘时:Θ=90°-a;当右盘时:Θ=a-270°;水平视距的计算:
望远镜分划板上有上、下两短线,它与标尺配合,可以求得测站点到标尺之间的距离。D=KR+C式中:D—一目标到测站点的距离(m);R——上下视距丝在标尺上所截长度(m)K——视距乘常数,K=100;C-—视距加常数,C=0。2、视准轴倾斜时视距测量:

如图所示:在倾斜地面上进行规距测量,视线OM不能垂直尺面,而和水平线OG开成垂直角日,不能使用视准轴水平时计算公式,要求水平距离D,就必须进行以下两步推导:(1)从不垂直于尺面的视距AB求出垂直于尺面的A'、B'求出斜距离OM。A´B´=A B cosΘ=R coseOM=KRcosΘ+C(2)从斜距离OM求出水平距离DD=OMxcosΘ=(KRcosΘ+C) xcosΘ=KRcos2Θ+CcosΘ内对光望远镜,式中Ccose可以省略,水平 距离计算公式为:D=KRcos2Θ式中:D--O1和P之间水平距离;R-—望远镜内两视距丝所截得的长度;K--望远镜的视距常数,K=100;Θ-—倾斜视准轴线和水平线间竖直角。
7 线路高差测量 1、视准轴水平时高差及高程的测量:

从图中可以看出,桩位中心O1和P点间高差及高程为;H=i-tHP=H01+H式中:H—-P点相对于桩位中心01点高差。i-—仪器高度;t——P点的视线高;H01--01点的高程;HP--P点的高程。2、视准轴倾斜时高差及高程的测量

由图可看出,01和P点间高差及高程为:H=h+I-tH=KRcosexSinΘ=KRsin20/2Hp=H01+H式中 h-仪器旋转中心至尺上照准点的垂直距离,称初算高差,仰角时为正,俯角时为负。为简化计算,在观测时,常使t=i,则H=h8导线交叉跨越距离的测量
测量对障碍物净空距离:

可将经纬仪架设在横线路 方向的适当位置处。调整好仪器,将塔尺分别立在导线垂直下方的A点和房屋最高点B点的地面上,测量并标出仪器至导线的水平距离S2和仪器至房屋的水平距离S1,然后测出房屋高度角01和导线高度角02。
导线对障碍物的净空距离为:

S1---测点到障碍物最高点水平距离S2---测点到导线与障碍物间最近点的水平距离S2tge2---导线对测点的高差S1tg01--障碍物最高点与测点的高差 9 叉跨越距离的测量方法

测量线路交叉跨越距离时,可将经纬仪架设在线路交叉点交叉角的近似等分线的适当位置上。调整好仪器,并在被测线路交叉点垂直下方立好塔尺。先读取中丝h和视距s,然后沿垂直方向转动望远镜筒,使镜筒内“十”字分划线的横线分别切于交叉点的上线和下线,从而得到两个垂直角01和02,
1-仪器;2-交叉点;3-交跨导线经纬仪至交叉点的水平距离为:S=100L交叉点间的垂直距离:H1=S (tg02--tg01)
10直线角钢塔铁塔基础分坑测量

1、正方形基础分坑的参数计算:已知:a为基础根开,d为坑口边长,P为 铁塔中心,2、分坑前首先算出LO、L1、L2值分别为:

3、分坑方法:1)在中心点P安平经纬仪并前视相邻杆塔位中心桩无误后,固定水平度盘得到初始水平角:为x°×'×"并记录;2)然后将仪器顺转45°(初始角加45°)定出KIII、KI两辅助桩,继续顺转至135°定出KIV、KII两辅助桩,3)自P点沿P KIII方向分别量水平 距离L1、L2定出d1点和d3点,4)然后取尺长为2d,将两端头分别置于d1点和d3点,用手钩住皮尺中部d处向外拉直即得出d2点,再折向另一侧得出d4点,d1-d4点的连线即为坑口位置。5)利用同样的方法,可以分别定出其余三个坑口的位置。

精确地定出A、B、C、D四个控制桩:1)将仪器安置于中心桩0点,瞄准前、后线路方向辅 助桩无误后,在此方向上确定A、B两点,使AO=BO=(x+y)/2。x、y分别为矩形塔腿的长、短根开的距离。2)将仪器镜筒旋转90°,在横线路方向上定出C、D控制桩,同样使:CO=DO=(x+y)/2。3)将仪器安置于A点,瞄准D点即得AD线,在此线上量取PD=0.707(y+a),QD=0.707(y-a),得P、Q两点。a为基坑边长。4)取2a线长,将两端分别置于P、Q两点,拉紧线的中点即得M点,反方向即得N点。5)取石灰粉沿NPMQ在地面上画白线,即得第三只基坑。6)仪器仍在A点,将仪器镜筒从D点旋转90°观测到C点,同样从AC线上可以画出第二只基坑*粉白**线。7)将仪器置于B点,依同样方法划第一只和第四只基坑。8)复核图纸及整个塔基尺寸,完全正确无误后,用铁锹沿粉线在四周挖土。
9)在AD线上,若自A点开始量取P、Q点,AP=0.707(x-a),AQ=O.707(x+a),同样可得基坑的四角NPMQ。从B点起 量亦相同。
11不等高塔腿基础分坑

如上图所示:不等高塔腿基础根开有三个值,假定分别为a、b、c,坑口边长为d,计算出L1、L0、L2、以及H1、H2、H0分别为;由此可按上述正方形基础(或矩形基础)分坑法划出各坑口位置。

12观测弧垂的方法 1、等长法观测弧垂:等长法以称平行四边形法,是最常用的方法。

1)从观测档两侧架空线悬点垂直向下量取选定的弧垂观测值,绑上弧垂板,调整架空的拉力,当架空线与弧垂板相切时,中间弧垂即为施工要求的弧垂。2)当温度变化而引起弧垂变化时,可移动一侧弧垂板调整,调整量是弧垂变化值△f的2倍。3)若气温变化较大时,(大于10℃)则需要重新在观测档两侧设置弧垂板。4)等长法观测弧垂精度随着两悬挂点的高差的增大而降低,当高差为零时精度最高,当高差大于h>10%·L时,等长法观测会造成较大的误差,应选用异长法观测.
2、异长法观测弧垂:

a.采用异长法观测弧垂时,选择一侧悬挂点弧垂板绑扎点的距离a值,(azf,使视线切点尽量靠近弧垂最低点)根据关系式:√a+√b=2√f,得:b=(2√f-√a)2式中:a一观测档一端所选的架空线路悬挂点至弧垂板的距离。b一观测档另一端架空线悬点至弧垂 板的距离。f一观测档的弧垂。b.在观测档的另一侧在悬挂点垂直下方量b值,绑弧垂板调整架空线的拉力,当 架空线与弧垂板相切时,中间弧垂即为 施工弧垂。c.当气温发生变化时弧垂也随至变化,可移动一侧弧垂板调整,调整量△a=2∠f·√a/f例:设已知f=8m,a=4m,求b值。解:b=(2x√8-√4)2=13.4m
设原绑弛度板时的弛度f=8.0m,a=4.8m,因气温变化新弛度值f'=8.5m,Af=0.5m求△a值.解:△a=2×△fx (√a/f)=2×0.5×(√4.88)=0.775m
3、角度法观测弧垂:角度法是用经纬仪观测弧垂的方法,可分档端、档外、档内、档侧多种角度观测法,在线路施工中常用档端观测法。下图中(a)为档端仰角观测法,图(b)为档端俯角观测法

档端观测方法: a)经纬仪安置在档端低悬挂点的下方:图中:b=L·tga-L·tgΘa-—仪器中心至A的垂直距离;tgΘ=tga-一zf-—根据观测弧垂时的气温选出的档距中点弧垂;e-—仪器视线与导线相切时的垂直角,仰角为正,俯角为负;a——仪器安置在A点,瞄准B点时的垂直角度;L--档距,米;b)经纬仪安置在档端高悬挂点下方:Tg=—(tga-b/L)根据悬挂点的高差,可直接计算e值,e=tg-1(th-4f+4vaf)L式中:高h:仪器在低悬挂点时,h取“+”仪器在低悬挂点时,h取“一”
档端观测方法:1)安置仪器于观测档架空线悬挂垂直下方A’点,取长度a,2)调整经纬仪观测值(根据温度变化调整),3)调整架空线的张力,使架空线与仪器中横丝相切,这时架空线的中点弧垂就是施工弧垂,4)水平偏转望远镜筒,使边线与横丝相切,即为边线弧垂,5)温度变化时调整观测值:适用范围:由公式va-Vb=2vf可得:当bs0时,4fsa,角度法和异长法都不适用,说明角度法适用范围为b<0,a>4f,当b值越小此法的精度越高。例:设仪器安置在低悬挂点垂直下方A'点,已知观测档的弧垂f=12.5m,档距L=275m,导线悬挂点高差h=25.72m,导线悬挂点至仪器的中心垂直距离a=25m,求弛度观测角日。解:e=tg-1(th-4f+4vaf)/L仪器在低悬挂下方h取”+”,代入数据:Θ=tg-10.16883=9.58°
来源:测绘人的笔记
版权归原作者所有
资料用于学习,如有侵权请联系删除
文章仅用于学习交流,版权归原作者所有,如有问题,请及时与我们联系,我们将第一时间做出处理。