事情是这样的,前天一下到了3个快递,取回来。拆开第一个,本以为是批头,结果是行车记录仪

剩下的拆开,也没见到批头。

然后呢,想起坛友站内信信息。“行车记录仪电源接反烧掉了,请我帮忙修一下”
又是一位中了“毒”的坛友。该坛友很有礼貌。对于这样“不差钱”的坛友,我很喜欢,行车记录仪原理很简单,能修好的花不了几个钱,需要换大件的也不值得修了。与坛友联系寄过来,还是换小件不要钱,免费维修。这个帖子记录一下维修过程与思路,给维修小白一个参考。
那就分开两个部分记录这个帖子吧,1楼讲故事拆机,2楼详细维修思路。
首先呢,还是老样子,看下待修机器外观。
老机器,还有膜,坛友很爱惜。

液晶面,操作按键

HDMI输出,复位,USB供电

TF卡,开机按键

吸盘扣

标签,因为过保了,所以就不打马赛克了

拆下TF卡,才8G

接下来就是拆机,没有螺丝,肯定是卡扣。那就指甲划开

转一圈,划开

拆开上盖,看到屏幕连接线。注意打的固定硅胶

清除硅胶后,拿下排线。

拿下屏幕

打下主板全部螺丝

拿下主板

螺丝拆多了,镜头也个拆开了,那就看看cmos吧

电池已经鼓包,测量判定已经失效

避免损坏cmos,重新安装好透镜

内存

闪存与主控,Ambarella A7L-B1-RH

电池已经失效,那就直接拆下

线薄皮,方便后续测试

接下来开始详细维修过程
坛友说是电源反接导致不开机,一般电源反接,我们首先的思路就是查找bom的地方。这种问题最容易引起二极管烧毁,稳压芯片烧毁。
电源反接造成的故障千万不能先接电源测试,避免二次伤害,或者大电流对电源冲击。
那么我们观察主板,主板上没有明显损坏的地方,也没有烧坏的电容等器件,那就注重测量保险与二极管

如下图红框内的元器件

经过测试,0欧电阻与二极管都完好。这样,我们用万用表蜂鸣档位,测量电源输入端,这台机器测量后发现无短路情况。
那就上电看电流情况。



上电测量以下几个方面,1,电源输入 2,稳压端输入电压与输出电压。3,电流变化 4 , 发热情况
我这里使用充电器与USB电压电流表,上电,电流无变化。说明板子不漏电。
按下开机键,电流无跳变,说明没有明确工作电压到达IC。
接下来就是测量工作器件电压比变化情况。
我的表针太粗,为了避免表针引起的损坏,就用鳄鱼夹夹住镊子测量

输出电压正常


测量第二端后电压,只有2.6v??一个尝试就是闪存,cup工作电压3.3v,cmos工作电压1.8v
那么这个电压不对。同时测量开机电路电压只有1.2v?这个正常是3.3v。

看到这种测量结果,根据经验,应该有这样一幅图:

这时,我们根据上图有两个接下来测试的方案。
1,检查保护电路
2,跳过保护电路,给电池端供电启动
这里虽然可以判定是保护电路出问题了,但是我为了保险cpu等重要器件没问题,使用的第二种测量方法。
上维修电源,电压4v


按下启动,灯亮了

看下电流,250ma,不算太大,但是也挺大的

关闭电源,安装上液晶,再开机,嘿嘿

好了,石锤!故障就是保护电路损坏
保护电路应该是那个呢?
我第一眼猜测就是usb座子背面那个,为什么呢?因为这个板子布局是对称的,里面采用了两组相同结构的ldo模式。
只有这个6脚芯片是多余的,而且它与vcc直接链接。用万用表测量,发现12,56脚接地,3vcc,4接ldo。
典型的电压跟随器方案。
我们再看看测量数据,4输出只有2.6v,不符合ldo供芯片工作电压,也不符合电池充电电压



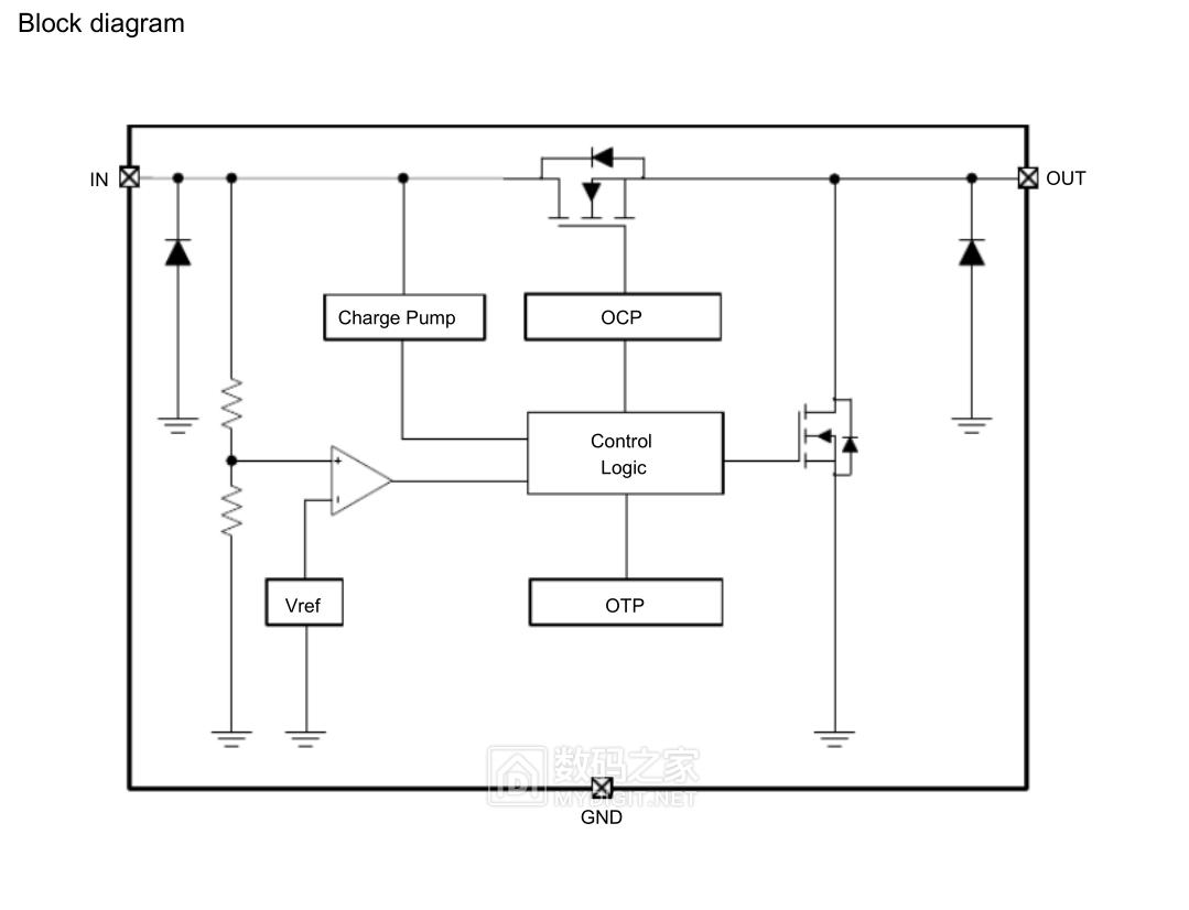
根据丝印,找了下手册,果然符合我的判断与测量,就是电压跟随输出保护芯片

看上图,这个芯片没有外设调节,所以是电压跟随保护芯片,这样in与out都应该是5v才对,所以这个芯片损坏。

这个芯片的参数。
这个板子是无铅焊接,阻容又多是0402,怕烙铁操作不稳,就上热风枪,拆除坏掉的芯片



我手里没这个芯片,只好短接3,4脚

插上数据线,上电测试

电流起跳,与电池端供电差不多,故障解除

给电池电源线包热缩管,这样坛友回去直接换电池就行了

安装

组装好再测试下,ok

把坏件也打包好,今天给坛友顺丰陆运到付寄回。

维修结束,纯粹的小白教程,但愿小白能有收货
谢谢观看!
关注数码之家网浏览更多精彩资讯、拆机图文DIY
技术交流请联系原作者
作者:亲爱的混蛋
本文来源:数码之家