这是一个电风扇自动温控调速器,可根据温度变化情况自动调节电风扇的转速,如果在电路上稍加改动,也可以用于其它电气设备的控制。
一. 电路工作原理
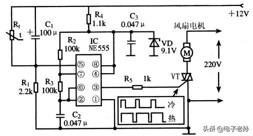
电路工作原理如图①所示

图①电风扇自动温控电路
图中IC是NE555时基电路,与R2.R3和C2等元件构成多谐振荡器,可发出占空比可调的矩形波信号。当温度变化时,热敏电阻R1的阻值发生变化,改变多谐振荡器输出方波的占空此,调节晶闸管(可控硅)ⅤT的导通角,从而改变电风扇电极两端的电压,从而达到自动调节电风扇的转速。
(二))元件选择
集成电路IC选用NE555时基电路如图②,图③

图② NE555集成块外形

图③ NE555内部结构功能图
ⅤT选用3A耐压400v以上双向可控硅如图④

图④ 3A双向可控硅
R1(Rt)为负温度系数热敏电阻,可选常温为10kΩ左右的热敏电阻。电容C1选用普通铝电解电容,C2.C3选用涤沦电容。VD2选为稳压值为9.1v的稳压管。