这个庚子鼠年春节有些不寻常,除夕前几天,湖北便传来了噩耗,新型冠状病毒肆虐,武汉因此而封城。使得原本的车水马龙,熙熙攘攘的街道,变得非常冷清。学校延期开学,工厂企业延期复工,全国上下积极响应国家号召,居家隔离配合疫情防控。在此期间出门必须要佩戴口罩做好防控,那室内又应如何有效的进行科学防护呢?今天小U就和您聊一下疫情期间,如何使用空气净化器来帮助您对病毒进行防护?

在上海市举行的疫情防控新闻发布会上,有关“气溶胶”传播新冠病毒的消息引发公众的广泛关注。紧接着2月15日,国务院联防联控机制新闻发布会上,科技部社会发展科技司司长吴远彬介绍,通过研究,新冠病毒主要传播路径是呼吸道传播和接触传播。近期钟南山院士和李兰娟院士团队分别从新冠肺炎患者粪便当中检测并分离出新冠病毒,尽管如此,尚无证据表明可通过粪口途径及气溶胶传播。尽管目前尚官方证明新冠病毒可通过气溶胶进行传播,但多注意一下,总没有坏处。

所谓的气溶胶传播指的悬浮在空气中的细微颗粒上可能会附着病毒。由于这些细微颗粒能像雾霾长时间悬浮在空气中。因而狭小、密闭的空间成了危险地带,而在空旷、人少的环境里气溶胶就会被稀释了。针对这一点很容易让我们想到专门应对“雾霾”的家用电器——空气净化器。那么空气净化器对新型冠状病毒疫情防护有没有帮助呢?2月10日,北京卫视《养生堂》节目邀请北京市疾病预防控制中心副主任贺雄主任,以及中国中华医学会感染病学分会主任委员、北京大学第一医院感染疾病科主任王贵强主任,解答了有关新型冠状病毒的问题,其中王贵强主任说,疫情期间,不能指望用空气净化器来灭活那些带毒的病菌,但可使用空气净化器降低室内空气中的小颗粒浓度,对保持室内的空气清新和流动是有帮助的。

接下来,小U带您大揭秘,看看空气净化器是如何抗击病毒等污染源的,这就要从空气净化器的一个核心部件——滤芯来说起了。
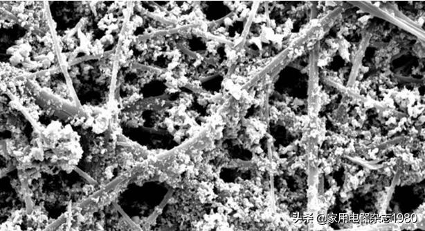
目前,市面上大部分空气化器采用的是滤网净化方式,其工作原理是内置风机将室内空气吸入机器,并通过内置的滤网将吸入的空气进行过滤,只要内置滤网的孔径小于微生物直径,并可将空气中的污染源过滤掉。市面上空气净化器用的滤网中,用的最多、最常见的就是HEPA滤网,也就是高效过滤器。它是目前国际上的公认的最好的高效过滤材料之一,一般是用聚丙烯或其他复合材料制成。最初被应用在精密实验室、医药生产、原子研究及外科手术等高洁净度场所。
HEPA滤网采用拦截作用、重力作用、气流以及范德华力的方式对污染物质进行过滤。像“雾霾”这样的细微颗粒物会在其重力的作用下,以较低的速度沉降在HEPA滤网上。

根据中国疾病预防控制中心病毒病预防控制所1月24日发布的信息指出,新型冠状病毒尺寸约为100纳米,与尺寸为80纳米-120纳米的H1N1病毒尺寸相近。可以附着在飞沫、唾液、灰尘等载体上进行传播,而飞沫的直径大于5微米,普通的医用外科口罩可以阻挡直径大于4微米的颗粒。这就是为什么口罩可以有效的阻隔飞沫,降低空气传播感染的几率,而成为最有效的个体防护方法之一。
按照欧盟标准,根据HEPA滤效率的高低,可将HEPA滤网进行细致的等级划分,能达到H12级别的HEPA滤网意味着对0.3微米颗粒过滤效率高于99.97%。如果空气净化器匹配了H12级以上并拥有抗菌涂层的高效HEPA滤网,就可以滤除直径与新型冠状病毒近似的H1N1流感病毒,因而从理论上也会对此次的新型冠状病毒起到一定的过滤效果。
空气净化器对新型冠状病毒有一定的过滤效果,净化空气,人多时可以防止交叉感染。这也使我们对空气净化器有了新的认识,它也不再仅是应对“雾霾”天气的家电产品。
消费者在选购空气净化器时,要购买满足国家标准,且尽量购买采用MERV16或H12级以上拥有抗菌功能的高效HEPA滤网的空气净化器。在使用过程中也要注意其摆放位置,如果条件允许的情况下最好摆放在房间的中心位置, 不要让其紧贴墙壁,保证机器进出风流畅无阻挡,以此提高室内空气循环。
最后,小U再次提醒各位,疫情期间,尽管空气净化器是有帮助的,但是长期宅在家里,也要记得每天定时开窗通风。