
形位公差一般包括和。任何零件都是由点、线、面构成的,点、线、面被称形为要素。加工后零件的实际要素相对于设计时的理想要素总有误差,包括形状误差和位置误差。形状上的差异就是形状公差,相互位置的差异就是位置公差,这些差异统称为形位公差。形位公差影响着机械产品的功能,设计时应规定相应的公差并按行业内规定的标准符号标注在图样上。

形状公差;是指单一要素形状允许的变动量,有形状、方向、大小和位置四个要素。形位公差就是和形状有关的要素。包括有;
1)直线度;实际直线相对理想直线的变动量。

一般实用贴切法测量,将被测要素与理想要素比较的原理来测量。将刀口看做理想要素,测量时将刀口尺与被测表面贴切,使两者之间的最大间隙为最小,最大间隙就是被测要素的直线度误差。
2)平面度;被测的零件的实际表面相对理想平面的变动量。

测量方法如果检测精密度不是特别高的话一般是将物料放置平台塞尺配合上检测,也可用平尺或刀口尺多次检测。如果检测精密度高的话用液平面法、平晶干涉法、打表测量。
3)圆度;用来限制实际圆相对理想圆变动量的指标。其是以公差值t为半径差的两同心圆之间的区域。

测量方法有三点法、两点法、投影法、三坐标法和回转轴法。
4)圆柱度; 指实际圆柱面要素对其理想圆柱面的变动量。指任一垂直截面最大尺寸与最小尺寸差为圆柱度。圆柱度误差包含了轴剖面和横剖面两个方面的误差。圆柱度的公差带是两同轴圆柱面间的区域,该两同轴圆柱面间的径向距离即为公差值 。

测量方法圆柱度是圆度和直线度的综合,顾圆柱度的测量和圆度相似,有两点法、三点法、三坐标检测
5)线轮廓度; 是限制实际曲线对理想曲线允许的变动量,它是对非圆曲线的形状精度要求。可分为由基准和没基准。
测量方法一般是制作样板进行比对。
6)面轮廓度;实际被测要素(轮廓面线要素)对理想轮廓面的允许变动量。

位置公差;位置公差是关联实际要素的位置对基准所允许的变动全量。位置公差可分为定向、定位和跳动
1) 平行度,定向公差;平面或者两直线平行的程度,指一平面相对于另一平面平行的误差最大允许值,其中一面被当做基准面。平行度可分为面对面、线对面和面对线三种情况。

2) 垂直度,定向公差;直线之间、平面之间或直线与平面之间的垂直状态。

3) 倾斜度,定向公差;线对线,面对面和线对面之间倾斜角度允许的变动量。公差标注数值时表示公差位于公差数值内的两个平面,且两平面是平行而且同基准的角度相同。公差标注带有半径符号加数值则表示直线在标注半径圆柱体内即为合格。

4) 同轴度,定位公差;用来控制理论基准轴线对被测轴线的变动量不同轴的程度,由于被测轴线对基准轴线的不同点可能在空间各个方向上出现所以公差带以圆柱体体现,公差值是圆柱体的直径。

5) 对称度,定位公差;制一个尺寸特征与另两个特征或一个尺寸特征均匀对中等距。对称度有卖你对面、线对面、线对线几种形式。

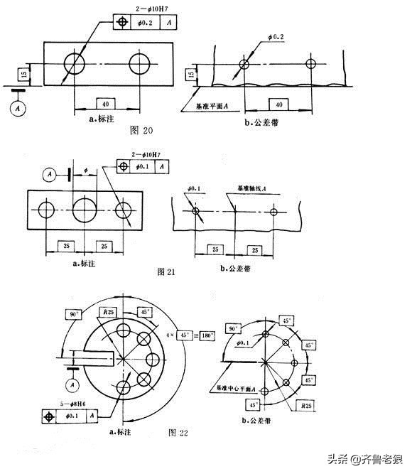
6) 位置度,定位公差;实际位置对理想位置变动量的指标。它的定位尺寸为图纸理想尺寸。位置度公差是评定实际位置的允许的变动量。
