应用场合:
1.若干执行机构同时动作,且流量不受负载影响的场合,执行机构位置需要较精确控制的场合;
2.需要节能场合。

注意事项:
1.负载敏感泵中的流量控制阀压差△P一般为20-30bar左右。此压差△P确保大于负载敏感阀压差△P1以及负载敏感阀进口到泵出口之间的管路压力损失△P2之和。

2.负载敏感泵出口压力P为各个执行机构中最大负载压力PL和负载敏感泵中的流量控制阀压差△P之和。

因此应该把各个执行机构中最大负载压力接近的若干个执行机构用同一款负载敏感阀控制,提高系统节能效果。避免负载差别比较大的几个执行机构用同一款负载敏感阀控制,所造成的某一个轻载执行机构浪费能源,同时造成该片负载敏感阀发热。因此,若有多个执行机构同时动作时,且负载相差比较大,建议用多泵系统。
3.箭头位置阻尼孔堵住,在车辆停止动作、多路阀中位后有可能造成泵出口压力无法泄压。

4.负载敏感多路阀和负载敏感泵配套使用时,泵输出待机压力高于正常待机压力(大约20bar左右),可能是负载敏感阀上的 LS口卸荷阻尼孔堵住,造成LS口憋压。

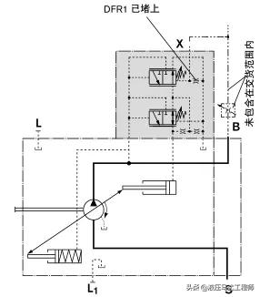
5.设计负载敏感系统时,LS口要能卸荷,确保负载敏感泵以泵上的流量控制阀所设定的压力(约14-25bar)待命工作。整体式负载敏感阀中位时LS口通常都能和T口通,如下图所示回路。

用户用插装阀(单向阀、流量阀、安全阀)组装负载敏感系统时,LS口需要设计出单独的卸荷回路。

如果LS上无卸荷回路,泵上边需要卸荷回路。例如A10VO、A4VSO中控制形式DFR有带阻尼孔卸荷回路,DFR1中阻尼孔用堵头替代。


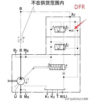
6.若负载敏感多路阀上有LS泄露油口,此LS泄露油孔含有大约0.8mm的阻尼,流量大约2L/min,如果泵选用DFR控制,会有一部分控制油流走,不会引起功能故障,但是建议负载敏感变量泵上选择上图中的DFR1控制。
7.定量泵系统中的负载敏感比例多路阀如何更改成变量泵系统中的负载敏感比例多路阀
7.1将差溢流阀中的弹簧去掉,换成垫片,卡死阀芯使其无法动作;
7.2.定差溢流阀结构如下图所示,将阻尼器换成堵头,使P口液压油无法进入右腔,无论P口压力、LS压力多大,阀芯始终无法换向。


8.定量泵+三通溢流阀+负载敏感阀系统,三通溢流阀压差△P通常为9-20bar,且三通溢流阀的压差△P大于负载敏感阀中负载最大换向联两端压差△P1。

9.如果LS管路中系统压降较大,那么到达负载敏感泵上LS压力就会降低,负载敏感泵上的流量控制阀压差一定(弹簧设定),泵P口压力会略有降低,有可能造成多路阀较大负载换向联压差不足,从而引起流量不够。因此设计时尽量减少LS管路压降。
10.负载敏感系统若干个执行机构同时动作,负载大的一联欠速或者停止动作原因
10.1.流量欠饱和;
10.2.LS溢流阀设定压力偏低,造成溢流;
10.3.负载敏感泵压力切断阀设定压力偏低,造成压力切断;
10.4.负载敏感泵出口到负载敏感阀进口之间管路压力损失较大,或者负载敏感阀LS口到负载敏感泵LS口之间管路压力损失较大,均有可能造成负载敏感阀两端的压差不够,造成若干个执行机构同时动作最大负载欠速或者停止动作。