交流发电机在汽车上的安装位置 :


汽车上装用两个电源:
蓄电池--辅助电源;
发电机--主要电源;
一、发电机功用
发动机只要怠速转速以上运转,发电机就必须向所有用电设备供电,并向蓄电池充电。

因为汽车上的用电设备越来越多,发电机的输出功率也就越来越大;
初始交流发电机:输出功率350W;
现代交流发电机输出功率:500W、750W、1000W、1250W、1500W……;
汽车用发电机可分为直流发电机和交流发电机,由于交流发电机在许多方面优于直流发电机,直流发电机已被淘汰,目前所有汽车均采用交流发电机。
二、发电机型式
交流发电机---三相同步
三相:三相绕组产生三相对称交流电动势;
幅值相等、频率相同、相位差1200 ;
同步:旋转磁场频率与电动势变化频率相同;
变交流为直流- - -硅二极管整流;
三、发电机发电原理 (电磁感应原理)




三相绕组产生三相对称交流电动势



-
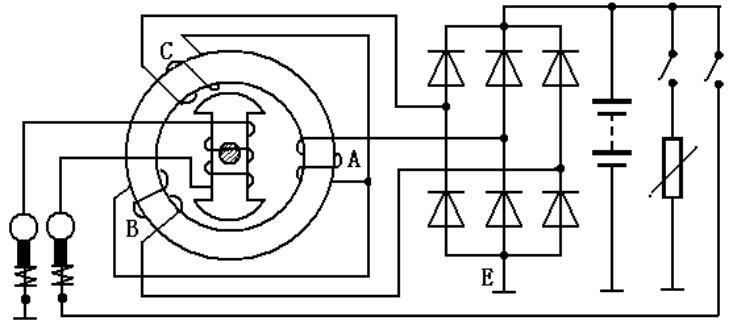
交流发电机构造


转子、定子、整流元件组、电刷及架、端盖

一、转子—磁场


爪极、 铁芯及磁场绕组、集电环及电刷
1、爪极
两块爪极
低碳钢冲压

每块六爪,充磁后形成相同的极性“N”或“S”;
两块爪极异*交性**错嵌合,形成6对磁极;
2、铁芯与磁场绕组

磁场绕组集中绕在铁芯上,两端从爪极孔穿出,分别焊在两个铜制集电环上。绕组匝数约540,阻值约2~6Ω。
3、集电环及电刷
两只铜制集电环,与轴绝缘,相互绝缘,安装在轴一端。
两只石墨电刷,靠弹簧张力压装在集电环上。

4、转子电路


二、定子—电枢
作用:
被磁力线所切割,产生三相对称正弦交流电。
组成:


1、铁芯
硅钢片冲压内缘36个缺口,叠成圆柱状形成36槽;
2、绕组
三相电枢绕组:
三相绕组独立绕制,按一定规律嵌放在定子铁心槽内。
绕组绕制原则:
(1)每相绕组串联的线圈组数= 转子磁极对数;
(2)每组线圈两条有效边位置应位于相邻的异性磁极下;(1--4)
(3)每相相邻绕组间的边间位置(1--4)
(4)三相绕组对应边间关系(电角度1200)[1-3-5]
三相绕组的连接:


提示:只有星行连接才有中性点“N”

提示:三角形连接无中性点“N”
三、整流器
1、整流二极管
结构型式1:
引线为“+”极,管壳为“-”极,称为“正极管”;

结构型式2:
引线为“-”极,管壳为“+”极,称为“负极管”。

2、整流二极管安装型式

焊装型、 压装型、组合型

说明2点:
a.正负整流板
安装“正极管”的散热板—正整流板
安装“负极管”的散热板—负整流板

b.共正极、共负极连接
3只二极管负极连接在一起,称为共负极连接;

3只二极管正极连接在一起,称为共正极连接;

四、前、后端盖

前、后端盖—铝合金(散热)
后端盖安装:电刷架、电刷及弹簧
后端盖上接线柱:
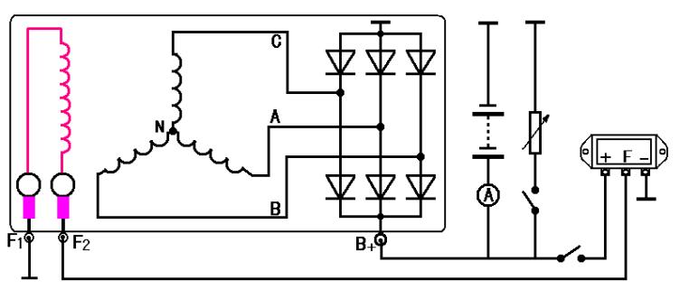
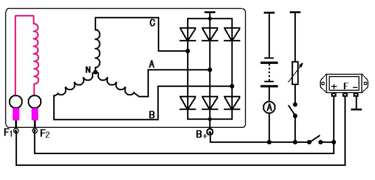
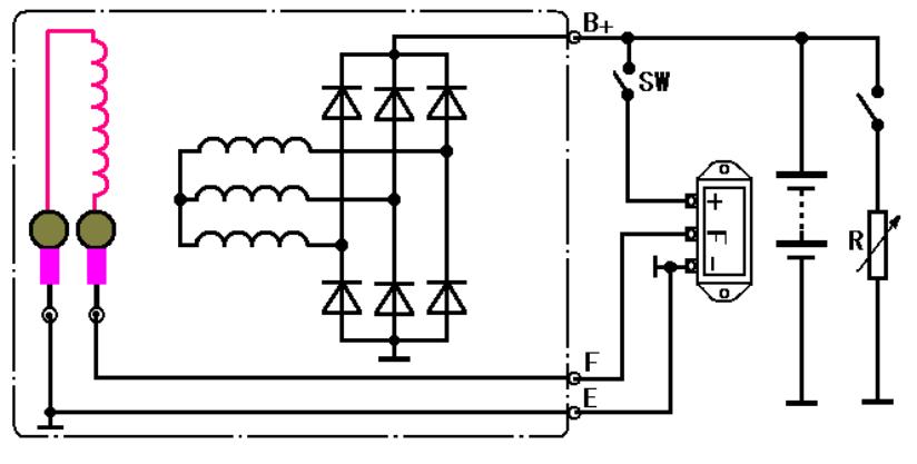
磁场接线柱:“F1”、 “F2”;
电枢接线柱:“B”、或“A”、 “B+”;
中性点接线柱:“N”;
提示:
搭铁接线柱:“E”;
内搭铁发电机“3”或“4”个接线柱;
外搭铁发电机“5”个接线柱;
五、散热及通风
a.小功率发电机、单风扇

b.大功率发电机、 双风扇

-
交流发电机工作原理
一、励磁方式
发电机电压低于蓄电池电压时,由蓄电池供给励磁电流—他励磁;(为什么?)
发电机电压高于蓄电池电压时,由发电机供给励磁电流—自励磁;
强调:
发电机励磁电路必须受点火开关控制。(为什么?)

二、发电机建立电压过程
打开点火开关,开始他励磁,励磁电流大,磁场增强。转子旋转,磁场切割定子绕组,产生感应电压且随转速升高而增大,当其电压高于蓄电池电压时,开始自励磁,磁场进一步增强,电压又升高,周而复始,三相绕组中便产生:
幅值相等、频率相同、相位差互为1200的三相对称电动势。
对于结构一定的发电机:U = E = C.Φ.n
三、整流原理
1、整流二极管导通原则

共负极连接组:正极电位最高的管子导通;
共正极连接组:负极电位最低的管子导通;
2.整流过程


将交流电变化的一个周期,分割成7个区间:
0~t1 、t1~t2、、、、、t6~t7
0~t1:C相电位最高—D4导通,B相电位最低—D3导通;
整流电路:C相—D4—R—搭铁—D3—B相
(其他时刻的整流过程,请自己分析)
3、整流二极管工作状况
在交流电变化的一个周期内同时导通的整流二极管有几只?

两只:
一只正极管;
一只负极管;
每只管子导通多长时间?
1/3周期
每只管子通过的电流为负载电流的1/3;
4、输出直流电压极性

共负极连接组输出为电源“+”极;
共正极连接组输入为电源“-”极;
该发电机为什么极搭铁?
-
交流发电机的工作特性
一、电枢反应
什么叫电枢反应?
电枢电流产生的磁场对磁极磁场的影响—电枢反应。

反应结果:
削弱磁极磁场;
使磁场扭曲,导致感应电动势波形畸变;


二、输出特性
1、定义
U=常数(12V电系为14V,24V电系为28V)并维持不变;
研究输出电流I与转速n之间关系。 即:I =f(n)
2、特性曲线及分析

(1)U=Ue=14V,
对应转速n=n1;
n1-确定传动比依据
(n1与蓄电池电压、磁极剩磁有关)
(2)当I=(2/3)Imax =Ie时,对应转速为n2;
Ie-额定电流
n2-满载转速
(3)n=nmax时, I=Imax , I不再随n↑和R↓而↑ ,具有自限流能力。
理由:
①定子绕组阻抗随转速的升高而增大;

②电枢反应的去磁作用,削弱了磁极磁场,电动势降低,电压降低。
-
其他不同型式交流发电机
一、内、外搭铁交流发电机 (依据磁场绕组搭铁端部位不同)
1、内搭铁—磁场绕组一端直接与外壳连接;

2.外搭铁—磁场绕组一端经调节器后搭铁;

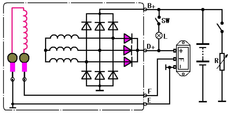
二、6管交流发电机

6只主整流二极管,组成三相桥式整流电路;
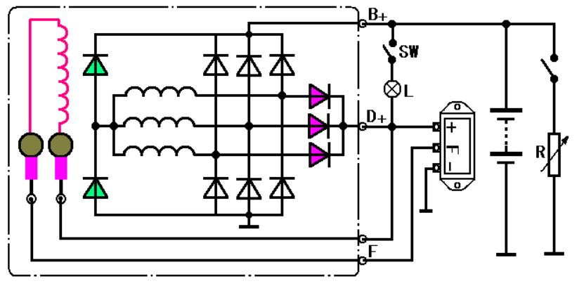
三、8管交流发电机

6只主整流二极管,组成三相桥式整流电路;
2只辅助整流二极管(中性点二极管),组成单相全波整流电路;
中性点二极管作用:

对于星行连接的定子绕组发电机,当其输出电流较大时,由于电枢反应的影响,将使其产生的电压波形畸变。
畸变波形可分解为:基本波和高次谐波
高次谐波中尤以三次谐波为最多。
因为三相绕组产生的三次谐波相位相同,相互抵消,在三相绕组中表现不出来。

但在中性点却以交流成分表现出来,其幅值将随转速的升高而增大(正向幅值高于14V,反向幅值低于0V)。

中性点二极管便可根据中性点交流成分的变化,实现补充整流,以提高高转速下的发电机输出功率(5%~10%)。

四、9管交流发电机

6只主整流二极管,组成三相桥式整流电路;
3只共负极连接整流二极管(励磁二极管);
励磁二极管作用: 供给励磁电流;控制充电指示灯;
五、11管交流发电机

兼有8管、9管交流发电机的结构和特点,不再赘述。
提问:励磁二极管与主整流中的哪三只二极管组成三相桥式整流电路?
六、无刷交流发电机

取消电刷和滑环,磁场绕组固定在转子空腔内不再旋转。异性磁极非导磁性材料焊接。

七、发电机型号

1、名称代号
JF -普通
JFZ-整体
JFW-无刷
JFB-带泵

2、电压等级
1-12V 、 2-24V
3、功率等级
(1)180W以下 (19A)
(2)180W~250W (20A ~ 29A)
(3) 250W ~350W (30A ~ 39A)
(4) 350W ~500W (50A ~ 59A)
(5) 500W ~750W (70A ~ 79A)
(6) 750W ~1000W (80A ~ 89A)
(7) 1000W以上 (90A以上)


发现现在很多家长对小孩从小培养的教育程度大大加深,不禁想到自古以来,统治者实行的*民政愚**策也是有点道理的,因为一个人自身掌握的力量足够强大时而没有与之相对应的文化涵养相支撑,很容易产生毁灭性的攻击*行为性**和灾难。就像近代以来走上资本主义道路的那些强国对其他弱小国家充满了侵略和掠夺,更何况社会上那么多的人都竭尽全力的想走上强者之路,一旦他们的素养、德行不足以匹配他们拥有的力量时,社会很容易就会出事,与其如此,执政者还不如让他们老老实实的做一个平庸者,保社会稳定与安宁也是一种保守的睿智手段。
林子大了,什么鸟都有。强者之路,不光要强其体魄,更要壮大自己的思想,毕竟外在的都是手段,丧失了就会露出本来面目,就像不同的地域表面上没有任何差别,但地下深处却隐藏着不同价值的东西,有的地方能开采出石油、天然气、煤、地下水等,这时就会出现差别,人也是如此,不要用外物来衡量而要看到他内在的本质,所以思想、修养、品德、气魄都很重要,不要被外在的世俗给蒙蔽住了双眼,而丧失了判断和是非的能力。好好读书,学习知识吧,它会带你到达人生一个全新的高度,只要你努力,就会领略、享受身体和精神上的双层感受。加油!