标准气缸型号规格选型的几个重要尺寸
标准气缸是应用最为广泛之一的气缸,常用的有亚德客型SC气缸,SI气缸,SU气缸;DNC费斯托FESTO气缸,SMC型MBB气缸,国产QGB系列等。
标准气缸的主要特点和优势,
1、气缸缸径分为32~320mm不等,气缸行程可达到2000mm。
2、气缸前后端盖均有缓冲调节功能,使气缸活塞运行两端平稳,无撞击感。
3、多种气缸安装附件可供选择,灵活多变。
如何进行标准气缸选型呢?首选确认缸径和行程

行程就是活塞杆伸出去和缩回来之间的误差距离,有些人会把气缸本身外露算行程,这都是错误的。缸径就是缸筒内壁的直径,一般量外径也是可以估算内径的大小,同等气压下,缸径越大出力越大。
国内常用的标准气缸其功能都是一样的,主要差别是外形安装尺寸以及型号;
这是一个标准气缸的基本外形图,确认气缸KB的安装距离和确认A+行程气缸总长距离,安装的附件不通需要确认的尺寸也不一样。

用法兰板安装需要确认的尺寸,前法兰安装需要确认:法兰到活塞杆红色线的距离和法兰板BD,BF的安装孔距。如果是后安装同理也只要保证法兰到气缸顶端的距离, 这个时候气缸本身的安装孔距就并不重要了。

用CACB附件安装确保DE孔的直径孔和中心点到气缸活塞顶端的距离,气缸的本身安装孔距就无关要紧。

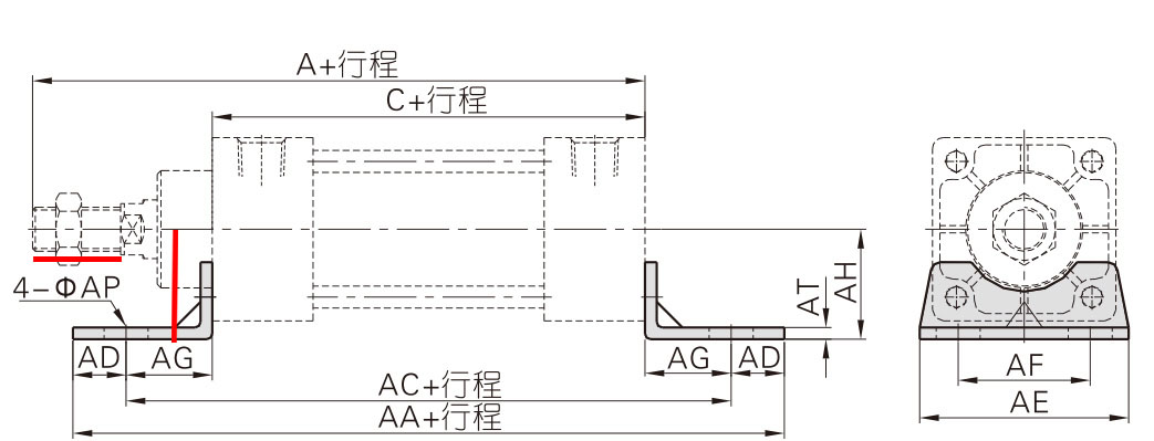
用LB脚坐安装需要确认AC+行程 安装孔距的距离。方便支架的安装,确认支架底部到活塞杆的中间距离和伸缩长度。

TC和TCM中摆附件支架安装保证TC中间轴到气缸的顶端的距离

。
标准气缸的附件是种类最多的,不同的附件能在各种工作环境下保证气缸的安装使用,能达到意想不到的效果。
