一.供电与接地
1.电压:
任何芯片以及电子原器件最基本工作条件之一就是需要供电,供电是给设备提供能源与动力,常见的名字一般为:AC_BAT_SYS/BAT/VCC/VDD/VCCP/VDDQ/VTT/B+/VIN/VCORE/+3VSUS/+5VSUS/+3VALWP/+5VALWP等等表示.

2.接地:
任何芯片以及电子原器件最基本工作条件,电路图中的地通常和电源的负极并联在一起,所有芯片都是负载如果要工作均会产生功率,产生电流的条件必修要接地,不接地产生不了电流当然也就没有功率.

二.信号:
其实现在大多数芯片都集成化了,所以数字电路在主板中应用非常广泛,电路中经常性提到高电平与低电平,高低电平是数字逻辑电路说法,低电平用0表示,高电平用1表示,电路中的高低电平需要根据电路来判断,不能限定在某个值,但是通常情况下0V都为低电平,3.3V都为高电平,这是工程定义的值,实际上有些特殊的芯片有可能高电平定义在2V以上做为高电平.
1.跳变信号.
高电平跳变为低电平,也叫下降沿
低电平跳变为高电平,也叫上升沿
高跳变为低再跳为高,也叫高-低-高脉冲


测量+1.5VS 与ALL_SYS_PWRGD电压时序

测量CPU_VRON 与PM_PWRGD电压时序

测量PWR_SW# 与 PM_PWRBTN#电压时序
2.时钟信号:
A.时钟信号CLK(CLOCK的缩写),就是数字电路工作基准,使各个相连的设备统一协调工作,时钟的基本单位是Hz(赫兹),在主板上有很多独立的时钟:
32.768KHz:南桥、PCH、EC等附近
14.318MHz :主时钟晶振,时钟IC旁,
24.576MHz :声卡
25MHz:网卡晶振
B.主板上有这么多独立的晶体,怎么没有CPU/PCI/AGP/PCIE/USB等外设时钟呢,这里跟大家说明一下,其实我们之前带南北桥的主板均会看到14.318MHZ主时钟晶振旁边就有一颗主时钟芯片,然后通过14.318MHz进行倍频然后分频后得到,只是现在芯片厂商把这颗芯片置入到芯片内部,主时钟芯片主要是给CPU及外设提供时钟的。


32.768KHz时钟信号

25MHz时钟信号

14.318MHz时钟信号

24.576MHz时钟信号

CPU 100MHz波形

PCI 33MHz波形
3.复位信号:
A.复位信号RST(RESET的缩写)意思是重新开始的信号,维修主板至关重要,如果此信号不正常均会导致无法开机或者开机无显示,刚开机时主板上电后会自动复位,是从低电平跳变为高电平例如下图,CH2探棒测出的图形,复位时均有一个缓慢的过程.

B.按下复位键,是从高电平向低电平中学变再回到高电平,如下图CH1探棒是复位时的波形,
一般有DEVICE设备均需要有复位信号,例如主板上一般标示为***RST#:PICRST#/CPURST#/IDERST#/PCI_RST#/PCIE_RST#等等.

C.常见的主板总复位信号,主复位信号从PCH发出,然后送到了与门电路,最终由与门pin4输出,然后再送到后级电路.

D.下图是CPU复位信号的产生,当PLT_RST#信号送过来之后有些厂家直接通过分压或者采用门电路进行转换后得到BUF_CPU_RST#给CPU复位.

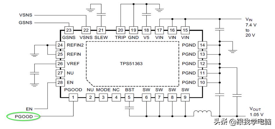
4.电源好信号:
电源好信号PG(powerGood缩写)是用来描述供电正常信号,一般为高电平有效,例如:CPU供电芯片只有在正常发出CPU电压后,才会发出PG信号出去告诉下级电路当前电路工作正常,PG信号在电源芯片中均有以下名称:PG/PWRGD/PWROK/POK/PWRG/VTTPWRGD/
CPU_PWRGD等等,如下图当所有电压均正常后主芯片才会发现PGOOD信号给下级电路.

5.开启信号:
开启信号,一般的芯片叫作EN(ENABLE的缩写)高电平时表示开启信号,也有的芯片叫作SHDN#即SHUTDOWN “#”表示低电平有效,意思就是低电平时关闭,要开启就是高电平.在这里强调一点理解信号带“#”时(低电平有效)一定要结合信号的英文全称去理解,有的信号带“#”它为低电平时主板可以正常工作,如下图如果要输出1.8V需要2个条件,一个就是输入电压要满足,另外一个就是EN信号要有,这样才能输出1.8V的电压.


备注:欢迎大家关注我的头条号:跟我学电脑,每天都会有新的知识提供大家学习,同时也希望大家多多转发,评论与点赞,你们的每一次转发都是给我最大的帮助,感恩你们!!!