电风扇是夏季传统小家电,历史悠久。近几年来,随着空调的普及,电风扇行业曾被普遍认为是“夕阳产业”。但市场成熟度颇高且能耗低的电风扇在国内仍然存在很大的市场。基于目前国际能源短缺,以及国内近年来电荒频频发生的情况,节能将是整个风扇行业一个不可忽视的发展方向。
而调速性能是风扇能效指标之一,如果调速性能不过关,那么节能就无从谈起。目前,风扇调速的方式有多种,常见的有抽头调速、电抗调速、电容调速及电子调速等,因此要取得较理想的调速效果及较高的节能效果,必须从调速原理及方式上入手。

电风扇作为家电产品中的“元老”,曾经和电视、冰箱一起并称家庭“三大件”,其工作原理是通过电动机带动扇叶高速转动,强制空气气体加速运动,改善人体与周围空气间的热量交换,因而从人体带走更多的热量,使人感到凉爽。电风扇的种类很多,按供电性质来分,有交流、直流和交直流两用电风扇;按使用方式来分有台扇、吊扇、落地扇、排风扇和冷风扇等。
随着人们生活水平的提高,空调渐渐普及,电风扇逐渐沦落到配角的地步。但其低价位、低能耗、多功能、移动方便及健康的特点将是推动风扇行业再次发展的重要因素,从目前的情况来看,风扇行业仍然存有相当的市场容量。
电风扇调速方式及原理
随着电能日渐紧张,低能耗家电成为我国家电的发展趋势。特别在夏季用电高峰期,大部分省市地区都要进行必要的拉闸限电,风扇就成为消费者首选。由于风扇能直接将电能转化为动能,耗电量非常低,最高功率仅60W,因此从节约能源的角度来说,风扇无疑是最佳的选择之一。
在冰箱、空调、洗衣机等大家电之后,国家今年1月开始着手制定小家电能效标准。《交流电风扇能效等级》将我国交流电风扇能效等级分为1级、2级和3级3个等级,其中1级能效最高,是目标值,目前只有不到5%的产品能够达到1级能效水平;2级为节能评价值,目前约20%的产品达到2级能效水平;3级为能效限定值,目前约65%的产品达到3级能效水平,而另有10%的产品将达不到3级能效限定值的要求而面临淘汰。新的能效标准出台后,必将会促使电风扇企业不断加强技术革新,寻找新的节能点。
电风扇的调速功能是电风扇的基本功能之一,也是节能的重要方式之一。电风扇的调速方法依其采用的电机而定。采用单相电容式电机和罩极式电机的电风扇采用抽头法、电抗法、电容法和电子法来调速。抽头调速、电抗调速和电容调速的基本原理都是通过改变绕组每伏匝数来调速即降低绕组电压从而减弱磁场强度来实现调速的。
抽头法用得较广泛,它的特点是耗电少,用料省,重量轻,但是绕线、嵌线、接线都比较复杂,使用范围受到一定的限制。抽头调速的电动机有主绕组、中间绕组和副绕组三种线圈。根据中间绕组的接线位置不同分为L型,T型,H型三种。台扇、壁扇、落地扇采用抽头调速方式的较多,然而随着原材料价格的波动,造成风扇电机的绕组匝数不足,影响了低档位绕组的每伏匝数,导致调速比达不到标准要求。
电抗器调速法通过串入不同感抗值的电抗器从而改变绕组每伏匝数来调速,它的特点是各挡速度调节容易,绕线简单,维修方便;缺点是不能随心所欲地调节。
电容调速法是通过改变加在副绕组的电压相角关系间接改变主副绕组的电压实现控制电机绕组产生转矩的大小达到调速的目的,其中主绕组是恒压,副绕组是变量。电容调速器成本较低、重量轻、电磁噪声小,但使用寿命短且低转速档难启动。吊扇及顶扇由于受安装位置限制,多数采用电抗或电容调速。
电子调速器是利用可控硅的半导体原理制作而成,它通过改变加到双向可控硅控制极触发脉冲的占空比,来实现控制双向可控硅的导通时间,进而实现控制电机绕组得电产生转矩的时间长短,来控制、改变风扇转速的。它的特点是风速的大小调节不受限制,无档次,可实现无极调速,但成本较高。
电风扇调速方式的比较
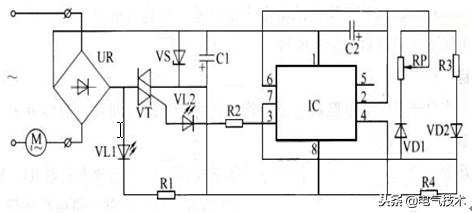
通过比较发现,电子调速方式相对其他调速方式具有无极调速且调速效果好的特点,是今后电风扇优先选择的调速方式,如图1所示。

图1 电子调速电路原理图
它由电源电路、无稳态多谐振荡器和控制执行电路组成。其中,电源电路由风扇电机、整流桥堆、发光二极管、限流电阻器、稳压二极管和滤波电容器组成;无稳态多谐振荡器由时基集成电路、电阻器、二极管、电位器和电容器组成;控制执行电路由晶闸管、发光二极管、整流桥堆和电阻器组成。
无稳态多谐振荡器振荡工作后,由晶闸管的导通状态控制风扇电动机的运转。通过调节电位器的阻值,可以改变脉冲占空比的大小(调节范围为1% ~99%),调节风扇电动机的运转速度,从而改变电风扇的风量大小。
同步转速为1500r/min的电风扇(吊扇除外)若采用抽头等传统的调速方式,其最高转速档的转速一般在1200r/min至1400r/min之间,最低转速档的转速一般在700r/min至1100r/min之间,即调速比一般在60%至80%范围内;吊扇的调速档位比其他风扇多,转速也较低,调速比一般在50%左右。
而采用电子调速方式调速的风扇,其理想调节范围为1%~99%,调速比可达1%,然而在较低转速启动时,由于启动电压低导致启动转矩小,因此风扇难以启动,因此风扇不宜在太低转速下启动。
另外,当风扇转速低于500r/min时,风速V及风压差ΔP急剧减小,根据风扇风量的计算公式可以看出风扇的输出风量将锐减,也就失去了节能的意义。因此,调速比的最优选择不应是单纯的减小低档位的转速,还应当考虑与其输出风量相关联的能效值。
结论
未来风扇行业的发展必然要走低能耗之路,而且必须在健康、节能以及性能方面进行不断取得突破才能与空调形成互补的市场局面。因此,研究电风扇的调速方式具有重要的现实意义,而电子调速方式在节能、功能以及健康方面无疑具有明显的技术优势以及广阔的市场前景。
(摘编自《电气技术》,原文标题为“电风扇调速方法的探讨”,作者为赵轶、胡国辉等。)