我们在酒店和饭馆吃饭的时候,除了纸质菜单点菜、微信点菜之外,还有服务员会拿着掌中宝和点菜宝等电子菜单让你点菜,这种菜单使用起来更为方便,对菜品也更为一目了然,今天我们就以安卓系统为例,简单聊聊点菜宝一类的软件开发原理。

图1 点菜宝产品例图
1 软件系统的物理构成
按照文章之前部分的分析结果能够看出,为了符合Android平台的无线点餐系统就必须能够满足两个不一样解决要求,首先是能够在一定程度上满足用户的点餐需求;另外一种是能够在得到服务人员的帮助下完成点餐需求。然而当前较为普遍使用的结构是C/S系统,也就是客户端服务器的系统,还有一种是B/S系统,也就是浏览服务系统。为了与Android平台无线点餐系统的优质特点能够做到相辅相成的目的,就要运用C/S与B/S的两种系统结合的特殊方式完成,在手机客户端运用C/S系统模式,在服务端就运用B/S的系统模式。次系统模式的屋里构造如图2所示

图2 无线点餐系统物理结构
由图2无线点餐系统物理结构可知,餐厅运用的是两种系统结合的服务器,其中一台称作是web,重要运用在后台运行无线电餐系统中。另外一台是数据库服务器,运用于储存系统中产生的数据。在客户端,客户通过Android无线点餐系统软件方位后台服务器,做出信息交换。加入在运用到数据时,那么后台的数据库服务就能够在一定程度上做出数据有关的服务。

图3 点菜客户端

图4 数据接收终端/固定点餐端口
2 系统数据流程图
设计的系统主要有两大部分组成,分别为服务器端和客户端,两部分具有的功能和权限也是不一样的,客户端主要实现点餐功能,服务器端主要实现信息和数据的管理。下面主要就服务器和客户端的主要流程进行分别阐述。
2.1 客户端数据流程
客户端的主要流程:
(1)用户输入登录名和密码进入系统界面,如果输入的登陆名和密码不正确,系统就会自动的恢复到初始登录界面,还会提示用户再一次的登录使用,直到用户账户与密码可以匹配上后方能成功登陆系统为止。
(2)登陆系统后,用户可以进行查台操作,查看餐厅是否有空余作为,如果有,用户便可以进行开台程序。
(3)在用户结束开台之后,就能够使用点菜服务功能了,使用点菜服务完之后,就会将信息传递给服务人员,最后做出有关的行为操作。
(4)当就餐结束之后,就能够付款了。
按照以上流程来就餐的模式,设计出流程图,如下图5:

图5 客户端数据流程图
2.2 服务器端数据流程图
服务器端的基本流程如下所示:
(1)当用户登录系统的用户名或密码错误时,系统界面一直停留在登录页面,并弹出错误提示,直至登录的用户名和密码都正确方可登录系统。
(2)当用户登录成功后,用户就能操作完成所有的信息管理行为,大概内容为餐桌信息、用户信息、详单信息以及菜单的相关信息。总得来说就是对所用功能的添加与删除改变操作。
本节以菜谱管理为例展示无线点餐系统服务器端的流程图,为了使流程图更加简便,流程图中省略了部分不是特别重要的意思,如图6所示。

图6 服务器端数据流程图
3 类图设计
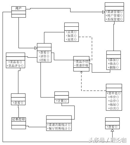
类图是在设计系统的过程中必须要使用的图,主要是可以把系统中的静态图内容有效的表达出来。类图不单单是表达系统图内容的图,更多的是可以把它们之间的作用特点相联系在一起,比如关联、聚合、组合、从属等关系。还有就是类的内在构造,大致是类的特点与方法。甚至类图能把接口集、类集与它们之间的联系表达出来。因为类图主要表达的是静态联系,因此,整个的系统运行中,它是符合有效的。类图是时序图、配置图、对象图、组建图、协作图的基本智商,运用了例图、活动图、状态图一些较为更深刻的表达系统的更多特点。因为在设计Android无线点菜系统的过程中,需要运用很多的类,因此就不讲它所有的方法总结出来了,我们根据它的特点将核心的方法总结出来并且说明,一下图7就是无线点餐系统的类图。

图7 无线点餐系统类图
根据以上的类图中,我们能够了解到,第一,整个系统中包含着很多的类,例如人员管理类、评价类以及选餐类针对系统用户的有效管理。第二,统计系统会按照有关的收费系统做出有关的行为操作。第三,系统用户类能够跟家不同的情况调节其他类的功能、完成操作。同时,在类中还包含很多的实体,比如属性中包含的菜单名、价格以及总价等,而在收费系统中只包含收费功能。
我们在此不对各个类的具体表现进行阐述,而各个类的实现,在下一期的内容中我们再详细的聊聊。
这类点餐宝简单实用,是对软件开发和产品包装的一次活学活用,通过灵活的对软件进行再包装,实现了新产品的更新和服务的升级。