扫描电镜是相当与对物体的照相 得到的是表面的 只是表面的 立体三维的图象因为扫描的原理是“感知”那些物提被电子束攻击后发出的此级电子而透射电竟就相当于普通显微镜 只是用波长更短的电子束替代了会发生衍射的可见光 从而实现了显微 是二维的图象 会看到表面的图象的同时也看到内层物质 就想我们拍的X光片似的 内脏骨骼什么的都重叠着显现出来总结就是透射虽然能看见内部但是不立体扫描立体但是不能看见内部 只局限与表面最后写论文的时候就用了扫描电镜的图,你说看主要做形貌,凡是需要看物质表面形貌的,都可以用扫描电镜,不过要要注意扫描电镜目前分辨率,看看能否达到实验要求。两种测试手段的适用情况凡是需要看物质表面形貌的,都可以用扫描电镜,不过最好的扫描电镜目前分辨率在0.5~1nm左右。如果需要进一步观察表面形貌,需要使用扫描探针显微镜SPM(AFM,STM).如果需要对物质内部晶体或者原子结构进行了解,需要使用TEM. 例如钢铁材料的晶格缺陷,细胞内部的组织变化。当然很多时候对于nm 材料的形搜索态也使用TEM观察。区别扫描电镜观察的是样品表面的形态,而透射电镜是观察样品结构形态的。一般情况下,透射电镜放大倍数更大,真空要求也更高。扫描电镜可以看比较“大”的样品,最大可以达到直径200mm以上,高度80mm左右,而透射电镜的样品只能放在直径3mm左右的铜网上进行观察。
一、分析信号
(1)扫描电镜
扫描电子显微镜的制造是依据电子与物质的相互作用。当一束高能的入射电子轰击物质表面时,被激发的区域将产生二次电子、俄歇电子、特征x射线和连续谱X射线、背散射电子、透射电子,以及在可见、紫外、红外光区域产生的电磁辐射。同时,也可产生电子-空穴对、晶格振动(声子)、电子振荡(等离子体)。原则上讲,利用电子和物质的相互作用,可以获取被测样品本身的各种物理、化学性质的信息,如形貌、组成、晶体结构、电子结构和内部电场或磁场等等。扫描电子显微镜正是根据上述不同信息产生的机理,采用不同的信息检测器,使选择检测得以实现。如对二次电子、背散射电子的采集,可得到有关物质微观形貌的信息;对X射线的采集,可得到物质化学成分的信息。
(2)透射电镜
根据德布罗意(De Broglie,20世纪法国科学家)提出的运动的微观粒子具有波粒二象性的观点,电子束流也具有波动性,而且电子波的波长比可见光要短得多(例如200千伏加速电压下电子波波长为0.00251纳米),显然,如果用电子束作光源制成的显微镜将具有比光学显微镜高得多的分辨能力。更重要的是,由于电子在电场中会受到电场力运动,以及运动的电子在磁场中会受到洛伦兹力的作用而发生偏转,这使得使用科学手段使电子束聚焦和成像成为可能。
二、结构
(1)扫描电镜
1.镜筒
镜筒包括电子枪、聚光镜、物镜及扫描系统。其作用是产生很细的电子束(直径约几个nm),并且使该电子束在样品表面扫描,同时激发出各种信号。
2.电子信号的收集与处理系统
在样品室中,扫描电子束与样品发生相互作用后产生多种信号,其中包括二次电子、背散射电子、X射线、吸收电子、俄歇(Auger)电子等。在上述信号中,最主要的是二次电子,它是被入射电子所激发出来的样品原子中的外层电子,产生于样品表面以下几nm至几十nm的区域,其产生率主要取决于样品的形貌和成分。通常所说的扫描电镜像指的就是二次电子像,它是研究样品表面形貌的最有用的电子信号。检测二次电子的检测器的探头是一个闪烁体,当电子打到闪烁体上时,就在其中产生光,这种光被光导管传送到光电倍增管,光信号即被转变成电流信号,再经前置放大及视频放大,电流信号转变成电压信号,最后被送到显像管的栅极。
3.电子信号的显示与记录系统
扫描电镜的图象显示在阴极射线管(显像管)上,并由照相机拍照记录。显像管有两个,一个用来观察,分辨率较低,是长余辉的管子;另一个用来照相记录,分辨率较高,是短余辉的管子。
4.真空系统及电源系统
扫描电镜的真空系统由机械泵与油扩散泵组成,其作用是使镜筒内达到10的真空度。
电源系统供给各部件所需的特定的电源。

测试咨询
(2)透射电镜
1.电子光学部分
整个电子光学部分完全置于镜筒之内,自上而下顺序排列着电子枪、聚光镜、样品室、 物镜、中间镜、投影镜、观察室、荧光屏、照相机构等装置。根据这些装置的功能不同又可将电子光学部分分为照明系统、样品室、成像系统及图像观察和记录系统。
(1)照明系统
照明系统由电子枪、聚光镜和相应的平移对中及倾斜调节装置组成。它的作用是为成像系统提供一束亮度高、相干性好的照明光源。为满足暗场成像的需要照明电子束可在2-3度范围内倾斜。
①电子枪
它由阴极、栅极和阳极构成。在真空中通电加热后使从阴极发射的电子获得较高的动能形成定向高速电子流。
②聚光镜
聚光镜的作用是会聚从电子枪发射出来的电子束,控制照明孔径角、电流密度和光斑尺寸。
(2)样品室
样品室中有样品杆、样品杯及样品台。
(3)成像系统
成像系统一般由物镜、中间镜和投影镜组成。物镜的分辨本领决定了电镜的分辨本领,中间镜和投影镜的作用是将来自物镜的图像进一步放大。
(4)图像观察与记录系统
该系统由荧光屏、照相机、数据显示等组成。
2.真空系统
真空系统由机械泵、油扩散泵、换向阀门、真空测量仪奉及真空管道组成。它的作用是排除镜筒内气体,使镜筒真空度至少要在 托以上。如果真空度低的话,电子与气体分子之间的碰撞引起散射而影响衬度,还会使电子栅极与阳极间高压电离导致极间放电,残余的气体还会腐蚀灯丝,污染样品。
3.供电控制系统
加速电压和透镜磁电流不稳定将会产生严重的色差及降低电镜的分辨本领,所以加速电压和透镜电流的稳定度是衡量电镜性能好坏的一个重要标准。
透射电镜的电路主要由高压直流电源、透镜励磁电源、偏转器线圈电源、电子枪灯丝加热电源,以及真空系统控制电路、真空泵电源、照相驱动装置及自动曝光电路等部分组成。另外,许多高性能的电镜上还装备有扫描附件、能谱议、电子能量损失谱等仪器 。
三、功能
(1)扫描电镜
1、扫描电镜追求固体物质高分辨的形貌,形态图像(二次电子探测器SEI)-形貌分析(表面几何形态,形状,尺寸)
2、显示化学成分的空间变化,基于化学成分的相鉴定---化学成分像分布,微区化学成分分析
1)用x射线能谱仪或波谱(EDS or WDS)采集特征X射线信号,生成与样品形貌相对应的,元素面分布图或者进行定点化学成分定性定量分析,相鉴定。2)利用背散射电子(BSE)基于平均原子序数(一般和相对密度相关)反差,生成化学成分相的分布图像;3)利用阴极荧光,基于某些痕量元素(如过渡金属元素,*土稀**元素等)受电子束激发的光强反差,生成的痕量元素分布图像。4)利用样品电流,基于平均原子序数反差,生成的化学成分相的分布图像,该图像与背散射电子图像亮暗相反。5)利用俄歇电子,对样品物质表面1nm表层进行化学元素分布的定性定理分析。
3、在半导体器件(IC)研究中的特殊应用:1)利用电子束感生电流EBIC进行成像,可以用来进行集成电路中pn结的定位和损伤研究2)利用样品电流成像,结果可显示电路中金属层的开、短路,因此电阻衬度像经常用来检查金属布线层、多晶连线层、金属到硅的测试图形和薄膜电阻的导电形式。3)利用二次电子电位反差像,反映了样品表面的电位,从它上面可以看出样品表面各处电位的高低及分布情况,特别是对于器件的隐开路或隐短路部位的确定尤为方便。
4、利用背散射电子衍射信号对样品物质进行晶体结构(原子在晶体中的排列方式),晶体取向分布分析,基于晶体结构的相鉴定。
(2)透射电镜
早期的透射电子显微镜功能主要是观察样品形貌,后来发展到可以通过电子衍射原位分析样品的晶体结构。具有能将形貌和晶体结构原位观察的两个功能是其它结构分析仪器(如光镜和X射线衍射仪)所不具备的。
透射电子显微镜增加附件后,其功能可以从原来的样品内部组织形貌观察(TEM)、原位的电子衍射分析(Diff),发展到还可以进行原位的成分分析(能谱仪EDS、特征能量损失谱EELS)、表面形貌观察(二次电子像SED、背散射电子像BED)和透射扫描像(STEM)。
结合样品台设计成高温台、低温台和拉伸台,透射电子显微镜还可以在加热状态、低温冷却状态和拉伸状态下观察样品动态的组织结构、成分的变化,使得透射电子显微镜的功能进一步的拓宽。
透射电子显微镜功能的拓宽意味着一台仪器在不更换样品的情况下可以进行多种分析,尤其是可以针对同一微区位置进行形貌、晶体结构、成分(价态)的全面分析。
四、衬度原理
(1)扫描电镜
1、质厚衬度
质厚衬度是非晶体样品衬度的主要来源。样品不同微区存在原子序数和厚度的差异形成的。来源于电子的非相干散射,Z越高,产生散射的比例越大;d增加,将发生更多的散射。不同微区Z和d的差异,使进入物镜光阑并聚焦于像平面的散射电子I有差别,形成像的衬度。Z较高、样品较厚区域在屏上显示为较暗区域。图像上的衬度变化反映了样品相应区域的原子序数和厚度的变化。质厚衬度受物镜光阑孔径和加速V的影响。选择大孔径(较多散射电子参与成像),图像亮度增加,散射与非散射区域间的衬度降低。选择低电压(较多电子散射到光阑孔径外),衬度提高,亮度降低。支持膜法和萃取复型,质厚衬度图像比较直观。
2、衍射衬度
衍射衬度是来源于晶体试样各部分满足布拉格反射条件不同和结构振幅的差异。例如电压一定时,入射束强度是一定的,假为L,衍射束强度为ID。在忽略吸收的情况下,透射束为L-ID。这样如果只让透射束通过物镜光阑成像,那么就会由于样品中各晶面或强衍射或弱衍射或不衍射,导致透射束相应强度的变化,从而在荧光屏上形成衬度。形成衬度的过程中,起决定作用的是晶体对电子束的衍射。
(2)透射电镜
晶体结构可以通过高分辨率透射电子显微镜来研究,这种技术也被称为相衬显微技术。当使用场发射电子源的时候,观测图像通过由电子与样品相互作用导致的电子波相位的差别重构得出。然而由于图像还依赖于射在屏幕上的电子的数量,对相衬图像的识别更加复杂。
非晶样品透射电子显微图象衬度是由于样品不同微区间存在的原子序数或厚度的差异而形成的,即质量厚度衬度(质量厚度定义为试样下表面单位面积以上柱体中的质量),也叫质厚衬度。质厚衬度适用于对复型膜试样电子图象作出解释。质量厚度数值较大的,对电子的吸收散射作用强,使电子散射到光栏以外的要多,对应较安的衬度。质量厚度数值小的,对应较亮的衬度。
五、对样品要求
(1)扫描电镜
SEM制样对样品的厚度没有特殊要求,可以采用切、磨、抛光或解理等方法将特定剖面呈现出来,从而转化为可以观察的表面。这样的表面如果直接观察,看到的只有表面加工损伤,一般要利用不同的化学溶液进行择优腐蚀,才能产生有利于观察的衬度。不过腐蚀会使样品失去原结构的部分真实情况,同时引入部分人为的干扰,对样品中厚度极小的薄层来说,造成的误差更大。
(2)透射电镜
由于TEM得到的显微图像的质量强烈依赖于样品的厚度,因此样品观测部位要非常的薄,例如存储器器件的TEM样品一般只能有10~100nm的厚度,这给TEM制样带来很大的难度。初学者在制样过程中用手工或者机械控制磨制的成品率不高,一旦过度削磨则使该样品报废。TEM制样的另一个问题是观测点的定位,一般的制样只能获得10mm量级的薄的观测范围,这在需要精确定位分析的时候,目标往往落在观测范围之外。目前比较理想的解决方法是通过聚焦离子束刻蚀(FIB)来进行精细加工。
电子显微镜
电子显微镜是根据电子光学原理,用电子束和电子透镜代替光束和光学透镜,使物质的细微结构在非常高的放大倍数下成像的仪器。电子显微镜的分辨能力以它所能分辨的相邻两点的最小间距来表示。20世纪70年代,透射式电子显微镜的分辨率约为0.3纳米(人眼的分辨本领约为0.1毫米)。现在电子显微镜最大放大倍率超过300万倍,而光学显微镜的最大放大倍率约为2000倍,所以通过电子显微镜就能直接观察到某些重金属的原子和晶体中排列整齐的原子点阵。1931年,德国的克诺尔和鲁斯卡,用冷阴极放电电子源和三个电子透镜改装了一台高压示波器,并获得了放大十几倍的图象,证实了电子显微镜放大成像的可能性。1932年,经过鲁斯卡的改进,电子显微镜的分辨能力达到了50纳米,约为当时光学显微镜分辨本领的十倍,于是电子显微镜开始受到人们的重视。
到了二十世纪40年代,美国的希尔用消像散器补偿电子透镜的旋转不对称性,使电子显微镜的分辨本领有了新的突破,逐步达到了现代水平。在中国,1958年研制成功透射式电子显微镜,其分辨本领为3纳米,1979年又制成分辨本领为0.3纳米的大型电子显微镜。
电子显微镜的分辨本领虽已远胜于光学显微镜,但电子显微镜因需在真空条件下工作,所以很难观察活的生物,而且电子束的照射也会使生物样品受到辐照损伤。其他的问题,如电子枪亮度和电子透镜质量的提高等问题也有待继续研究。
分辨能力是电子显微镜的重要指标,它与透过样品的电子束入射锥角和波长有关。可见光的波长约为300~700纳米,而电子束的波长与加速电压有关。当加速电压为50~100千伏时,电子束波长约为0.0053~0.0037纳米。由于电子束的波长远远小于可见光的波长,所以即使电子束的锥角仅为光学显微镜的1%,电子显微镜的分辨本领仍远远优于光学显微镜。
电子显微镜由镜筒、真空系统和电源柜三部分组成。镜筒主要有电子枪、电子透镜、样品架、荧光屏和照相机构等部件,这些部件通常是自上而下地装配成一个柱体;真空系统由机械真空泵、扩散泵和真空阀门等构成,并通过抽气管道与镜筒相联接;电源柜由高压发生器、励磁电流稳流器和各种调节控制单元组成。
电子透镜是电子显微镜镜筒中最重要的部件,它用一个对称于镜筒轴线的空间电场或磁场使电子轨迹向轴线弯曲形成聚焦,其作用与玻璃凸透镜使光束聚焦的作用相似,所以称为电子透镜。现代电子显微镜大多采用电磁透镜,由很稳定的直流励磁电流通过带极靴的线圈产生的强磁场使电子聚焦。
电子枪是由钨丝热阴极、栅极和阳极构成的部件。它能发射并形成速度均匀的电子束,所以加速电压的稳定度要求不低于万分之一。
电子显微镜按结构和用途可分为透射式电子显微镜、扫描式电子显微镜、反射式电子显微镜和发射式电子显微镜等。透射式电子显微镜常用于观察那些用普通显微镜所不能分辨的细微物质结构;扫描式电子显微镜主要用于观察固体表面的形貌,也能与 X射线衍射仪或电子能谱仪相结合,构成电子微探针,用于物质成分分析;发射式电子显微镜用于自发射电子表面的研究。
透射式电子显微镜因电子束穿透样品后,再用电子透镜成像放大而得名。它的光路与光学显微镜相仿。在这种电子显微镜中,图像细节的对比度是由样品的原子对电子束的散射形成的。样品较薄或密度较低的部分,电子束散射较少,这样就有较多的电子通过物镜光栏,参与成像,在图像中显得较亮。反之,样品中较厚或较密的部分,在图像中则显得较暗。如果样品太厚或过密,则像的对比度就会恶化,甚至会因吸收电子束的能量而被损伤或破坏。
透射式电子显微镜镜筒的顶部是电子枪,电子由钨丝热阴极发射出、通过第一,第二两个聚光镜使电子束聚焦。电子束通过样品后由物镜成像于中间镜上,再通过中间镜和投影镜逐级放大,成像于荧光屏或照相干版上。
中间镜主要通过对励磁电流的调节,放大倍数可从几十倍连续地变化到几十万倍;改变中间镜的焦距,即可在同一样品的微小部位上得到电子显微像和电子衍射图像。为了能研究较厚的金属切片样品,法国杜洛斯电子光学实验室研制出加速电压为3500千伏的超高压电子显微镜。
扫描式电子显微镜的电子束不穿过样品,仅在样品表面扫描激发出二次电子。放在样品旁的闪烁体接收这些二次电子,通过放大后调制显像管的电子束强度,从而改变显像管荧光屏上的亮度。显像管的偏转线圈与样品表面上的电子束保持同步扫描,这样显像管的荧光屏就显示出样品表面的形貌图像,这与工业电视机的工作原理相类似。
扫描式电子显微镜的分辨率主要决定于样品表面上电子束的直径。放大倍数是显像管上扫描幅度与样品上扫描幅度之比,可从几十倍连续地变化到几十万倍。扫描式电子显微镜不需要很薄的样品;图像有很强的立体感;能利用电子束与物质相互作用而产生的二次电子、吸收电子和 X射线等信息分析物质成分。
扫描式电子显微镜的电子枪和聚光镜与透射式电子显微镜的大致相同,但是为了使电子束更细,在聚光镜下又增加了物镜和消像散器,在物镜内部还装有两组互相垂直的扫描线圈。物镜下面的样品室内装有可以移动、转动和倾斜的样品台。
一、透射电子显微镜
1932年Ruska发明了以电子束为光源的透射电子显微镜(transmission electron microscope,TEM),电子束的波长要比可见光和紫外光短得多,并且电子束的波长与发射电子束的电压平方根成反比,也就是说电压越高波长越短。目前TEM的分辨力可达0.2nm。

金鉴实验室工程师正在透射电子显微镜前工作
透射电子显微镜与光学显微镜的成像原理基本一样,所不同的是前者用电子束作光源,用电磁场作透镜。另外,由于电子束的穿透力很弱,因此用于电镜的标本须制成厚度约50nm左右的超薄切片。这种切片需要用超薄切片机(ultramicrotome)制作。电子显微镜的放大倍数最高可达近百万倍、由电子照明系统、电磁透镜成像系统、真空系统、记录系统、电源系统等5部分构成。

放大后的产品图
二、扫描电子显微镜
扫描电子显微镜(scanning electron microscope,SEM)于20世纪60年代问世,用来观察标本的表面结构。其工作原理是用一束极细的电子束扫描样品,在样品表面激发出次级电子,次级电子的多少与电子束入射角有关,也就是说与样品的表面结构有关,次级电子由探测体收集,并在那里被闪烁器转变为光信号,再经光电倍增管和放大器转变为电信号来控制荧光屏上电子束的强度,显示出与电子束同步的扫描图像。图像为立体形象,反映了标本的表面结构。为了使标本表面发射出次级电子,标本在固定、脱水后,要喷涂上一层重金属微粒,重金属在电子束的轰击下发出次级电子信号。

放大后的产品图
目前扫描电镜的分辨力为6~10nm,人眼能够区别荧光屏上两个相距0.2mm的光点,则扫描电镜的最大有效放大倍率为0.2mm/10nm=20000X。
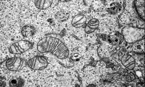
电镜观察的是样品的亚显微结构,在制备样品的过程的主要目的就是维持细胞的细微结构,透射电镜的样品要制备超薄切片包括:固定-脱水-浸透-包埋-切片等过程扫描电镜相对简单:原则上只要经过固定-二氧化碳干燥-镀金就可以观察
先以透射电镜为例,结合我自己的体会详细介绍一下: 1 样品缓冲液: 由于细胞本身的缓冲能力很小,在非缓冲的固定液中固定时,细胞会因逐渐酸化而产生损伤。为了防止这种损伤,一般都采用具有缓冲能力的固定液对组织进行固定。由于固定不同的组织对固定液所要求的PH值和渗透压不同,因此,根据不同组织的要求,可通过缓冲液调整固定液的PH值和渗透压.常用的缓冲液有磷酸缓冲液,醋酸一巴比妥缓冲液和二甲胂酸钠缓冲液。
2 样品的固定: 用化学固定剂或冰冻、干燥及高温等物理方法迅速杀死细胞过程叫固定.电镜生物样品的化学固定是化学固定剂与细胞成分,即蛋白质和脂类形成交联来保存细胞结构,把可动的动态系统转变成不可动的、稳定的胶体,并且这种胶体要在所有方面近可能地接近生活有机体的状态,而不会由于一系列的后继处理发生移位或丢失内部的结构物质。现在采用戊二醛与锇酸双重固定祛对生物材料进行固定的居多。因为醛类被认为能够与蛋白质形成交联,而戊二醛被认为是能够保存细微结构最好的醛类.锇酸是唯一能够固定脂类的固定剂.(锇酸剧毒,能够让人永久丧失嗅觉,配制的时候一定小心)。采用双重固定法使戊二醛与锇酸这两种固定剂相互取长补短,更好地发挥固定作用。
3 样品脱水: 固定后的组织要经过包埋剂的包埋、聚合形成能够进行超薄切片的硬块。由于包埋剂不溶于水,只有将细胞中的游离水彻底清除之后,非水溶性的包埋剂才能渗入细胞。因此固定后的样品必须进行彻底脱水。常用脱水剂有乙醇和*酮丙**。脱水剂的特点是即能和水相溶又能和包埋剂相溶。在脱水过程中,逐渐提高脱水剂的浓度可将细胞内的水分取代.脱水时候要主意梯度的提高一定要缓慢,猛烈的梯度变化会严重影响细胞结构。包埋剂建议选用Epon812树脂的包埋配方,应为这种树脂被认为在凝聚的时候发生的形变是最小的.Epon812 溶于*酮丙**,所以一般在脱水到80%乙醇的时候换为*酮丙**梯度继续脱水。
4:浸透包埋剂 (这一步与包埋是连在一起进行的):浸透是用包埋剂将组织内的脱水剂取代,包埋剂浸入细胞中,使细胞内外所有空间都被包埋剂充填。包埋剂为一种环氧树脂,其分子内有两种反应基团,即环氧基和羟基。环氧基位于分子末端,与一种叫催化剂的胺类化合物反应,环氧基打开,形成首尾相联的长链化合物。分子中的羟基与酸酐结合形成分子间的交联桥。因此,当树脂、胺类及酸酐三者混合并加温后,树脂分子发生三维聚合使包埋剂由单体聚合成高分子,并使样品包埋其中,形成具有一定硬度和韧性的包埋块,保存了细胞内的精细结构,有利于超薄切片的操作。这一步主要注意在配制包埋剂的时候要保持干燥,尽可能选天气湿度小的时候配制,包埋剂中一定不能混入气泡,配制完毕套上纸袋放入干燥器中备用.所用器皿应烘干,不能有任何水分;配药时每加入一样药品都要搅拌均匀;
5:切片 电镜的透射电子穿透能力很弱,因此大多数标本不能直接在电镜下观察。电镜的分辨能力不仅取决于显微镜本身,更主要是切片的厚度;要获得高质量的电镜照片,固定和包埋的样品必须用超薄切片机切成大约50一70nm厚的超薄切片。超薄切片要经过染色才能在电镜下显示清晰的结构。染色的目的是增强样品中各种结构之间的图像反差或选择性显示某些结构成分。生物样品超薄切片的染色为“电子染色”,即用重金属化合物与细胞结构物质结合,增加细胞结构物质的电子密度,以此增强对电子的散射能力,使图像呈现出明显的黑白对比。生物样品超薄切片的染色可分为常规的细胞学染色和细胞化学染色。常规细胞学染色,即醋酸双氧铀一柠檬酸铅双重染色法。醋酸双氧铀主要使细胞核及结缔组织染色,柠檬酸铅主要提高细胞质成分的反差。主要注意的是超薄切片机的操作:玻璃刀的制作;玻璃刀上水面的调节;以及铜网捞片.这些步骤最好能有经验丰富的试验员指导,否则超薄切片机易于损坏,操作也不易成功。
6:样品支撑膜的制作: 用光学显微镜观察各种生物材料时是将标本放在玻璃片上。在电子显微镜下,电子不能穿透玻璃,所以不能用玻璃片作为标卒的支持物。于是采用一种很薄的、电子可穿透的薄膜附着在金属网上做支持物。金属载网大多数是用铜制成的,所以也称铜网。根据不同需要,载网的网孔可制成大小不同的孔径,可分为100目、200目。支持膜可分有机膜和碳膜两种。有机膜又根据制膜材料可分聚乙烯醇缩甲醛膜(Formvar膜)和*棉火**胶(硝基纤维素)膜。(1)操作的关键是玻璃片一定要干净、光洁,否则膜不能从玻璃上剥落漂起;
(2)溶剂不能有水分和杂质,否则膜上会有许多斑点;
(3)漂浮膜时动作要轻巧,手不能发抖,否则膜将发皱:
(4)操作过程中要避风防尘
制好的支撑膜覆盖到铜网上,用很精密的镊子夹取铜网在玻璃刀的刀口附近的水面上捞取切片。
经过了这些步骤,切片基本就可以上透射电镜观察了.扫描电子显微镜样品制备:扫描电镜是依靠样品表面放出的二次电子量的不同来形成图像反差的,因此扫描电镜非常适合于观察样品的表面结构。由于生物样品含有大量的水分,样品进行观察时是在高真空内进行的,这样,生物样品在真空的作用下易失水而使细胞破坏,从而影响观察。因此,为了保证细胞结构的完整,必须在观察前将样品进行固定、脱水和干燥。又由于干燥后的样品表面电阻大,易积累电荷引起放电,从而影响图象质量。这样,干燥后的生物样品还要进行导电处理固定和脱水与透射电镜相同,脱水到100%乙醇或*酮丙**的时候,样品转入CO2临界点干燥仪,将样品干燥,干燥后的样片用两面胶贴到样品台上,放入离子溅射仪镀金,然后就可以观察了