转载:消防百事通

剩余电流式电气火灾监控探测器
在安装完剩余电流式电气火灾探测器开通调试时,经常出现漏电电流大而报警300mA~500mA之间可以适当调节一下报警阀值,实际上往往会出现因配电线路布设、接线等问题造成的探测器检测电流远远大于500mA而报警的问题。
一方面可能线路存在严重漏电,这就必须高度重视查找和消除隐患;
另一方面可能所监测电气线路已超出最大电流泄露值,需重新合理选择探测器监测位置;但多数原因是由于被检测线路穿过互感器时不规范导致主机报警,此时应尽快进行线路查看并纠正,消除误报警情况。
产生漏电的常见情况:
1、互感器零线方向穿反。
解决办法:检查零线,搞清楚出线方向,正确穿过互感器。

2、互感器用户侧负载零线由于破皮、绝缘老化、接头包裹不严等原因导致对地绝缘不良。

3、互感器用户侧零线重复接地;或零线、地线混用,造成人为漏电。

4、互感器用户侧零线有负载接到互感器前的相线,即保护区域以外的其他线路与用户侧“共零”。这种为了敷设方便的不规范线路安装非常常见。哪怕只是走廊或强电电井里的几个灯泡,就足以造成探测器报警(一个25W的灯泡产生的电流在200mA左右)。

5、同一配电箱内,不同路监测的电流互感器后线路串电(包括火线和零线)。

6、不同配电箱出线的零线跨区混用,不同配电箱出线的零线并接或通过其他途径间接搭接。

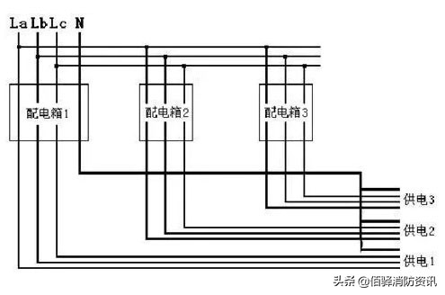
7、剩余电流探测器安装选点错误,如下图:只有总进线处及供电1、2、3 路可以装设漏电保护装置(并要确保它们后面都是各自独立的),其他位置都无法装设,包括所有三个配电箱。

扩展资料:
常见问题
1、配电柜未预留监控探测器和剩余电流互感器位置
有不少这样的情况:设计需要增补剩余电流报警,监控探测器和互感器的型号尚未最后确定,或未取得监控探测器和互感器的实物和准确尺寸数据,配电柜就先行投入装配。结果迟到的探测器和互感器没有合适的安装空间,造成配电柜返工。应先采购监控探测器和剩余电流互感器,至少要取得样品,合理规划好配电柜面板和内部布局,才进行配电柜的制作和装配。
2、监控探测器在配电柜内位置不当
监控探测器应安装在配电柜面板(或柜门)上。有不少配电柜的装配为了简便,把探测器装在柜内。当柜门关上后,声光报警都感觉不到了,保护在很大程度上就失去意义。如果一定要装在柜内,则必须保证探测器的报警灯光和声响不被屏蔽。
3、监控探测器电源取电点不当
探测器的工作电源应从断路器的进线端取出,即使断路器分断,探测器仍能工作。
探测器工作电源和取样的零线(N、No)如果取自剩余电流互感器的上游,则其相线也必须取自剩余电流互感器的上游。有时因配电柜内布局所限,也可以把剩余电流互感器安排在断路器的进线端,这时探测器工作电源和取样都应取自剩余电流互感器的下游。
电气火灾设备供应商对设备采购方的终极建议:
1、设备采购前,与电气火灾供应商沟通,根据图纸清点好数量,确定设备选型。
2、联系控制柜厂家,提供电气火灾监控探测器的尺寸便于控制柜厂家安装,控制柜厂家安装都比较专用和规范。
3、以上都互相沟通了,由控制柜厂家提出实际需求量——电气火灾设备供应商发货——控制柜厂家安装——现场布线调试,这样可大大减小现场施工难度。同时也避免了上面常见问题的出现。
图纸清点中的几个小经验,不一定都是对的,仅为个人见解,仅供参考:
1、根据图纸中IjS(A)电流,没有则通过开关大小选择与之匹配的剩余式互感器允许的最大电流,常见厂家最大通过电流值一般为:100A、250A、350A、630A、1250A,极少数能上2000A,一般来说以350A为界,低于的一般选择圆形的,线路多为线缆。高压350A的 多为铜牌,一般选用方形的剩余互感器。

2、单个柜子一般建议选用一体式的,如上图,模块和互感器集成为一体的那种,如果需要测温度,则选用带一路剩余电流和一路温度的。分体式的多为一个模块探测多路剩余电流或温度,常出现于低压配电柜中,如下图,由于柜子的特殊结构,故多采用分体式的,可灵活分布。一定要注意互感器的选项,避免互感器不能安装的问题。
