F6电器系统简介
BYDF6系列是一款传统的四门两盖三厢汽油机轿车,共搭载两款发动机,即BYD483QB发动机,配合东安的F5M41型变速箱,匹配联合电子的M7系列电喷系统;三菱的4G69S4M发动机,配合JATCO株式会社的F4A4B型手自一体式变速箱,匹配三菱电喷系统。
系统分类:
F6整车电器系统大致分为以下几个部分:
- 配电系统
- 起动、充电系统
- 多路总线控制系统
- 电喷系统
- ABS系统
- 安全气囊系统
- 音响系统
- 窗控、电动座椅控制系统
- 空调系统
- 倒车雷达系统
- 室外、室内灯系统
- 雨刮、洗涤、电动外后视镜、点烟器、喇叭报警等辅助系统
其中,与F3相比F6最大的一个特点就是新增了多路集成控制系统(MICS),下面就多路集成控制系统作一个简要说明。
B—CAN上的ECU采用结构化信息的形式发送和接收数据,网络上的多个不同ECU均可同时接收到,这些信息是通过双线构成的通信回路(CAN_H与CAN_L)进行发送和接收的,这条双线由回路上的所有ECU共享。B—CAN网络上的前大灯和刮水器回路增设了一个备用回路,以防网络线路或ECU故障影响系统的运行。

一个ECU(ECU监视一个输入)通过通信回路发送信息,使用该信息(与输入有关的数据)的ECU均为接收者,例如,组合开关控制装置监视着刮水器开关,当刮水器开关被置于低速位置时,组合开关控制装置会将此信息发送至通信回路,继电器控制模块接收该信息,为继电器提供搭铁,以接通刮水器电路。


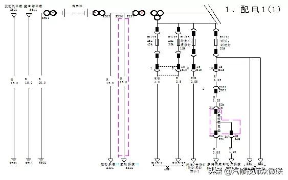
F6主要电器系统分布位置



保险丝编号
安培
被保护组件或电路
1
10A
右前大灯(远光)
2
10A
左前大灯(远光)
3
10A
左前大灯(近光)
4
10A
右前大灯(近光)
5
30A
电动雨刮系统
6
15A
烟灰盒照明灯、音响-HVAC-显示模块照明灯、自动变速箱档位控制台照明灯、前侧标记灯、杂物箱照明灯、危险报警开关照明灯、脚部照明灯、牌照灯、天窗开关照明灯、继电器控制模块、座椅加热器开关照明灯、尾灯
7
7.5A
继电器控制模块
8
20A
前雾灯
9
15A
ECM电源、A/T 控制继电器电源
10
30A
冷凝器风扇电机(低速)、散热器风扇电机(低速与高速)
11
20A
冷凝器风扇电机(高速)
12
7.5A
A/C压缩机离合器(通过A/C压缩机离合器的继电器)
13
15A
转向信号/危险警告继电器
14
20A
制动灯、高位制动灯、点火钥匙照明灯、多路集成控制装置(MICU)
喇叭、报警器继电器(通过继电器模块)
15
40A
后窗除雾器(通过后窗除雾器继电器)
16
40A
点烟器、车载备用电源、门锁电机、后雾灯、室内照明灯、音响系统、各CAN模块电源
17
25A
ABS调制器一控制装置
18
40A
电喷系统
19
40A
ABS调制器一控制装置(RFP MOTOR)
20
40A
电动座椅调节系统、座椅加热系统
21
40A
鼓风机电机(通过鼓风机电机继电器)
22_1
100A
蓄电池、配电
22_2
100A
预留
23_1
50A
电动车窗系统
23_2
50A
点火开关(BAT)


保险丝编号
安培数
被保护组件或电路
1
20A
车门锁、行李箱锁电机电源
2
7.5A
门灯、环境照明灯、车顶灯、地图灯、行李箱灯、梳妆镜灯
3
10A
组合仪表控制模块、组合开关控制装置、车门多路控制器、多路集成控制(MICU)装置
4
10A
音响系统电源
5
15A
点烟器、车载备用电源
6
7.5A
后雾灯继电器
7
20A
座椅加热器和座椅加热器开关指示灯
8
20A
驾驶员电动座椅倾角调整电机和后部上下调整电机(8向可调)
9
20A
前乘客电动座椅前后滑动电机
10
20A
驾驶员电动座椅前后滑动电机和前部上下调整电机(8向可调)
11
20A
前乘客电动座椅倾角调整电机
12
….
备用
13
….
备用
14
10A
座椅加热继电器线圈电源、电动后视镜、空调控制器电源
15
20A
天窗电机、天窗开启/关闭继电器
16
20A
驾驶员侧玻璃升降器电机
17
20A
前乘客侧玻璃升降器电机
18
20A
左后门玻璃升降器电机
19
20A
右后门玻璃升降器电机
20
7.5A
点烟器、车载备用电源继电器、音响装置、内后视镜方向显示
21
…..
备用
22
…..
备用
23
30A
发动机ECU、喷油器、凸轮轴位置传感器、真空电磁阀、氧传感器、碳罐控制阀
24
15A
诊断仪电源、油泵电机
25
15A
ETV继电器
26
15A
发动机ECU
27
…..
28
15A
4G69 ECU二档电、ABS控制器二档电、继电器控制模块
29
….
备用
30
7.5A
雨量传感器、雨刮继电器
31
7.5A
组合仪表、组合开关、车门多路控制器、继电器控制模块、倒车雷达ECU、多路控制装置的IG1电源
32
15A
安全气囊控制模块
33
….
备用



EG线束分布框图
- 发动机机仓单元

- 驾驶室部分

- 行李箱部分

配电系统 配电系统包括蓄电池、发电机、前舱配电盒、仪表板配电盒、点火开关、线束等。












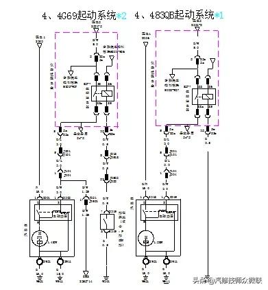
起动、充电系统 包括起动机、发电机、蓄电池、线束等。


电喷系统
483发动机匹配的是UAES的电喷,4G69发动机匹配的是三菱的电喷系统。
- 电控汽油喷射系统均有一个电控单元(ECU),它是系统的核心控制元件。ECU一方面接收来自传感器的信号;另一方面完成对信息的处理工作,同时发出相应的控制指令来控制执行元件的正确动作。ECU接收的信息主要有发动机转速、空气流量、节气门位置、进气温度、冷却液温度、曲轴位置、负荷和氧传感器信息等。
- 传感器是电控汽油喷射系统的“触角”,是感知信息的部件,它负责向电控单元提供汽车的运行状况和发动机的工况。传感器主要有空气流量传感器(空气流量计)、节气门位置传感器(节气门开关)、氧传感器(测定空燃比)、爆震传感器、曲轴转角传感器、发动机转速传感器及各种温度传感器等。
- 执行器负责执行电控单元发出的各项指令,执行器主要有喷油器、怠速步进电动机、电动汽油泵、继电器和点火线圈等
ABS系统
ABS系统包括轮速传感器、ABS ECU、液压控制阀等。


SRS( Supplemental Restraint System)系统
SRS系统包括由碰撞传感器、安全传感器、ECU及气囊组件(DAB、PAB、SAB、CAB)组成。
F6只有旗舰款有侧气囊,其余车型均只有PAB和DAB。
- 当汽车发生碰撞时,碰撞传感器利用碰撞时产生的惯性力感知碰撞强度。当碰撞强度超过其规定值时,碰撞传感器接通引爆管的工作电路,引爆管燃烧,引燃安全气囊内部的气体发生剂,气体发生剂剧烈燃烧,瞬问释放出大星气体,气体充入气囊,使气囊膨胀。
- 在乘员压向气囊的同时,气囊吸收乘员的冲击能星并开始变瘪。如此,缓冲了乘员的冲击,避免了硬碰撞,保护了乘员。如果膨胀的气囊在受乘员压迫时不泄气,就将乘员反弹回去,形成第2次碰撞,造成伤害。
- 气囊从开始膨胀到受压泄气变瘪的时问很短,约为0.1ms。只有如此快速的动作才能保护乘员。安全气囊的工作过程下图所示。

简要介绍CAN
CAN是CONTROLLERAREA NETWORK(控制单元区域网络)的缩写,这就意味着将各个控制单元之间网络化并可进行数据交流。这又是计算机网络系统在现代汽车上的应用,利用CAN数据总线将各个控制单元连接起来,形成了车载网络系统。
CAN是由德国BOSCH公司于1986年提出并推广应用的,按照ISO的有关部门规定,CAN拓扑结构为总线式,所以也称CAN总线。最初为CAN总线1.0版,1990年推出CAN总线1.2修订版,1991年推出CAN总线2.0版。目前,CAN总线不但已经成为汽车总线的主要互连规范,而且被公认为最有前途的几种工业现场总线之一,已由ISO TC22技术委员会批准为国际标准,是唯一被批准为国际标准的现场总线。1993年国际CAN用户及制造商组织(简称CIA)在欧洲成立,主要作用是解决CAN总线实际应用中的问题,提供CAN产品及其开发工具,推广CAN总线的应用。
组 成
控制器:CAN控制器是接收控制单元中的微电脑传来的数据,对这些数据进行处理并将其传往CAN收发器。
收发器:它将CAN控制器传来的数据转化为电信号将其送入数据传输线。它也为CAN控制器接收和转发数据。
数据传输线:它是双向的,对数据进行传输。两条线分别被称为CAN高线和CAN低线。数据传输线为了防止外界电磁波的干扰和向外辐射,CAN总线采用两条线缠绕在一起。这两条线的电位相反,如果一条是5V,另一条就是0V,始终保持电压总和为一常数。通过这种办法,CAN数据总线得到了保护而免受外界的电磁场干扰,同时CAN数据总线向外辐射也保特中性,即无辐射。

传输原理

- 提供数据: 控制单元向CAN控制器提供数据用于传输。
- 发出数据: CAN收发器从CAN控制器处接收数据,将其转化为电信号发出。这些数据以数据列的形式进行传输,数据列是由一长串二进制(高电平与低电平)数字组成(像0110100100111011)。
- 接收数据:所有与CAN数据总线一起构成网络的控制单元成为接收器。
- 检验数据: 控制单元对接收到的数据进行检测,看是否是其功能所需。
- 认可数据: 如果所接收的数据是重要的,它将被认可及处理,反之将其忽略。
F6电器常见故障及排除方法
现象1:
483车点火正常;次日再试,2档电仪表盘不亮,音响不能工作,不能点火。
原因:点火开关接插件未插好。
步骤:
1,检查主保险是否烧断?没有。
2,检查配电盒相关保险丝的通断?导通正常。
3,检查点火开关接插件是否插好?没有插好。
4,插好点火开关接插件,点火成功。
现象2:
483车怠速过高且不稳定,怠速过程中有急加速现象。
原因:节气门位置传感器1,2脚接反。
步骤:
1、分析怠速控制原理,初步分析节气门位置传感器信号不正确,分析联电原理图,极有可能1、2脚接反,导致节气门位置传感器在怠速情况下向ECU提供了加速信号。

2、接冷却液温度传感器;2,5V电源;3,节气门位置信号
3、将1、2两脚互换后,怠速稳定正常。
现象3 :
483发动机车充电指示灯不能正常指示,始终不亮。
原因:发电机励磁电未接。
步骤:
1、分析充电指示原理:发电机励磁电接组合仪表指示灯一端,指示灯另一端接电源。蓄电池供电状态下,励磁电发电机端拉低,灯亮;充电状态下,励磁电发电机端拉高,指示灯熄灭。
2、检查指示灯电源端是否为电源电压?是。
3、检查发电机励磁电与对应仪表指示端是否导通?不导通。
4、检查该通路是否连接,发现励磁电端未接上。
5、将励磁电接上,充电指示灯工作正常。
现象4:
压缩机继电器不能吸合,鼓风机正常工作,控制脚一直是高电平(12V),不符合系统控制逻辑的要求。
步骤:
1、分析充电指示原理:发电机励磁电接组合仪表指示灯一端,指示灯另一端接电源。蓄电池供电状态下,励磁电发电机端拉低,灯亮;充电状态下,励磁电发电机端拉高,指示灯熄灭。
2、检查指示灯电源端是否为电源电压?是。
3、检查发电机励磁电与对应仪表指示端是否导通?不导通。
4、检查该通路是否连接,发现励磁电端未接上。
5、将励磁电接上,充电指示灯工作正常。
现象5 :
4G69发动机无怠速,但踩油门可正常打火,转速亦可提升。
排除步骤:
1、检查节气门体总成,从另一发动机上拆卸新的节气门体总成替换,问题依然。
2、检查节气门体总成上各线路接通情况,确认接触良好,无虚接现象。
3、检查EGR阀接插件,拔出后仔细查看各针脚插接情况,发现4脚和6脚接反,调换后发动机正常。
原因:EGR阀接插件4脚和6脚接反。
现象6 :
4G69发动机有怠速,但无油门,转速不能提升。
排除步骤:
1、怀疑油门拉索部分连接不好,调整好问题依然。
2、检查换档机构部分通往ECM的线路,确认通断正常,接触良好,无虚接现象。
3、检查加速度传感器(APS)部分线路通断情况,确认通断正常,接触良好,无虚接现象。
更换APS,发现APS故障,换用新的APS,发动机正常。
原因:APS故障。
现象7 :
4G69发动机换档时整车冲击剧烈,发动机故障灯亮起,起步慢,感觉发动机无力等。
排除步骤:


1、按上图导通情况检查档位开关及线束接插件接触情况确认密封性良好,端子无锈蚀。
2、确认档位开关上D档、R档(即6、10脚)没有同时通电。
3、拔出仪表板配电盒上AT继电器,查看在二档电情况下,确认继电器座的86、88两脚是否有12V电,继电器有无损坏,查看继电器85、88a相关电路导通情况 。
4、确认发动机ECU旁边的搭铁点是否接触良。
5、若以上检查后确认均无问题,更换发动机ECU。