
希望大家能够记住这个电路,就像电机的起保停控制电路一样。因为,这个电路太基础,也太经典了,这是电子电路的一个基础电路,今天讨论的只是这个电路中的一部分。
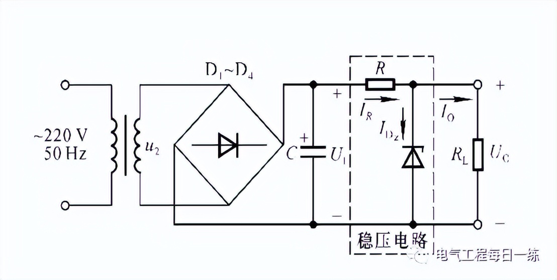
单相交流220伏进入,经过单相变压器,进入单相全波整流电路,输出脉动直流,后经过电容滤波,输出较为稳定的直流,再到后面就是稳压电路了,而实现稳压的就是这个很特殊的管件:稳压管。
为什么说这个管件特殊哪?因为,稳压管本身就是一个二极管,通常,二极管都是正向导通,反向截止,单向导通性,不过,加在二极管上的反向电压如果超过二极管的承受能力,二极管就要击穿损毁,但稳压管就属于二极管中的特例,在反向击穿区,当反向电压加到一定程度时,虽然管子呈现击穿状态,通过较大电流,却不损毁,并且这种现象的重复性很好,只要管子处在击穿状态,尽管流过管子的电在变化很大,而管子两端的电压却变化极小,起到稳压作用。所以,在电子电路中,稳压管被称为“打不死的小强”!如图:看看稳压管的伏安特性曲线,就明白了!

所以,稳压管是工作在反向截止区,这在画图、识图或是装配的时候一定要注意。如下图:

首先要注意新旧符号的不同,再要注意极性的标注,在这个符号当中,是上负下正,同时,也要注意它在电路图中的应用。
稳压管在各种电子电路中应用广泛,尤其是电源电路,所以,如何判断它及它的好坏是非常必要的。
从外形上看,金属封装稳压二极管管体的正极一端为平面形,负极一端为半圆面形。塑封稳压二极管管体上印有彩色标记的一端为负极,另一端为正极。
对标志不清楚的稳压二极管,也可以用万用表判别其极性,测量的方法与普通二极管相同,用数字万用表R档,将两表笔分别接稳压二极管的两个电极,测出一个结果后,再对调两表笔进行测量。在两次测量结果中,阻值较小那一次,黑表笔接的是稳压二极管的负极,红表笔接的是稳压二极管的正极。
了解了上面那个基本电路还有稳压管的特点,日常用直流电源、充电器、适配器出现异常,基本就可以做出判断了。
该内容是小编转载自 网络 , 仅供学习交流使用,如有侵权,请联系删除。如果你还想了解更多关于电子元器件的相关知识及电子元器件行业实时市场信息,敬请关注微信公众号 【上海衡丽贸易有限公司】