什么是光控开关
光控开关/光控时控器采用先进的嵌入式微型计算机控制技术,融光控功能和普通时控器两大功能为一体的多功能高级时控器(时控开关),根据节能需要可以将光控探头(功能)与时控功能同时启用,将达到最佳节能效果。是路灯、景观灯、广告灯箱、霓虹灯等设备的最佳节能控制装置;可广泛应用于街道、铁路、车站、航道、学校及供电部门等一切需要时间控制的应用场所。现在国内主要的品牌有灯联网、艾贝斯等,代表型号有ET101.1、ET102.1等。
光控开关功能和用途
本系列智能光控开关,可以根据用户设定的时间(光照度门限)值,自由控制用电器的电源开关。广泛用于路灯、霓虹灯、广告灯等需要按时间控制电源开关的用电设备。
用户可以根据需求设定四组开关灯时间,可以实现多时段开关灯。
用户也可以利用光控探头采集当地光照度,实现根据光照度开关灯。
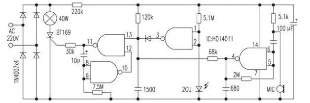
四款光控开关电路图 电路图一:
光控开关在室内5~6 米范围内,可用手电光进行遥控,可以很方便地开启或关闭家用电器。

工作原理:
电路如图192 所示。由三极管VT1、光电二极管等组成光接收电路。每接收到光照一次,就使由三极管VT2、VT3组成的双稳态电路发生翻转,通过三极管VT4 去驱动继电器K 工作,以控制家用电器的电源开关。
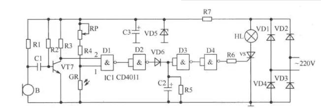
电路图二:
声光控节能灯座节电效果显著,采用该灯座白天灯不亮,夜间有声音灯即亮 该灯座电路简洁,声控部分采用了驻极体话筒,电路见附图所示

220V电源经桥式整流 220kΩ电阻降压 100μF电容滤波后得到5V电压供给数字集成电路HD14011工作 白天有光照时,光电二极管2CU呈低阻状态,IC的{1} {2}脚为低电位,{3}脚为高电位,白天不论有无声音,即不论{4}脚电位如何,{13}脚始终钳位于高电位,{12}脚也为高电位 因此{11}脚为低电位,可控硅截止,灯泡不亮 夜晚无光照时,U呈高阻状态,{3}脚为低电位,这时若有人发出声响,驻极体话筒拾取信号,经{5} {6}脚输入到放大器放大后由臆脚输出 当{4}脚为低时,{13}脚也为低,{11}脚为高,触发可控硅BT169导通,灯泡点亮 同时10μF电容充电,充电之初{8} {9}脚为高电位,使{12}脚为低电位 声音过后,{13}脚恢复高电位,但由于{12}脚为低电位,所以{11}脚继续保持高电位,灯继续点亮 10μF电容继续充电 几十秒钟后,{8} {9}脚为低电位,{11}脚也翻转为低电位,可控硅截止,灯灭。
下图:VD1-VD4是IN4007,VD5是2CW56(8V),VD6是4148,VT7是9013,VS是MCR100-8;R1是22k,R2是22m, R3是33k,R4是47k,R5是1.5m,R6是5.1欧,R7是240k(全部是1/8碳膜电阻);C1是瓷介电容104(0.1uf),C2是电解电容22uf/16v,C3是100uf/16v;MIC(B) 是CRZ-113F驻极体电容话筒;GR是光敏电阻MG45;IC是CD4011。

电路图三:

这种制作简单、成本低廉的光控开关使用时串接于白炽灯照明电路内,如图所示。常态下,交流电通过白炽灯、VD4~ VD7整流桥、电阻R9组成的分压电路及VD3、C4组成的稳压电路形成回路,回路电流小于0.9mA,功耗小于0.2W,照明灯不亮。当声敏元件接收到声波后,声波信号转化为电信号,经IC1a、IC1b两级放大,再经耦合电容C1去除低频振动产生的干扰信号。当环境光较强时,该信号由光敏二极管VD1旁路,不向后级输出;当环境光较弱时,VD1开路,前级输出的声波信号由IC1C及1C1d放大,VD2、C2、R4组成整流滤波电路,将IC1d输出的音频信号(经VD2单向快速向C2充电)整流成直流信号,同时C2、R4兼有延时作用,延时时间为RC=22s。
当IC1d输出的声波信号为较短暂的干扰信号时,C2输出端电平由低到高的跳变时间要比R5、C3组成的延时回路的电平跳变时间短,这时C2的输出信号不能影响C3输出电平变化,干扰信号被屏蔽; 当声波信号正常时,C2输出的电平信号经由R5、C3、 IC1f、R8,延时接通SCR,白炽灯点亮,该最终输出信号同时通过R7作用于VT1,使得在白炽灯点亮期间声波信号不能向后级输入,保证开关一次触发,点亮时间一定。如果没有VT1、 R7,假定白炽灯发出的光不能照到自身声光控开关上,只要声源发出的声波间隔时间小于点亮延迟时间,白炽灯一直点亮,而且在最后一个声波结束后,还要延迟一个点亮时间周期才能熄灭,这样将造成电能的良费。
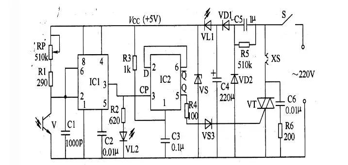
电路图四:

该光控开关电路由电源电路、时基集成电路ICl(NE555)、D触发集成电路IC2(74LS74)、双向晶闸管VT和光敏晶体管V等组成,如图3-59所示。
电源电路由电源开关S、降压电容器C5、整流二极管VDl、VD2、稳压二极管VS、发光二极管VLl和滤波电容器C4等组成。
接通S后,交流220V电压经C5降压、VDl和VD2整流、C4滤波、VLl限流降压及VS稳压后,产生5V左右的直流电压 (Vcc)供给ICl和IC2,同时VLl点亮。
光敏晶体管V与电位器RP、电阻器Rl组成分压电路,决定lCl的2脚和6脚电位的高低。在无光照射到光敏晶体管V时,ICl的2脚和6脚电压高于2Vcc/3,1C1的3脚输出低电平。当用手电筒照射光敏晶体管V时,V导通,其内阻变小,使ICl的 脚、 6脚电压降低,当该电压低于Vcc/3时,ICl内部电路翻转,由稳态变为暂态,其3脚由低电平变为高电平,发光二极管Vl2点亮,便IC2内电路翻转,IC2的5脚由低电平变为高电平,双向晶闸管VT受该高电平触发而导通,将用电器 (负载)的电源接通。
在V短时间导通又截止后,Vcc电压经RP和Rl对电容器Cl充电,使ICl的2脚和6脚电压逐渐升高。当此电压升高至Zp,。73时,IC1内电路又翻转,由暂态变为稳态,其3脚也由高电平变为低电平。IC2的3脚虽变为低电平,但其5脚仍维持输出高电平不变,直到下一个触发脉冲到来。
当再次用手电筒照射光敏晶体管V时,IC1的3脚又由低电平变为高电平,使IC2内电路翻转,其5脚由高电平变为低电平,发光二极管Vl2熄灭,双向晶闸管VT关断,将用电器的供电电源切断。
电阻器R3和电容器C3组成延时电路。在刚接通电源开关S或瞬间停电又恢复时,Vcc电压经R3对C3充电,此时IC2的1脚电压较低,其5脚被强制为低电平。当C3充电结束后,IC2才能恢复正常工作状态。
电阻器R6和电容器C6组成VT的保护电路,可以防止感性负载损坏VT。
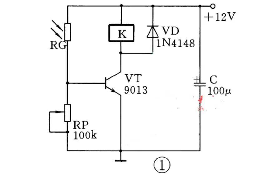
三极管组成的光控开关电路原理图
图1是一个简单的亮通开关。RP为光控阈值调节电位器,通过它可调节光控灵敏度(下面几个电路均相同)。白天光线较强,光敏电阻器RG呈低阻值,三极管VT导通,继电器K吸合,其常开触点闭合,接通被控电器工作。夜间,光线较暗,RG呈高电阻,VT截止,K释放,被控电器停止工作。

图2为典型的暗通开关,它利用VT2反相原理将原来的亮通改为暗通。白天RG呈低电阻,VT1导通,其集电极输出低电平,故VT2截止,K不动作。当夜间光线较暗时,RG呈高电阻,VT1截止,其集电极输出高电平,VT2导通,K吸合动作,从而实现暗通的操作。

上述两电路,如果将光敏电阻器RG与电位器RP位置互换,则亮通就变为暗通,暗通则变为亮通。
图3是一个实用的光控延迟开关,工作条件是:需要为RG外面制作一个遮光筒,这样平时无论外面光线强弱如何,只要无直射光线射入遮光筒,RG均无强光照射而呈高电阻。图3~图5电路均有此要求。电路工作过程是:平时RG为高电阻,VT1截止,VT2也同样截止,K不动作。当用手电筒或激光笔对准遮光筒里的RG照射一下,RG立刻呈低电阻,VT1导通,因VT1导通时其等效电阻很小,C1很快充满电荷,VT2也导通,K吸合,被控电器工作。停止光照后,VT1虽恢复截止,但C1所储存的电荷可通过R向VT2发射结放电,仍能维持VT2保持导通态。C1电荷随放电逐渐减少,当不足以维持VT2导通时,VT2即截止,K释放,被控电器停止工作。电路延迟时间主要由R与C1放电时间常数决定,但VT2的β值对延迟时间影响很大,若β值较小,就限制了R的取值,故要求β值在200以上,VT2最好能采用达林顿复合管。

图4为双敏感器光控开关,RG1为“关”敏感器,RG2为“开”敏感器。电路工作过程为:用电筒或激光笔照一下RG2,VT2立刻导通,K吸合,其常开触点之一K-1闭合对电路自锁,另一个常开触点可使被控电器通电工作。需要关机时,只要再照射一下RG1,使VT1迅速导通,VT1的导通就将VT2的基极电位下拉迫使VT2截止,K释放,被控电器停止工作。VD2的作用是抬高VT2在导通时的基极电位,有利于照射RG1的关机操作。VD2如改用发光二极管,还能起到开关机状态指示。

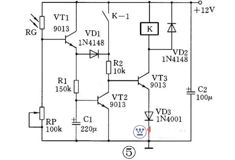
图5是单敏感器光控开关,用激光笔或电筒照射时能实现点按一下“开机”,长按一下“关机”的操作。工作过程是:对RG短暂照射一下,VT1导通,电流一路经VT1、VD1、R2注入VT3基极,使VT3迅速导通,K动作吸合,其一个常开触点K-1闭合对电路自锁,另一个常开触点可使被控电器通电,实现“开机”操作。电流另一路经VT1、R1向C1充电,使C1两端电位上升,但由于RG受光照射时间很短,C1两端电位不可能上升到VT2的开门电平,故对电路无影响。需要关机时,只要照射RG的时间稍长些,使C1两端电位升至0.65V左右,VT2即导通,使VT3的基极电位下拉,迫使VT3截止,K释放,所有常开触点跳开,从而实现“关机”操作。VD3的作用与图4中的VD2相同,也可用发光二极管代替。

上述所有电路中的敏感元件RG均可采用MG45型光敏电阻器。敏感元件也可采用光敏二极管或光敏三极管,电路不必改动。
内容转载自 网络,仅供学习交流使用,如有侵权,请联系删除。如果你还想了解更多关于电子元器件的相关知识及电子元器件行业实时市场信息, 敬请关注微信公众号 【上海衡丽贸易有限公司】