【能源人都在看,点击右上角加'关注'】
北极星水处理网讯:摘要:石灰石-石膏湿法脱硫系统中,氯离子浓度偏高是其常见问题。脱硫系统可通过投运废水系统降低浆液中氯离子含量,但进入冬季,电厂废水系统排放受限会直接影响脱硫石膏浆液氯离子指标控制。本文论述了脱硫吸收塔浆液氯离子浓度高对脱硫装置的影响,且通过投运废水系统无法达到快速降低氯离子浓度的目的,通过对石膏浆液全过程系统的氯离子浓度进行化验比对分析,发现汽水分离器滤液水中氯离子浓度在整个系统中含量最高且水质较好,利于改造效果。最终经过充分论证在汽水分离器底部加装管道至澄清池,经过沉淀后,清水排至出水箱,底部沉淀的石膏经过污泥泵输送至皮带机进行脱水处理。通过系统改造,快速降低了吸收塔浆液氯离子浓度,从而解决废水系统排放受限对吸收塔浆液氯离子产生的影响。
关键词:脱硫装置 氯离子 废水系统 汽水分离器 滤液水
1.脱硫装置氯离子浓度高的影响
1.1 强烈的腐蚀性,加剧吸收塔内金属件的腐蚀
浆液中氯离子浓度升高会加剧吸收塔内金属件的腐蚀,从而造成设备腐蚀严重、使用寿命缩短等问题,如吸收塔搅拌器和浆液循环泵的叶轮等主要设备。
氯离子对不锈钢的腐蚀主要有两方面:一是破坏钝化膜;二是降低pH值。在pH偏低时,不锈钢对氯离子将会更加敏感,其常见的腐蚀类型为点蚀。另外氯离子又是引起金属孔蚀、缝隙腐蚀、应力腐蚀和选择性腐蚀的主要原因。当氯离子含量达 20000mg/L时,大多数不锈钢已腐蚀严重,要选用氯丁基橡胶、玻璃鳞片衬里或其它耐腐蚀材料。现场多数不锈钢材质为316L不锈钢,其要求氯离子浓度<1000mg/L。
1.2 抑制吸收塔内的化学反应,增加厂用电和降低脱硫效率,同时使得吸收塔浆液起泡严重
在湿法脱硫系统吸收塔浆液中,氯化物多以CaCl2的形式存在,且氯离子较强的配位能力,在高浓度下会迅速与烟尘中的 Al、Fe 和 Zn 等金属离子配位形成络合物,将 Ca或CaCO3颗粒包裹起来使其化学活性降低,浆液的利用率下降,最终导致吸收塔浆液内的 CaCO3过剩,但 pH 值却无法上升,脱硫效率降低。要想保证出口达标排放,就需要增加溶液和溶质,从而增加脱硫装置液气比,使得浆液循环系统电耗增加。
同时也会引起吸收塔浆液起泡问题,吸收塔浆液起泡则造成吸收塔溢流,产生的虚假液位,不仅干扰运行人员的正常调整和判断,还会造成浆液循环泵的汽蚀,甚至导致浆液进入原烟道,对烟道及烟道膨胀节腐蚀严重。
1.3 影响石膏品质
氯离子对石膏脱水的影响。石膏在石膏浆液中由于过饱和逐渐由小晶体颗粒结晶为石膏颗粒。在结晶过程中,由于存在着大量的氯离子,结晶会受到一定的影响。氯离子会被晶体包裹,留在晶体内部。溶液中存在一定量的钙离子,留在晶体内部的氯离子会和钙离子结合成稳定的带有四个结晶水的氯化钙,把一定量的水留在了石膏晶体内部,造成石膏含水率上升。

以上两张图片是石膏含水率高和石膏含水低的石膏在显微镜下的图像对比图。
虽然脱水过程中会有大量的氯离子随水离开石膏,但仍然会残留一部分的氯离子和浆液中存在的少量钙离子形成氯化钙,留在石膏晶粒和石膏晶粒之间,堵塞了游离水在结晶之间的通道,使石膏脱水变得困难。氯离子的存在也会影响石膏结晶过程,使得石膏晶格发生畸变,产生出更多晶核,晶体多样化不利于其脱水。
吸收塔浆液中氯化物浓度升高,会抑制吸收塔浆液中石灰石的溶解,引起石膏浆液中碳酸钙含量增大,使得脱硫副产物石膏中的氯离子及碳酸钙含量增加,石膏脱水性能下降,石膏品质恶化。同时吸收塔石膏浆液中氯离子含量升高,会使石膏旋流器溢流回塔浆液及汽水分离器滤液水中氯离子含量升高,不仅使整个系统形成恶性循环,还使进入脱硫废水中的氯离子含量大幅增加,废水处理难度增大。
2.脱硫废水处理系统概述
2.1 脱硫废水系统工艺流程
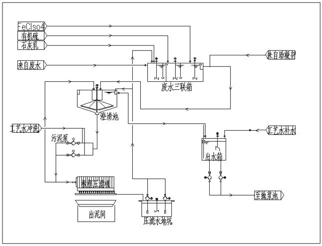
脱硫废水处理系统包括废水处理系统、化学加药系统、污泥处理系统及排污系统。其核心机构是三联箱:中和箱、沉降箱、絮凝箱。进入脱硫废水处理系统的废水,经中和、絮凝和沉淀等处理过程,处理后的排水用于燃料煤场喷淋,经废水处理系统压缩后的泥饼外运。要求吸收塔浆液中氯离子浓度达到16000mg/L时,投运废水处理系统。处理后废水排放的标准:浊 度NTU≤70;PH值6-9;(COD)cr mg/L≤100。
工艺流程示意图如下:

2.2 投运脱硫废水系统对吸收塔浆液氯离子的影响
脱硫系统可通过投运废水系统降低浆液中氯离子含量,但进入冬季,电厂废水系统排放受限,废水排放量减小会直接影响脱硫石膏浆液氯离子指标控制。投运废水系统对氯离子的影响详见下表:

通过对比,#1、#2机组排放332t废水,#1吸收塔浆液氯离子浓度上涨了6230mg/L,#2吸收塔浆液氯离子浓度上涨了5728mg/L(#1、#2机组废水系统为公用系统)。当日排放量达70t时仍无法满足。
3.关于快速降低氯离子的探索
3.1 石膏浆液全过程系统的氯离子浓度化验比对
通过以上数据对比可见,投运废水系统不仅无法难维持石膏浆液中氯离子含量在合格范围,反而上涨较快。因此,需积极探索在废水排放受限的情况下,如何能够快速、有效的降低吸收塔石膏浆液中氯离子。通过对不同阶段石膏浆液全过程系统的氯离子浓度化验对比分析,发现汽水分离器滤液水中的氯离子浓度在整个系统中是含量最高的。
(1)首先出水箱外排废水氯离子与吸收塔氯离子含量对比,发现出水箱外排废水氯离子仅占吸收塔石膏浆液氯离子含量的46%,因此需对石膏浆液全过程系统的氯离子浓度化验对比分析,查找根源,从而寻求快速降低吸收塔石膏浆液中氯离子的办法。
#1、#2机组吸收塔石膏浆液氯离子与出水箱废水氯离子含量对比
采样时间:2019年2月19日10:00

(2)通过两次对石膏浆液全过程系统的氯离子浓度化验对比分析,发现旋流器底流氯离子含量所占比重最高,达98%以上。旋流器底流至皮带机,一小部分随石膏脱出,石膏中氯离子含量仅0.5%,其余全部到过滤水地坑,过滤水地坑滤液水用于石灰石配浆及回塔利用。
#1、#2机组石膏浆液全过程系统的氯离子浓度化验对比1
采样时间:2019年02月20日9:00

#1、#2机组石膏浆液全过程系统的氯离子浓度化验对比2
采样时间:2019年02月25日9:00

(3)通过以上比对,石膏旋流器底流氯离子含量所占比重最高,其大部分至过滤水地坑后继续回收利用,即使投运废水系统,吸收塔石膏浆液氯离子含量仍居高不下,从而对进入过滤水地坑滤液水及其他水源进行对比分析。通过比对发现,汽水分离器滤液水氯离子含量占吸收塔石膏浆液氯离子的73%。
#1、#2机组过滤水地坑滤液水与其他水源氯离子含量对比
采样时间:2019年07月03日09:00

3.2 汽水分离器滤液水的影响及系统优化
3.2.1 选择排放汽水分离器滤液水的原因
(1)通过以上化验对比分析,汽水分离器滤液水中氯离子含量占吸收塔石膏浆液氯离子含量的73%,远高于外排废水氯离子含量。
(2)因过滤水地坑来水除汽水分离器滤液水外还有各箱灌溢流、保洁用水及部分设备机封冷却水,不仅使过滤水地坑的滤液水被稀释后氯离子含量较低,水质还无法保证,相比较之下汽水分离器滤液水不仅氯离子含量高,其水中含固量、浊度、杂质较低。因此,采取排放汽水分离器滤液水的措施能够快速降低石膏浆液中氯离子浓度的同时,还能保证外排水水质。
(3)三联箱入口废水氯离子含量虽较高,但若投运此路废水需启动废水系统及加药,因此在相同时间内排放量相对排放汽水分离器滤液水要少很多,若不启动废水加药系统则水质较为浑浊,且比起投运汽水分离器滤液水的操作要复杂和繁琐。
3.2.2 汽水分离器滤液水系统的优化
在不改变原系统的情况下,在汽水分离器至过滤水地坑管路最接近澄清池位置接一三通,将汽水分离器滤液水引至澄清池,管路需在澄清池液位面以下,防止漏出管路漏真空造成皮带机真空度下降从而石膏品质差或形成虹吸。在增加至澄清池管路时注意管路坡度需合理,必要时增加一路冲洗水,防止滤布破损后管路长时间运行过程中沉淀,造成汽水分离器液位高。在汽水分离器至过滤水地坑和澄清器管路上分别安装必要的阀门,用于调整汽水分离器滤液水至澄清器和过滤水地坑的流量,同时实现汽水分离器至过滤水地坑或至澄清池的互切投运。虽然汽水分离器固含量及浊度较低,但若滤布有破损或管路坡度不合理时仍会有少量石膏浆液,易造成澄清池的沉淀。因石膏沉淀和污泥成分构成、含量不同,汽水分离器滤液水投运后会造成后期板框压滤机出泥困难,因此将污泥泵至板框压滤机管路接一支路至皮带机,与石膏混合后排出,不仅解决出泥及澄清池石膏沉淀问题,还能减少板框压滤机设备和滤布损耗。
工艺流程示意图如下:

3.3 汽水分离器滤液水改造后对吸收塔石膏浆液氯离子的影响
#1、#2机组汽水分离器滤液水对氯离子影响分析表

根据以上数据对比,#1、#2机组排放307t汽水分离器滤液水,在与排放废水量相同的情况下,#1吸收塔石膏浆液氯离子浓度下降了2403mg/L,#2吸收塔石膏浆液氯离子浓度下降了3357mg/L(#1、#2机组废水系统为公用系统)。由于存在工艺水氯离子含量、燃煤氯离子含量、烟气量等不可控因素,但根据以上数据可见,每天排放30-50t汽水分离器滤液水,基本可维持吸收塔石膏浆液氯离子稳定;每天排放60-80t汽水分离器滤液水,吸收塔石膏浆液氯离子缓慢下降。
4.汽水分离器滤液水系统优化后的优势及影响
4.1 可快速降低吸收塔石膏浆液中氯离子含量
根据以上数据对比分析,脱硫系统石膏浆液氯离子的主要来源为脱硫系统汽水分离器滤液水的循环使用,汽水分离器滤液水氯离子含量占吸收塔浆液氯离子含量的73%,且石膏浆液中氯离子含量越高,汽水分离器滤液水含量所占比重越大。通过排放废水及汽水分离器滤液水数据对比发现,在排放量相同的情况下,排放汽水分离器滤液水石膏浆液氯离子含量下降幅度远高于废水。由此可见,排放汽水分离器滤液水为降低吸收塔石膏浆液中氯离子含量最直接有效的办法。
4.2 可减少设备损耗,节省费用
改造后的系统主要通过将汽水分离器滤液水直排至澄清池,由出水泵输送至抛浆池最终到达电厂渣水系统,在此过程中,废水系统各加药泵不需投入运行,同时无需填加废水药品。因此不仅节省废水药品费用,同时减少设备损耗。以#1、#2机组为例,所节省费用如下:
(1)废水处理系统运行电费测算
#1、#2脱硫废水处理系统总运行功率61KW,额定电流约122A,实际使用率按70%计算,总运行电流约85.4A,厂用电按每千瓦时0.382元计算,废水系统平均每小时废水处理量为3t,平均每处理1t废水电费约为6.16元。
(2)废水系统药品处理费测算
#1、#2脱硫废水处理系统每处理1t废水,使用氢氧化钙5kg,有机硫0.5kg,絮凝剂0.5kg,助凝剂0.015kg。氢氧化钙为1000元/吨,有机硫为7000元/吨,絮凝剂为2500元/吨,助凝剂为9000元/吨。氢氧化钙1元/kg,有机硫7元/kg,絮凝剂2.5元/kg,助凝剂9元/kg。每处理1t废水药品使用费约为10元。
(3)以#1、#2机组2019年脱硫废水处理系统年度处理量为6070t为例,进行费用测算如下:
#1、#2、#3脱硫废水处理系统每处理1t废水运行电费为6.16元,药品处理费为10元,总计16.16元。
#1、#2机组按年处理废水6070t,总费用约节省9.81万元,平均每月约节省8174.27元。
该套废水处理系统出水PH值达到排放标准,因此未使用危化品盐酸。
(4)备品配件节省维护费测算
现场3台机组,其中#1、#2机组共用1套废水系统,#3机组单独使用1套废水系统。
以#1、#2机组脱水系统为例:经过汽水分离器滤液水的改造以及增加皮带机脱水功能后,加药系统石灰乳计量泵、循环泵、板框压滤机使用频次明显减少。每年可节省板框压滤机维护费2.45万元,加药系统维护费0.7万元(以废水加药装置及压滤机运行时间较往年节省一半计算),每年#1、#2机组废水系统维护费用可节省3.15万元。
4.3 对电厂捞渣机的影响
因汽水分离器滤液水直排至电厂渣水系统,氯离子含量较高,易造成对捞渣机的腐蚀,若PH值等指标不合格则加速捞渣机腐蚀。自近期连续投运观察,未发现对捞渣机造成明显影响。为防止对其造成影响,每周定期对渣水进行监测,发现PH值偏低时及时投运废水加药系统,提高外排水PH值。
捞渣机水样化验

5.结束语
通过运行调整及跟踪化验对比,降低脱硫系统吸收塔石膏浆液氯离子最有效、最直接的措施为排放汽水分离器滤液水,后续将会对汽水分离器滤液水排入渣水系统对其捞渣机等影响进行持续跟踪。
原标题:关于燃煤机组脱硫系统快速降低吸收塔浆液氯离子浓度的探讨
免责声明:以上内容转载自北极星环保网,所发内容不代表本平台立场。
全国能源信息平台联系电话:010-65367702,邮箱:hz@people-energy.com.cn,地址:北京市朝阳区金台西路2号人民日报社