我们知道电能是不能储存的,供电和用电的平衡是非常重要的,而电网频率是反映这一状况的重要指标;目前我国电网的额定频率为50Hz;简单来说,如果电网频率高于50Hz说明发电量高于用电量,反之,则说明发电量低于需要的电量。发、供电的不平衡会造成电网频率的波动。一次调频的基本原理就是机组直接接受电网频率的偏差信号,通过改变机组的实际负荷,达到稳定电网频率的目的;一次调频的主要目的在于快速消除整个电网小幅度的负荷扰动,因此控制回路的设计必须遵循两个原则:快速与安全。
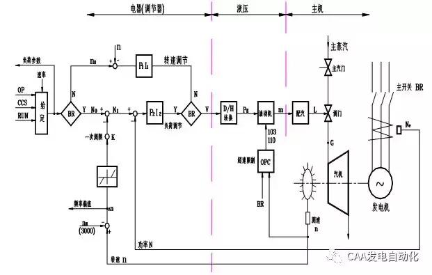
1 DEH频率调节原理:
在电液调节系统中,速度不等率的数值和形状,都可以采用电路或数字的形式任意设定。在机组单机运行时,电液调节系统往往采用无差调节系统,转速控制完全由PID调节规律来实现,因此没有速度不等率的问题。下面仅讨论并网运行时的调频问题。

图1 DEH调节原理图
升速、并网、甩负荷转速调节由P1I1调节器完成,实现无差调节。并网后为负荷调节,由一次调频和功率P2 I2调节两个回路组成。
如果一次调频回路不投入,而只投功率回路,系统为定功率运行。
如果功率回路不投入,而只投一次调频回路,系统为有差频率运行。
一次调频和功率都投入,则系统为功频调节系统。
DEH系统各主要环节传递函数如图2,其对应的参数见下表:其中表内未填写的参数见汽轮机参数试验报告和发电机参数试验报告。

图2 DEH调节系统传递函数

2 协调方式下一次调频作用原理
某机组在协调方式下一次调频控制功能原理如下图3所示,在未投入协调控制方式时由DEH实现一次调频,与DCS系统相比,DEH系统响应快,由DEH系统来承担一次调频任务比较合适。而在投入协调控制功能后由DCS和DEH共同完成一次调频功能;同时必须注意,在DEH调频时的DEH与CCS系统接口设计,应当按照如图一的方法,否则由于CCS的功率大闭环作用,使DEH的调频作用被抵消。

图3 协调方式下一次调频作用原理图